[1-120DST]
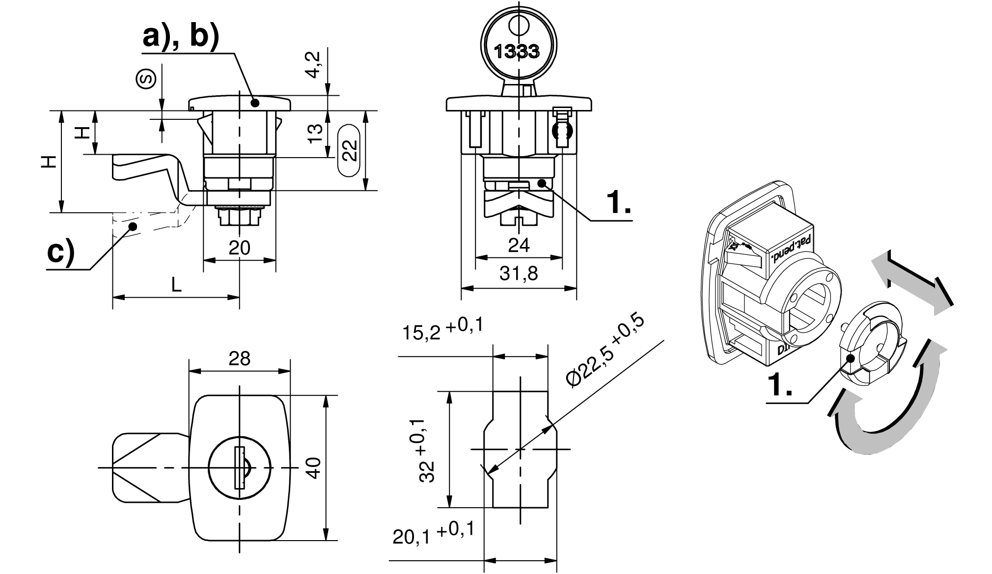
DST Zylinder-Drehriegel Pr32x20 L22








Vorteile
- Flacher Drehriegel für Einbauöffnung 32x20mm.
- Saubere Ausrichtung durch rechteckige Einbauöffnung.
- Durch den in 90° Schritten drehbaren Boden, zeigt der Schlüsselbart, egal ob linke oder rechte Tür, immer in die gleiche Richtung.
- Rechts / links einsetzbar.
- Der Drehriegel kann komplett vormontiert eingeklipst werden.
- Montage werkzeuglos und rüttelsicher.
- Blindmontage in geschlossenen Profilen.
- 2 Schlüssel sind im Lieferumfang enthalten.
- Mit Edelstahl- Zylinderabdeckung und Staubschutz.
Werkstoffe
- Gehäuse und Zylinder: GDZn, verchromt
- Klipselemente: gesinterter Stahl
- loser Boden: GDZn, verzinkt
- Sperrzahnschraube: Stahl, verzinkt
- O-Ring: NBR, schwarz, dient zur Sicherung der Klipselemente
Anmerkungen
H-Maß der L=35 Zunge ≥12mm.H-Maß der L=45 Zunge ≥6mm.
Komplett vormontiert ohne Zunge.
Max. Belastung auf den Schlüssel 4Nm.
Erdung durch Erdungsfeder 200-1103.04.00000 auf Anfrage
1. drehbarer Boden
Gewählte Ausführung
Produktnummer | 406-9007.00-00026 |
Liefereinheit: | 1 Stck |
Oberfläche: | verchromt |
Montageart: | werkzeuglos |
Verschlussart: | gleichschließend DIRAK 1333 |
Klemmbereich (S): | 2,3 mm - 3 mm |
Zugehörige Produkte
Zubehöre
Produktnummer
Name
c)
200-0402.00-00000
Zunge L45
Details
H-Maß bei Gl12:
H-Maß bei Gl18:
2 mm
H-Maß für Gl20:
4 mm
H-Maß bei Gl22:
6 mm
H-Maß bei Gl30:
14 mm
H-Maß bei Gl32:
16 mm
H-Maß bei Gl36:
20 mm
H-Maß bei Gl40:
24 mm
H-Maß bei Gl42:
26 mm
H-Maß bei Gl46:
30 mm
H-Maß für Gl50:
34 mm
H-Maß bei Gl56:
40 mm
H-Maß für Gl60:
44 mm
H-Maß bei Gl66:
50 mm
Liefereinheit:
10 Stck
c)
200-0404.00-00000
Zunge L45
Details
H-Maß bei Gl12:
H-Maß bei Gl18:
4 mm
H-Maß für Gl20:
6 mm
H-Maß bei Gl22:
8 mm
H-Maß bei Gl30:
16 mm
H-Maß bei Gl32:
18 mm
H-Maß bei Gl36:
22 mm
H-Maß bei Gl40:
26 mm
H-Maß bei Gl42:
28 mm
H-Maß bei Gl46:
32 mm
H-Maß für Gl50:
36 mm
H-Maß bei Gl56:
42 mm
H-Maß für Gl60:
46 mm
H-Maß bei Gl66:
52 mm
Liefereinheit:
10 Stck
c)
200-0406.00-00000
Zunge L45
Details
H-Maß bei Gl12:
H-Maß bei Gl18:
6 mm
H-Maß für Gl20:
8 mm
H-Maß bei Gl22:
10 mm
H-Maß bei Gl30:
18 mm
H-Maß bei Gl32:
20 mm
H-Maß bei Gl36:
24 mm
H-Maß bei Gl40:
28 mm
H-Maß bei Gl42:
30 mm
H-Maß bei Gl46:
34 mm
H-Maß für Gl50:
38 mm
H-Maß bei Gl56:
44 mm
H-Maß für Gl60:
48 mm
H-Maß bei Gl66:
54 mm
Liefereinheit:
10 Stck
c)
200-0408.00-00000
Zunge L45
Details
H-Maß bei Gl12:
H-Maß bei Gl18:
8 mm
H-Maß für Gl20:
10 mm
H-Maß bei Gl22:
12 mm
H-Maß bei Gl30:
20 mm
H-Maß bei Gl32:
22 mm
H-Maß bei Gl36:
26 mm
H-Maß bei Gl40:
30 mm
H-Maß bei Gl42:
32 mm
H-Maß bei Gl46:
36 mm
H-Maß für Gl50:
40 mm
H-Maß bei Gl56:
46 mm
H-Maß für Gl60:
50 mm
H-Maß bei Gl66:
56 mm
Liefereinheit:
10 Stck
c)
200-0410.00-00000
Zunge L45
Details
H-Maß bei Gl12:
H-Maß bei Gl18:
10 mm
H-Maß für Gl20:
12 mm
H-Maß bei Gl22:
14 mm
H-Maß bei Gl30:
22 mm
H-Maß bei Gl32:
24 mm
H-Maß bei Gl36:
28 mm
H-Maß bei Gl40:
32 mm
H-Maß bei Gl42:
34 mm
H-Maß bei Gl46:
38 mm
H-Maß für Gl50:
42 mm
H-Maß bei Gl56:
48 mm
H-Maß für Gl60:
52 mm
H-Maß bei Gl66:
58 mm
Liefereinheit:
10 Stck
c)
200-0413.00-00000
Zunge L45
Details
H-Maß bei Gl12:
7 mm
H-Maß bei Gl18:
13 mm
H-Maß für Gl20:
15 mm
H-Maß bei Gl22:
17 mm
H-Maß bei Gl30:
25 mm
H-Maß bei Gl32:
27 mm
H-Maß bei Gl36:
31 mm
H-Maß bei Gl40:
35 mm
H-Maß bei Gl42:
37 mm
H-Maß bei Gl46:
41 mm
H-Maß für Gl50:
45 mm
H-Maß bei Gl56:
51 mm
H-Maß für Gl60:
55 mm
H-Maß bei Gl66:
61 mm
Liefereinheit:
10 Stck
c)
200-0414.00-00000
Zunge L45
Details
H-Maß bei Gl12:
8 mm
H-Maß bei Gl18:
14 mm
H-Maß für Gl20:
16 mm
H-Maß bei Gl22:
18 mm
H-Maß bei Gl30:
26 mm
H-Maß bei Gl32:
28 mm
H-Maß bei Gl36:
32 mm
H-Maß bei Gl40:
36 mm
H-Maß bei Gl42:
38 mm
H-Maß bei Gl46:
42 mm
H-Maß für Gl50:
46 mm
H-Maß bei Gl56:
52 mm
H-Maß für Gl60:
56 mm
H-Maß bei Gl66:
62 mm
Liefereinheit:
10 Stck
c)
200-0416.00-00000
Zunge L45
Details
H-Maß bei Gl12:
10 mm
H-Maß bei Gl18:
16 mm
H-Maß für Gl20:
18 mm
H-Maß bei Gl22:
20 mm
H-Maß bei Gl30:
28 mm
H-Maß bei Gl32:
30 mm
H-Maß bei Gl36:
34 mm
H-Maß bei Gl40:
38 mm
H-Maß bei Gl42:
40 mm
H-Maß bei Gl46:
44 mm
H-Maß für Gl50:
48 mm
H-Maß bei Gl56:
54 mm
H-Maß für Gl60:
58 mm
H-Maß bei Gl66:
64 mm
Liefereinheit:
10 Stck
c)
200-0418.00-00000
Zunge L45
Details
H-Maß bei Gl12:
12 mm
H-Maß bei Gl18:
18 mm
H-Maß für Gl20:
20 mm
H-Maß bei Gl22:
22 mm
H-Maß bei Gl30:
30 mm
H-Maß bei Gl32:
32 mm
H-Maß bei Gl36:
36 mm
H-Maß bei Gl40:
40 mm
H-Maß bei Gl42:
42 mm
H-Maß bei Gl46:
46 mm
H-Maß für Gl50:
50 mm
H-Maß bei Gl56:
56 mm
H-Maß für Gl60:
60 mm
H-Maß bei Gl66:
66 mm
Liefereinheit:
10 Stck
c)
200-0420.00-00000
Zunge L45
Details
H-Maß bei Gl12:
14 mm
H-Maß bei Gl18:
20 mm
H-Maß für Gl20:
22 mm
H-Maß bei Gl22:
24 mm
H-Maß bei Gl30:
32 mm
H-Maß bei Gl32:
34 mm
H-Maß bei Gl36:
38 mm
H-Maß bei Gl40:
42 mm
H-Maß bei Gl42:
44 mm
H-Maß bei Gl46:
48 mm
H-Maß für Gl50:
52 mm
H-Maß bei Gl56:
58 mm
H-Maß für Gl60:
62 mm
H-Maß bei Gl66:
68 mm
Liefereinheit:
10 Stck
c)
200-0422.00-00000
Zunge L45
Details
H-Maß bei Gl12:
16 mm
H-Maß bei Gl18:
22 mm
H-Maß für Gl20:
24 mm
H-Maß bei Gl22:
26 mm
H-Maß bei Gl30:
34 mm
H-Maß bei Gl32:
36 mm
H-Maß bei Gl36:
40 mm
H-Maß bei Gl40:
44 mm
H-Maß bei Gl42:
46 mm
H-Maß bei Gl46:
50 mm
H-Maß für Gl50:
54 mm
H-Maß bei Gl56:
60 mm
H-Maß für Gl60:
64 mm
H-Maß bei Gl66:
70 mm
Liefereinheit:
10 Stck
c)
200-0424.00-00000
Zunge L45
Details
H-Maß bei Gl12:
18 mm
H-Maß bei Gl18:
24 mm
H-Maß für Gl20:
26 mm
H-Maß bei Gl22:
28 mm
H-Maß bei Gl30:
36 mm
H-Maß bei Gl32:
38 mm
H-Maß bei Gl36:
42 mm
H-Maß bei Gl40:
46 mm
H-Maß bei Gl42:
48 mm
H-Maß bei Gl46:
52 mm
H-Maß für Gl50:
56 mm
H-Maß bei Gl56:
62 mm
H-Maß für Gl60:
66 mm
H-Maß bei Gl66:
72 mm
Liefereinheit:
10 Stck
c)
200-0425.00-00000
Zunge L45
Details
H-Maß bei Gl12:
19 mm
H-Maß bei Gl18:
25 mm
H-Maß für Gl20:
27 mm
H-Maß bei Gl22:
29 mm
H-Maß bei Gl30:
37 mm
H-Maß bei Gl32:
39 mm
H-Maß bei Gl36:
43 mm
H-Maß bei Gl40:
47 mm
H-Maß bei Gl42:
49 mm
H-Maß bei Gl46:
53 mm
H-Maß für Gl50:
57 mm
H-Maß bei Gl56:
63 mm
H-Maß für Gl60:
67 mm
H-Maß bei Gl66:
73 mm
Liefereinheit:
10 Stck
c)
200-0426.00-00000
Zunge L45
Details
H-Maß bei Gl12:
20 mm
H-Maß bei Gl18:
26 mm
H-Maß für Gl20:
28 mm
H-Maß bei Gl22:
30 mm
H-Maß bei Gl30:
38 mm
H-Maß bei Gl32:
40 mm
H-Maß bei Gl36:
44 mm
H-Maß bei Gl40:
48 mm
H-Maß bei Gl42:
50 mm
H-Maß bei Gl46:
54 mm
H-Maß für Gl50:
58 mm
H-Maß bei Gl56:
64 mm
H-Maß für Gl60:
68 mm
H-Maß bei Gl66:
74 mm
Liefereinheit:
10 Stck
c)
200-0428.00-00000
Zunge L45
Details
H-Maß bei Gl12:
22 mm
H-Maß bei Gl18:
28 mm
H-Maß für Gl20:
30 mm
H-Maß bei Gl22:
32 mm
H-Maß bei Gl30:
40 mm
H-Maß bei Gl32:
42 mm
H-Maß bei Gl36:
46 mm
H-Maß bei Gl40:
50 mm
H-Maß bei Gl42:
52 mm
H-Maß bei Gl46:
56 mm
H-Maß für Gl50:
60 mm
H-Maß bei Gl56:
66 mm
H-Maß für Gl60:
70 mm
H-Maß bei Gl66:
76 mm
Liefereinheit:
10 Stck
c)
200-0430.00-00000
Zunge L45
Details
H-Maß bei Gl12:
24 mm
H-Maß bei Gl18:
30 mm
H-Maß für Gl20:
32 mm
H-Maß bei Gl22:
34 mm
H-Maß bei Gl30:
42 mm
H-Maß bei Gl32:
44 mm
H-Maß bei Gl36:
48 mm
H-Maß bei Gl40:
52 mm
H-Maß bei Gl42:
54 mm
H-Maß bei Gl46:
58 mm
H-Maß für Gl50:
62 mm
H-Maß bei Gl56:
68 mm
H-Maß für Gl60:
72 mm
H-Maß bei Gl66:
78 mm
Liefereinheit:
10 Stck
c)
200-0432.00-00000
Zunge L45
Details
H-Maß bei Gl12:
26 mm
H-Maß bei Gl18:
32 mm
H-Maß für Gl20:
34 mm
H-Maß bei Gl22:
36 mm
H-Maß bei Gl30:
44 mm
H-Maß bei Gl32:
46 mm
H-Maß bei Gl36:
50 mm
H-Maß bei Gl40:
54 mm
H-Maß bei Gl42:
56 mm
H-Maß bei Gl46:
60 mm
H-Maß für Gl50:
64 mm
H-Maß bei Gl56:
70 mm
H-Maß für Gl60:
74 mm
H-Maß bei Gl66:
80 mm
Liefereinheit:
10 Stck
c)
200-0434.00-00000
Zunge L45
Details
H-Maß bei Gl12:
28 mm
H-Maß bei Gl18:
34 mm
H-Maß für Gl20:
36 mm
H-Maß bei Gl22:
38 mm
H-Maß bei Gl30:
46 mm
H-Maß bei Gl32:
48 mm
H-Maß bei Gl36:
52 mm
H-Maß bei Gl40:
56 mm
H-Maß bei Gl42:
58 mm
H-Maß bei Gl46:
62 mm
H-Maß für Gl50:
66 mm
H-Maß bei Gl56:
72 mm
H-Maß für Gl60:
76 mm
H-Maß bei Gl66:
82 mm
Liefereinheit:
10 Stck
c)
200-0435.00-00000
Zunge L45
Details
H-Maß bei Gl12:
29 mm
H-Maß bei Gl18:
35 mm
H-Maß für Gl20:
37 mm
H-Maß bei Gl22:
39 mm
H-Maß bei Gl30:
47 mm
H-Maß bei Gl32:
49 mm
H-Maß bei Gl36:
53 mm
H-Maß bei Gl40:
57 mm
H-Maß bei Gl42:
59 mm
H-Maß bei Gl46:
63 mm
H-Maß für Gl50:
67 mm
H-Maß bei Gl56:
73 mm
H-Maß für Gl60:
77 mm
H-Maß bei Gl66:
83 mm
Liefereinheit:
10 Stck
c)
200-0436.00-00000
Zunge L45
Details
H-Maß bei Gl12:
30 mm
H-Maß bei Gl18:
36 mm
H-Maß für Gl20:
38 mm
H-Maß bei Gl22:
40 mm
H-Maß bei Gl30:
48 mm
H-Maß bei Gl32:
50 mm
H-Maß bei Gl36:
54 mm
H-Maß bei Gl40:
58 mm
H-Maß bei Gl42:
60 mm
H-Maß bei Gl46:
64 mm
H-Maß für Gl50:
68 mm
H-Maß bei Gl56:
74 mm
H-Maß für Gl60:
78 mm
H-Maß bei Gl66:
84 mm
Liefereinheit:
10 Stck
c)
200-0438.00-00000
Zunge L45
Details
H-Maß bei Gl12:
32 mm
H-Maß bei Gl18:
38 mm
H-Maß für Gl20:
40 mm
H-Maß bei Gl22:
42 mm
H-Maß bei Gl30:
50 mm
H-Maß bei Gl32:
52 mm
H-Maß bei Gl36:
56 mm
H-Maß bei Gl40:
60 mm
H-Maß bei Gl42:
62 mm
H-Maß bei Gl46:
66 mm
H-Maß für Gl50:
70 mm
H-Maß bei Gl56:
76 mm
H-Maß für Gl60:
80 mm
H-Maß bei Gl66:
86 mm
Liefereinheit:
10 Stck
c)
200-0440.00-00000
Zunge L45
Details
H-Maß bei Gl12:
34 mm
H-Maß bei Gl18:
40 mm
H-Maß für Gl20:
42 mm
H-Maß bei Gl22:
44 mm
H-Maß bei Gl30:
52 mm
H-Maß bei Gl32:
54 mm
H-Maß bei Gl36:
58 mm
H-Maß bei Gl40:
62 mm
H-Maß bei Gl42:
64 mm
H-Maß bei Gl46:
68 mm
H-Maß für Gl50:
72 mm
H-Maß bei Gl56:
78 mm
H-Maß für Gl60:
82 mm
H-Maß bei Gl66:
88 mm
Liefereinheit:
10 Stck
c)
200-0442.00-00000
Zunge L45
Details
H-Maß bei Gl12:
36 mm
H-Maß bei Gl18:
42 mm
H-Maß für Gl20:
44 mm
H-Maß bei Gl22:
46 mm
H-Maß bei Gl30:
54 mm
H-Maß bei Gl32:
56 mm
H-Maß bei Gl36:
60 mm
H-Maß bei Gl40:
64 mm
H-Maß bei Gl42:
66 mm
H-Maß bei Gl46:
70 mm
H-Maß für Gl50:
74 mm
H-Maß bei Gl56:
80 mm
H-Maß für Gl60:
84 mm
H-Maß bei Gl66:
90 mm
Liefereinheit:
10 Stck
c)
200-0444.00-00000
Zunge L45
Details
H-Maß bei Gl12:
38 mm
H-Maß bei Gl18:
44 mm
H-Maß für Gl20:
46 mm
H-Maß bei Gl22:
48 mm
H-Maß bei Gl30:
56 mm
H-Maß bei Gl32:
58 mm
H-Maß bei Gl36:
62 mm
H-Maß bei Gl40:
66 mm
H-Maß bei Gl42:
68 mm
H-Maß bei Gl46:
72 mm
H-Maß für Gl50:
76 mm
H-Maß bei Gl56:
82 mm
H-Maß für Gl60:
86 mm
H-Maß bei Gl66:
92 mm
Liefereinheit:
10 Stck
c)
200-0445.00-00000
Zunge L45
Details
H-Maß bei Gl12:
39 mm
H-Maß bei Gl18:
45 mm
H-Maß für Gl20:
47 mm
H-Maß bei Gl22:
49 mm
H-Maß bei Gl30:
57 mm
H-Maß bei Gl32:
59 mm
H-Maß bei Gl36:
63 mm
H-Maß bei Gl40:
67 mm
H-Maß bei Gl42:
69 mm
H-Maß bei Gl46:
73 mm
H-Maß für Gl50:
77 mm
H-Maß bei Gl56:
83 mm
H-Maß für Gl60:
87 mm
H-Maß bei Gl66:
93 mm
Liefereinheit:
10 Stck
c)
200-0447.00-00000
Zunge L45
Details
H-Maß bei Gl12:
41 mm
H-Maß bei Gl18:
47 mm
H-Maß für Gl20:
49 mm
H-Maß bei Gl22:
51 mm
H-Maß bei Gl30:
59 mm
H-Maß bei Gl32:
61 mm
H-Maß bei Gl36:
65 mm
H-Maß bei Gl40:
69 mm
H-Maß bei Gl42:
71 mm
H-Maß bei Gl46:
75 mm
H-Maß für Gl50:
79 mm
H-Maß bei Gl56:
85 mm
H-Maß für Gl60:
89 mm
H-Maß bei Gl66:
95 mm
Liefereinheit:
10 Stck
c)
200-0450.00-00000
Zunge L45
Details
H-Maß bei Gl12:
44 mm
H-Maß bei Gl18:
50 mm
H-Maß für Gl20:
52 mm
H-Maß bei Gl22:
54 mm
H-Maß bei Gl30:
62 mm
H-Maß bei Gl32:
64 mm
H-Maß bei Gl36:
68 mm
H-Maß bei Gl40:
72 mm
H-Maß bei Gl42:
74 mm
H-Maß bei Gl46:
78 mm
H-Maß für Gl50:
82 mm
H-Maß bei Gl56:
88 mm
H-Maß für Gl60:
92 mm
H-Maß bei Gl66:
98 mm
Liefereinheit:
10 Stck
c)
200-0453.00-00000
Zunge L45
Details
H-Maß bei Gl12:
47 mm
H-Maß bei Gl18:
53 mm
H-Maß für Gl20:
55 mm
H-Maß bei Gl22:
57 mm
H-Maß bei Gl30:
65 mm
H-Maß bei Gl32:
67 mm
H-Maß bei Gl36:
71 mm
H-Maß bei Gl40:
75 mm
H-Maß bei Gl42:
77 mm
H-Maß bei Gl46:
81 mm
H-Maß für Gl50:
85 mm
H-Maß bei Gl56:
91 mm
H-Maß für Gl60:
95 mm
H-Maß bei Gl66:
101 mm
Liefereinheit:
10 Stck
c)
200-0455.00-00000
Zunge L45
Details
H-Maß bei Gl12:
49 mm
H-Maß bei Gl18:
55 mm
H-Maß für Gl20:
57 mm
H-Maß bei Gl22:
59 mm
H-Maß bei Gl30:
67 mm
H-Maß bei Gl32:
69 mm
H-Maß bei Gl36:
73 mm
H-Maß bei Gl40:
77 mm
H-Maß bei Gl42:
79 mm
H-Maß bei Gl46:
83 mm
H-Maß für Gl50:
87 mm
H-Maß bei Gl56:
93 mm
H-Maß für Gl60:
97 mm
H-Maß bei Gl66:
103 mm
Liefereinheit:
10 Stck
c)
200-0606.00-00000
Zunge L35
Details
H-Maß bei Gl12:
H-Maß bei Gl18:
6 mm
H-Maß für Gl20:
8 mm
H-Maß bei Gl22:
10 mm
H-Maß bei Gl30:
18 mm
H-Maß bei Gl32:
20 mm
H-Maß bei Gl36:
24 mm
H-Maß bei Gl40:
28 mm
H-Maß bei Gl42:
30 mm
H-Maß bei Gl46:
34 mm
H-Maß für Gl50:
38 mm
H-Maß bei Gl56:
44 mm
H-Maß für Gl60:
48 mm
H-Maß bei Gl66:
54 mm
Liefereinheit:
10 Stck
c)
200-0608.00-00000
Zunge L35
Details
H-Maß bei Gl12:
H-Maß bei Gl18:
8 mm
H-Maß für Gl20:
10 mm
H-Maß bei Gl22:
12 mm
H-Maß bei Gl30:
20 mm
H-Maß bei Gl32:
22 mm
H-Maß bei Gl36:
26 mm
H-Maß bei Gl40:
30 mm
H-Maß bei Gl42:
32 mm
H-Maß bei Gl46:
36 mm
H-Maß für Gl50:
40 mm
H-Maß bei Gl56:
46 mm
H-Maß für Gl60:
50 mm
H-Maß bei Gl66:
56 mm
Liefereinheit:
10 Stck
c)
200-0610.00-00000
Zunge L35
Details
H-Maß bei Gl12:
H-Maß bei Gl18:
10 mm
H-Maß für Gl20:
12 mm
H-Maß bei Gl22:
14 mm
H-Maß bei Gl30:
22 mm
H-Maß bei Gl32:
24 mm
H-Maß bei Gl36:
28 mm
H-Maß bei Gl40:
32 mm
H-Maß bei Gl42:
34 mm
H-Maß bei Gl46:
38 mm
H-Maß für Gl50:
42 mm
H-Maß bei Gl56:
48 mm
H-Maß für Gl60:
52 mm
H-Maß bei Gl66:
58 mm
Liefereinheit:
10 Stck
c)
200-0613.00-00000
Zunge L35
Details
H-Maß bei Gl12:
7 mm
H-Maß bei Gl18:
13 mm
H-Maß für Gl20:
15 mm
H-Maß bei Gl22:
17 mm
H-Maß bei Gl30:
25 mm
H-Maß bei Gl32:
27 mm
H-Maß bei Gl36:
31 mm
H-Maß bei Gl40:
35 mm
H-Maß bei Gl42:
37 mm
H-Maß bei Gl46:
41 mm
H-Maß für Gl50:
45 mm
H-Maß bei Gl56:
51 mm
H-Maß für Gl60:
55 mm
H-Maß bei Gl66:
61 mm
Liefereinheit:
10 Stck
c)
200-0614.00-00000
Zunge L35
Details
H-Maß bei Gl12:
8 mm
H-Maß bei Gl18:
14 mm
H-Maß für Gl20:
16 mm
H-Maß bei Gl22:
18 mm
H-Maß bei Gl30:
26 mm
H-Maß bei Gl32:
28 mm
H-Maß bei Gl36:
32 mm
H-Maß bei Gl40:
36 mm
H-Maß bei Gl42:
38 mm
H-Maß bei Gl46:
42 mm
H-Maß für Gl50:
46 mm
H-Maß bei Gl56:
52 mm
H-Maß für Gl60:
56 mm
H-Maß bei Gl66:
62 mm
Liefereinheit:
10 Stck
c)
200-0616.00-00000
Zunge L35
Details
H-Maß bei Gl12:
10 mm
H-Maß bei Gl18:
16 mm
H-Maß für Gl20:
18 mm
H-Maß bei Gl22:
20 mm
H-Maß bei Gl30:
28 mm
H-Maß bei Gl32:
30 mm
H-Maß bei Gl36:
34 mm
H-Maß bei Gl40:
38 mm
H-Maß bei Gl42:
40 mm
H-Maß bei Gl46:
44 mm
H-Maß für Gl50:
48 mm
H-Maß bei Gl56:
54 mm
H-Maß für Gl60:
58 mm
H-Maß bei Gl66:
64 mm
Liefereinheit:
10 Stck
c)
200-0618.00-00000
Zunge L35
Details
H-Maß bei Gl12:
12 mm
H-Maß bei Gl18:
18 mm
H-Maß für Gl20:
20 mm
H-Maß bei Gl22:
22 mm
H-Maß bei Gl30:
30 mm
H-Maß bei Gl32:
32 mm
H-Maß bei Gl36:
36 mm
H-Maß bei Gl40:
40 mm
H-Maß bei Gl42:
42 mm
H-Maß bei Gl46:
46 mm
H-Maß für Gl50:
50 mm
H-Maß bei Gl56:
56 mm
H-Maß für Gl60:
60 mm
H-Maß bei Gl66:
66 mm
Liefereinheit:
10 Stck
c)
200-0620.00-00000
Zunge L35
Details
H-Maß bei Gl12:
14 mm
H-Maß bei Gl18:
20 mm
H-Maß für Gl20:
22 mm
H-Maß bei Gl22:
24 mm
H-Maß bei Gl30:
32 mm
H-Maß bei Gl32:
34 mm
H-Maß bei Gl36:
38 mm
H-Maß bei Gl40:
42 mm
H-Maß bei Gl42:
44 mm
H-Maß bei Gl46:
48 mm
H-Maß für Gl50:
52 mm
H-Maß bei Gl56:
58 mm
H-Maß für Gl60:
62 mm
H-Maß bei Gl66:
68 mm
Liefereinheit:
10 Stck
c)
200-0622.00-00000
Zunge L35
Details
H-Maß bei Gl12:
16 mm
H-Maß bei Gl18:
22 mm
H-Maß für Gl20:
24 mm
H-Maß bei Gl22:
26 mm
H-Maß bei Gl30:
34 mm
H-Maß bei Gl32:
36 mm
H-Maß bei Gl36:
40 mm
H-Maß bei Gl40:
44 mm
H-Maß bei Gl42:
46 mm
H-Maß bei Gl46:
50 mm
H-Maß für Gl50:
54 mm
H-Maß bei Gl56:
60 mm
H-Maß für Gl60:
64 mm
H-Maß bei Gl66:
70 mm
Liefereinheit:
10 Stck
c)
200-0624.00-00000
Zunge L35
Details
H-Maß bei Gl12:
18 mm
H-Maß bei Gl18:
24 mm
H-Maß für Gl20:
26 mm
H-Maß bei Gl22:
28 mm
H-Maß bei Gl30:
36 mm
H-Maß bei Gl32:
38 mm
H-Maß bei Gl36:
42 mm
H-Maß bei Gl40:
46 mm
H-Maß bei Gl42:
48 mm
H-Maß bei Gl46:
52 mm
H-Maß für Gl50:
56 mm
H-Maß bei Gl56:
62 mm
H-Maß für Gl60:
66 mm
H-Maß bei Gl66:
72 mm
Liefereinheit:
10 Stck
c)
200-0625.00-00000
Zunge L35
Details
H-Maß bei Gl12:
19 mm
H-Maß bei Gl18:
25 mm
H-Maß für Gl20:
27 mm
H-Maß bei Gl22:
29 mm
H-Maß bei Gl30:
37 mm
H-Maß bei Gl32:
39 mm
H-Maß bei Gl36:
43 mm
H-Maß bei Gl40:
47 mm
H-Maß bei Gl42:
49 mm
H-Maß bei Gl46:
53 mm
H-Maß für Gl50:
57 mm
H-Maß bei Gl56:
63 mm
H-Maß für Gl60:
67 mm
H-Maß bei Gl66:
73 mm
Liefereinheit:
10 Stck
c)
200-0626.00-00000
Zunge L35
Details
H-Maß bei Gl12:
20 mm
H-Maß bei Gl18:
26 mm
H-Maß für Gl20:
28 mm
H-Maß bei Gl22:
30 mm
H-Maß bei Gl30:
38 mm
H-Maß bei Gl32:
40 mm
H-Maß bei Gl36:
44 mm
H-Maß bei Gl40:
48 mm
H-Maß bei Gl42:
50 mm
H-Maß bei Gl46:
54 mm
H-Maß für Gl50:
58 mm
H-Maß bei Gl56:
64 mm
H-Maß für Gl60:
68 mm
H-Maß bei Gl66:
74 mm
Liefereinheit:
10 Stck
c)
200-0628.00-00000
Zunge L35
Details
H-Maß bei Gl12:
22 mm
H-Maß bei Gl18:
28 mm
H-Maß für Gl20:
30 mm
H-Maß bei Gl22:
32 mm
H-Maß bei Gl30:
40 mm
H-Maß bei Gl32:
42 mm
H-Maß bei Gl36:
46 mm
H-Maß bei Gl40:
50 mm
H-Maß bei Gl42:
52 mm
H-Maß bei Gl46:
56 mm
H-Maß für Gl50:
60 mm
H-Maß bei Gl56:
66 mm
H-Maß für Gl60:
70 mm
H-Maß bei Gl66:
76 mm
Liefereinheit:
10 Stck
c)
200-0630.00-00000
Zunge L35
Details
H-Maß bei Gl12:
24 mm
H-Maß bei Gl18:
30 mm
H-Maß für Gl20:
32 mm
H-Maß bei Gl22:
34 mm
H-Maß bei Gl30:
42 mm
H-Maß bei Gl32:
44 mm
H-Maß bei Gl36:
48 mm
H-Maß bei Gl40:
52 mm
H-Maß bei Gl42:
54 mm
H-Maß bei Gl46:
58 mm
H-Maß für Gl50:
62 mm
H-Maß bei Gl56:
68 mm
H-Maß für Gl60:
72 mm
H-Maß bei Gl66:
78 mm
Liefereinheit:
10 Stck
c)
200-0635.00-00000
Zunge L35
Details
H-Maß bei Gl12:
29 mm
H-Maß bei Gl18:
35 mm
H-Maß für Gl20:
37 mm
H-Maß bei Gl22:
39 mm
H-Maß bei Gl30:
47 mm
H-Maß bei Gl32:
49 mm
H-Maß bei Gl36:
53 mm
H-Maß bei Gl40:
57 mm
H-Maß bei Gl42:
59 mm
H-Maß bei Gl46:
63 mm
H-Maß für Gl50:
67 mm
H-Maß bei Gl56:
73 mm
H-Maß für Gl60:
77 mm
H-Maß bei Gl66:
83 mm
Liefereinheit:
10 Stck
c)
200-0638.00-00000
Zunge L35
Details
H-Maß bei Gl12:
32 mm
H-Maß bei Gl18:
38 mm
H-Maß für Gl20:
40 mm
H-Maß bei Gl22:
42 mm
H-Maß bei Gl30:
50 mm
H-Maß bei Gl32:
52 mm
H-Maß bei Gl36:
56 mm
H-Maß bei Gl40:
60 mm
H-Maß bei Gl42:
62 mm
H-Maß bei Gl46:
66 mm
H-Maß für Gl50:
70 mm
H-Maß bei Gl56:
76 mm
H-Maß für Gl60:
80 mm
H-Maß bei Gl66:
86 mm
Liefereinheit:
10 Stck
c)
200-0640.00-00000
Zunge L35
Details
H-Maß bei Gl12:
34 mm
H-Maß bei Gl18:
40 mm
H-Maß für Gl20:
42 mm
H-Maß bei Gl22:
44 mm
H-Maß bei Gl30:
52 mm
H-Maß bei Gl32:
54 mm
H-Maß bei Gl36:
58 mm
H-Maß bei Gl40:
62 mm
H-Maß bei Gl42:
64 mm
H-Maß bei Gl46:
68 mm
H-Maß für Gl50:
72 mm
H-Maß bei Gl56:
78 mm
H-Maß für Gl60:
82 mm
H-Maß bei Gl66:
88 mm
Liefereinheit:
10 Stck
c)
200-0642.00-00000
Zunge L35
Details
H-Maß bei Gl12:
36 mm
H-Maß bei Gl18:
42 mm
H-Maß für Gl20:
44 mm
H-Maß bei Gl22:
46 mm
H-Maß bei Gl30:
54 mm
H-Maß bei Gl32:
56 mm
H-Maß bei Gl36:
60 mm
H-Maß bei Gl40:
64 mm
H-Maß bei Gl42:
66 mm
H-Maß bei Gl46:
70 mm
H-Maß für Gl50:
74 mm
H-Maß bei Gl56:
80 mm
H-Maß für Gl60:
84 mm
H-Maß bei Gl66:
90 mm
Liefereinheit:
10 Stck
c)
200-0644.00-00000
Zunge L35
Details
H-Maß bei Gl12:
38 mm
H-Maß bei Gl18:
44 mm
H-Maß für Gl20:
46 mm
H-Maß bei Gl22:
48 mm
H-Maß bei Gl30:
56 mm
H-Maß bei Gl32:
58 mm
H-Maß bei Gl36:
62 mm
H-Maß bei Gl40:
66 mm
H-Maß bei Gl42:
68 mm
H-Maß bei Gl46:
72 mm
H-Maß für Gl50:
76 mm
H-Maß bei Gl56:
82 mm
H-Maß für Gl60:
86 mm
H-Maß bei Gl66:
92 mm
Liefereinheit:
10 Stck
c)
200-9504.00-00000
Flügelzunge
Details
H-Maß bei Gl12:
H-Maß bei Gl18:
4 mm
H-Maß für Gl20:
6 mm
H-Maß bei Gl22:
8 mm
H-Maß bei Gl30:
16 mm
H-Maß bei Gl32:
18 mm
H-Maß bei Gl36:
22 mm
H-Maß bei Gl40:
26 mm
H-Maß bei Gl42:
28 mm
H-Maß bei Gl46:
32 mm
H-Maß für Gl50:
36 mm
H-Maß bei Gl56:
42 mm
H-Maß für Gl60:
46 mm
H-Maß bei Gl66:
52 mm
Liefereinheit:
1 Stck
c)
200-9506.00-00000
Flügelzunge
Details
H-Maß bei Gl12:
H-Maß bei Gl18:
6 mm
H-Maß für Gl20:
8 mm
H-Maß bei Gl22:
10 mm
H-Maß bei Gl30:
18 mm
H-Maß bei Gl32:
20 mm
H-Maß bei Gl36:
24 mm
H-Maß bei Gl40:
28 mm
H-Maß bei Gl42:
30 mm
H-Maß bei Gl46:
34 mm
H-Maß für Gl50:
38 mm
H-Maß bei Gl56:
44 mm
H-Maß für Gl60:
48 mm
H-Maß bei Gl66:
54 mm
Liefereinheit:
1 Stck
c)
200-9508.00-00000
Flügelzunge
Details
H-Maß bei Gl12:
H-Maß bei Gl18:
8 mm
H-Maß für Gl20:
10 mm
H-Maß bei Gl22:
12 mm
H-Maß bei Gl30:
20 mm
H-Maß bei Gl32:
22 mm
H-Maß bei Gl36:
26 mm
H-Maß bei Gl40:
30 mm
H-Maß bei Gl42:
32 mm
H-Maß bei Gl46:
36 mm
H-Maß für Gl50:
40 mm
H-Maß bei Gl56:
46 mm
H-Maß für Gl60:
50 mm
H-Maß bei Gl66:
56 mm
Liefereinheit:
1 Stck
c)
200-9510.00-00000
Flügelzunge
Details
H-Maß bei Gl12:
H-Maß bei Gl18:
10 mm
H-Maß für Gl20:
12 mm
H-Maß bei Gl22:
14 mm
H-Maß bei Gl30:
22 mm
H-Maß bei Gl32:
24 mm
H-Maß bei Gl36:
28 mm
H-Maß bei Gl40:
32 mm
H-Maß bei Gl42:
34 mm
H-Maß bei Gl46:
38 mm
H-Maß für Gl50:
42 mm
H-Maß bei Gl56:
48 mm
H-Maß für Gl60:
52 mm
H-Maß bei Gl66:
58 mm
Liefereinheit:
1 Stck
c)
200-9513.00-00000
Flügelzunge
Details
H-Maß bei Gl12:
7 mm
H-Maß bei Gl18:
13 mm
H-Maß für Gl20:
15 mm
H-Maß bei Gl22:
17 mm
H-Maß bei Gl30:
25 mm
H-Maß bei Gl32:
27 mm
H-Maß bei Gl36:
31 mm
H-Maß bei Gl40:
35 mm
H-Maß bei Gl42:
37 mm
H-Maß bei Gl46:
41 mm
H-Maß für Gl50:
45 mm
H-Maß bei Gl56:
51 mm
H-Maß für Gl60:
55 mm
H-Maß bei Gl66:
61 mm
Liefereinheit:
1 Stck
c)
200-9514.00-00000
Flügelzunge
Details
H-Maß bei Gl12:
8 mm
H-Maß bei Gl18:
14 mm
H-Maß für Gl20:
16 mm
H-Maß bei Gl22:
18 mm
H-Maß bei Gl30:
26 mm
H-Maß bei Gl32:
28 mm
H-Maß bei Gl36:
32 mm
H-Maß bei Gl40:
36 mm
H-Maß bei Gl42:
38 mm
H-Maß bei Gl46:
42 mm
H-Maß für Gl50:
46 mm
H-Maß bei Gl56:
52 mm
H-Maß für Gl60:
56 mm
H-Maß bei Gl66:
62 mm
Liefereinheit:
1 Stck
c)
200-9516.00-00000
Flügelzunge
Details
H-Maß bei Gl12:
10 mm
H-Maß bei Gl18:
16 mm
H-Maß für Gl20:
18 mm
H-Maß bei Gl22:
20 mm
H-Maß bei Gl30:
28 mm
H-Maß bei Gl32:
30 mm
H-Maß bei Gl36:
34 mm
H-Maß bei Gl40:
38 mm
H-Maß bei Gl42:
40 mm
H-Maß bei Gl46:
44 mm
H-Maß für Gl50:
48 mm
H-Maß bei Gl56:
54 mm
H-Maß für Gl60:
58 mm
H-Maß bei Gl66:
64 mm
Liefereinheit:
1 Stck
c)
200-9518.00-00000
Flügelzunge
Details
H-Maß bei Gl12:
12 mm
H-Maß bei Gl18:
18 mm
H-Maß für Gl20:
20 mm
H-Maß bei Gl22:
22 mm
H-Maß bei Gl30:
30 mm
H-Maß bei Gl32:
32 mm
H-Maß bei Gl36:
36 mm
H-Maß bei Gl40:
40 mm
H-Maß bei Gl42:
42 mm
H-Maß bei Gl46:
46 mm
H-Maß für Gl50:
50 mm
H-Maß bei Gl56:
56 mm
H-Maß für Gl60:
60 mm
H-Maß bei Gl66:
66 mm
Liefereinheit:
1 Stck
c)
200-9520.00-00000
Flügelzunge
Details
H-Maß bei Gl12:
14 mm
H-Maß bei Gl18:
20 mm
H-Maß für Gl20:
22 mm
H-Maß bei Gl22:
24 mm
H-Maß bei Gl30:
32 mm
H-Maß bei Gl32:
34 mm
H-Maß bei Gl36:
38 mm
H-Maß bei Gl40:
42 mm
H-Maß bei Gl42:
44 mm
H-Maß bei Gl46:
48 mm
H-Maß für Gl50:
52 mm
H-Maß bei Gl56:
58 mm
H-Maß für Gl60:
62 mm
H-Maß bei Gl66:
68 mm
Liefereinheit:
1 Stck
c)
200-9522.00-00000
Flügelzunge
Details
H-Maß bei Gl12:
16 mm
H-Maß bei Gl18:
22 mm
H-Maß für Gl20:
24 mm
H-Maß bei Gl22:
26 mm
H-Maß bei Gl30:
34 mm
H-Maß bei Gl32:
36 mm
H-Maß bei Gl36:
40 mm
H-Maß bei Gl40:
44 mm
H-Maß bei Gl42:
46 mm
H-Maß bei Gl46:
50 mm
H-Maß für Gl50:
54 mm
H-Maß bei Gl56:
60 mm
H-Maß für Gl60:
64 mm
H-Maß bei Gl66:
70 mm
Liefereinheit:
1 Stck
c)
200-9524.00-00000
Flügelzunge
Details
H-Maß bei Gl12:
18 mm
H-Maß bei Gl18:
24 mm
H-Maß für Gl20:
26 mm
H-Maß bei Gl22:
28 mm
H-Maß bei Gl30:
36 mm
H-Maß bei Gl32:
38 mm
H-Maß bei Gl36:
42 mm
H-Maß bei Gl40:
46 mm
H-Maß bei Gl42:
48 mm
H-Maß bei Gl46:
52 mm
H-Maß für Gl50:
56 mm
H-Maß bei Gl56:
62 mm
H-Maß für Gl60:
66 mm
H-Maß bei Gl66:
72 mm
Liefereinheit:
1 Stck
c)
200-9525.00-00000
Flügelzunge
Details
H-Maß bei Gl12:
19 mm
H-Maß bei Gl18:
25 mm
H-Maß für Gl20:
27 mm
H-Maß bei Gl22:
29 mm
H-Maß bei Gl30:
37 mm
H-Maß bei Gl32:
39 mm
H-Maß bei Gl36:
43 mm
H-Maß bei Gl40:
47 mm
H-Maß bei Gl42:
49 mm
H-Maß bei Gl46:
53 mm
H-Maß für Gl50:
57 mm
H-Maß bei Gl56:
63 mm
H-Maß für Gl60:
67 mm
H-Maß bei Gl66:
73 mm
Liefereinheit:
1 Stck
c)
200-9526.00-00000
Flügelzunge
Details
H-Maß bei Gl12:
20 mm
H-Maß bei Gl18:
26 mm
H-Maß für Gl20:
28 mm
H-Maß bei Gl22:
30 mm
H-Maß bei Gl30:
38 mm
H-Maß bei Gl32:
40 mm
H-Maß bei Gl36:
44 mm
H-Maß bei Gl40:
48 mm
H-Maß bei Gl42:
50 mm
H-Maß bei Gl46:
54 mm
H-Maß für Gl50:
58 mm
H-Maß bei Gl56:
64 mm
H-Maß für Gl60:
68 mm
H-Maß bei Gl66:
74 mm
Liefereinheit:
1 Stck
c)
200-9528.00-00000
Flügelzunge
Details
H-Maß bei Gl12:
22 mm
H-Maß bei Gl18:
28 mm
H-Maß für Gl20:
30 mm
H-Maß bei Gl22:
32 mm
H-Maß bei Gl30:
40 mm
H-Maß bei Gl32:
42 mm
H-Maß bei Gl36:
46 mm
H-Maß bei Gl40:
50 mm
H-Maß bei Gl42:
52 mm
H-Maß bei Gl46:
56 mm
H-Maß für Gl50:
60 mm
H-Maß bei Gl56:
66 mm
H-Maß für Gl60:
70 mm
H-Maß bei Gl66:
76 mm
Liefereinheit:
1 Stck
c)
200-9530.00-00000
Flügelzunge
Details
H-Maß bei Gl12:
24 mm
H-Maß bei Gl18:
30 mm
H-Maß für Gl20:
32 mm
H-Maß bei Gl22:
34 mm
H-Maß bei Gl30:
42 mm
H-Maß bei Gl32:
44 mm
H-Maß bei Gl36:
48 mm
H-Maß bei Gl40:
52 mm
H-Maß bei Gl42:
54 mm
H-Maß bei Gl46:
58 mm
H-Maß für Gl50:
62 mm
H-Maß bei Gl56:
68 mm
H-Maß für Gl60:
72 mm
H-Maß bei Gl66:
78 mm
Liefereinheit:
1 Stck
c)
200-9532.00-00000
Flügelzunge
Details
H-Maß bei Gl12:
26 mm
H-Maß bei Gl18:
32 mm
H-Maß für Gl20:
34 mm
H-Maß bei Gl22:
36 mm
H-Maß bei Gl30:
44 mm
H-Maß bei Gl32:
46 mm
H-Maß bei Gl36:
50 mm
H-Maß bei Gl40:
54 mm
H-Maß bei Gl42:
56 mm
H-Maß bei Gl46:
60 mm
H-Maß für Gl50:
64 mm
H-Maß bei Gl56:
70 mm
H-Maß für Gl60:
74 mm
H-Maß bei Gl66:
80 mm
Liefereinheit:
1 Stck
c)
200-9534.00-00000
Flügelzunge
Details
H-Maß bei Gl12:
28 mm
H-Maß bei Gl18:
34 mm
H-Maß für Gl20:
36 mm
H-Maß bei Gl22:
38 mm
H-Maß bei Gl30:
46 mm
H-Maß bei Gl32:
48 mm
H-Maß bei Gl36:
52 mm
H-Maß bei Gl40:
56 mm
H-Maß bei Gl42:
58 mm
H-Maß bei Gl46:
62 mm
H-Maß für Gl50:
66 mm
H-Maß bei Gl56:
72 mm
H-Maß für Gl60:
76 mm
H-Maß bei Gl66:
82 mm
Liefereinheit:
1 Stck
c)
200-9535.00-00000
Flügelzunge
Details
H-Maß bei Gl12:
29 mm
H-Maß bei Gl18:
35 mm
H-Maß für Gl20:
37 mm
H-Maß bei Gl22:
39 mm
H-Maß bei Gl30:
47 mm
H-Maß bei Gl32:
49 mm
H-Maß bei Gl36:
53 mm
H-Maß bei Gl40:
57 mm
H-Maß bei Gl42:
59 mm
H-Maß bei Gl46:
63 mm
H-Maß für Gl50:
67 mm
H-Maß bei Gl56:
73 mm
H-Maß für Gl60:
77 mm
H-Maß bei Gl66:
83 mm
Liefereinheit:
1 Stck
c)
200-9536.00-00000
Flügelzunge
Details
H-Maß bei Gl12:
30 mm
H-Maß bei Gl18:
36 mm
H-Maß für Gl20:
38 mm
H-Maß bei Gl22:
40 mm
H-Maß bei Gl30:
48 mm
H-Maß bei Gl32:
50 mm
H-Maß bei Gl36:
54 mm
H-Maß bei Gl40:
58 mm
H-Maß bei Gl42:
60 mm
H-Maß bei Gl46:
64 mm
H-Maß für Gl50:
68 mm
H-Maß bei Gl56:
74 mm
H-Maß für Gl60:
78 mm
H-Maß bei Gl66:
84 mm
Liefereinheit:
1 Stck
c)
200-9538.00-00000
Flügelzunge
Details
H-Maß bei Gl12:
32 mm
H-Maß bei Gl18:
38 mm
H-Maß für Gl20:
40 mm
H-Maß bei Gl22:
42 mm
H-Maß bei Gl30:
50 mm
H-Maß bei Gl32:
52 mm
H-Maß bei Gl36:
56 mm
H-Maß bei Gl40:
60 mm
H-Maß bei Gl42:
62 mm
H-Maß bei Gl46:
66 mm
H-Maß für Gl50:
70 mm
H-Maß bei Gl56:
76 mm
H-Maß für Gl60:
80 mm
H-Maß bei Gl66:
86 mm
Liefereinheit:
1 Stck
c)
200-9540.00-00000
Flügelzunge
Details
H-Maß bei Gl12:
34 mm
H-Maß bei Gl18:
40 mm
H-Maß für Gl20:
42 mm
H-Maß bei Gl22:
44 mm
H-Maß bei Gl30:
52 mm
H-Maß bei Gl32:
54 mm
H-Maß bei Gl36:
58 mm
H-Maß bei Gl40:
62 mm
H-Maß bei Gl42:
64 mm
H-Maß bei Gl46:
68 mm
H-Maß für Gl50:
72 mm
H-Maß bei Gl56:
78 mm
H-Maß für Gl60:
82 mm
H-Maß bei Gl66:
88 mm
Liefereinheit:
1 Stck
c)
200-9542.00-00000
Flügelzunge
Details
H-Maß bei Gl12:
36 mm
H-Maß bei Gl18:
42 mm
H-Maß für Gl20:
44 mm
H-Maß bei Gl22:
46 mm
H-Maß bei Gl30:
54 mm
H-Maß bei Gl32:
56 mm
H-Maß bei Gl36:
60 mm
H-Maß bei Gl40:
64 mm
H-Maß bei Gl42:
66 mm
H-Maß bei Gl46:
70 mm
H-Maß für Gl50:
74 mm
H-Maß bei Gl56:
80 mm
H-Maß für Gl60:
84 mm
H-Maß bei Gl66:
90 mm
Liefereinheit:
1 Stck
c)
200-9544.00-00000
Flügelzunge
Details
H-Maß bei Gl12:
38 mm
H-Maß bei Gl18:
44 mm
H-Maß für Gl20:
46 mm
H-Maß bei Gl22:
48 mm
H-Maß bei Gl30:
56 mm
H-Maß bei Gl32:
58 mm
H-Maß bei Gl36:
62 mm
H-Maß bei Gl40:
66 mm
H-Maß bei Gl42:
68 mm
H-Maß bei Gl46:
72 mm
H-Maß für Gl50:
76 mm
H-Maß bei Gl56:
82 mm
H-Maß für Gl60:
86 mm
H-Maß bei Gl66:
92 mm
Liefereinheit:
1 Stck
c)
200-9545.00-00000
Flügelzunge zweiteilig
Details
H-Maß bei Gl12:
39 mm
H-Maß bei Gl18:
45 mm
H-Maß für Gl20:
47 mm
H-Maß bei Gl22:
49 mm
H-Maß bei Gl30:
57 mm
H-Maß bei Gl32:
59 mm
H-Maß bei Gl36:
63 mm
H-Maß bei Gl40:
67 mm
H-Maß bei Gl42:
69 mm
H-Maß bei Gl46:
73 mm
H-Maß für Gl50:
77 mm
H-Maß bei Gl56:
83 mm
H-Maß für Gl60:
87 mm
H-Maß bei Gl66:
93 mm
Liefereinheit:
1 Stck
c)
200-9547.00-00000
Flügelzunge zweiteilig
Details
H-Maß bei Gl12:
41 mm
H-Maß bei Gl18:
47 mm
H-Maß für Gl20:
49 mm
H-Maß bei Gl22:
51 mm
H-Maß bei Gl30:
59 mm
H-Maß bei Gl32:
61 mm
H-Maß bei Gl36:
65 mm
H-Maß bei Gl40:
69 mm
H-Maß bei Gl42:
71 mm
H-Maß bei Gl46:
75 mm
H-Maß für Gl50:
79 mm
H-Maß bei Gl56:
85 mm
H-Maß für Gl60:
89 mm
H-Maß bei Gl66:
95 mm
Liefereinheit:
1 Stck
c)
200-9550.00-00000
Flügelzunge zweiteilig
Details
H-Maß bei Gl12:
44 mm
H-Maß bei Gl18:
50 mm
H-Maß für Gl20:
52 mm
H-Maß bei Gl22:
54 mm
H-Maß bei Gl30:
62 mm
H-Maß bei Gl32:
64 mm
H-Maß bei Gl36:
68 mm
H-Maß bei Gl40:
72 mm
H-Maß bei Gl42:
74 mm
H-Maß bei Gl46:
78 mm
H-Maß für Gl50:
82 mm
H-Maß bei Gl56:
88 mm
H-Maß für Gl60:
92 mm
H-Maß bei Gl66:
98 mm
Liefereinheit:
1 Stck
c)
200-9599.00-00000
2-Punkt Zunge
c)
200-44LL.00-Hxxmm
Zunge, variabel, mit Auflaufschräge
Details
Ausführung:
mit Auflaufschräge
Anschlag:
Ja
Liefereinheit:
Auf Anfrage
c)
200-54LL.00-Hxxmm
Zunge, variabel, ohne Auflaufschräge
Details
Ausführung:
ohne Auflaufschräge
Anschlag:
Ja
Liefereinheit:
Auf Anfrage
Montageoptionen
Produktnummer
Name
200-0066.00-00000
Montage ohne O-Ring, rechte Ausführung
Details
Name:
Montage ohne O-Ring, rechte Ausführung
Liefereinheit:
1 Stck
200-0068.00-00000
Montage ohne O-Ring, linke Ausführung
Details
Name:
Montage ohne O-Ring, linke Ausführung
Liefereinheit:
1 Stck
Produktkonfiguration
Gewählte Ausführung
Produktnummer | 406-9007.00-00026 |
Liefereinheit: | 1 Stck |
Oberfläche: | verchromt |
Montageart: | werkzeuglos |
Verschlussart: | gleichschließend DIRAK 1333 |
Klemmbereich (S): | 2,3 mm - 3 mm |
Gewählte Zusatzprodukte
[keine] |