[2-090]
Swinghandle RS PrC for Profile-Cylinder
















Advantages
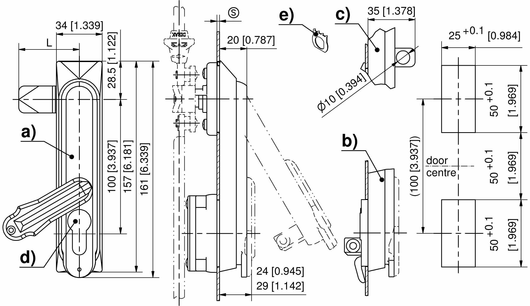
- Swinghandle with liftable operating lever.
- 90° Closing rotation.
- Swinghandle can be locked with profile-cylinders with 45° or 90° locking cam.
- The listed swinghandles, can be retrofitted with a sliding cap (product system 2-091).
- The sliding cap can be used for profile-cylinders from product system 2-140 and also for raised profile cylinders.
- IP65 according to DIN EN 60529 - version dish with cap.
- RH / LH application.
- Grounding by grounding clip (optional).
Material
- Handle, dish and cylinder dustcover: see table
- Shaft: brass
- Bearing plate: zinc die, untreated
- Cap: PA, black
- Seals: NBR
Remarks
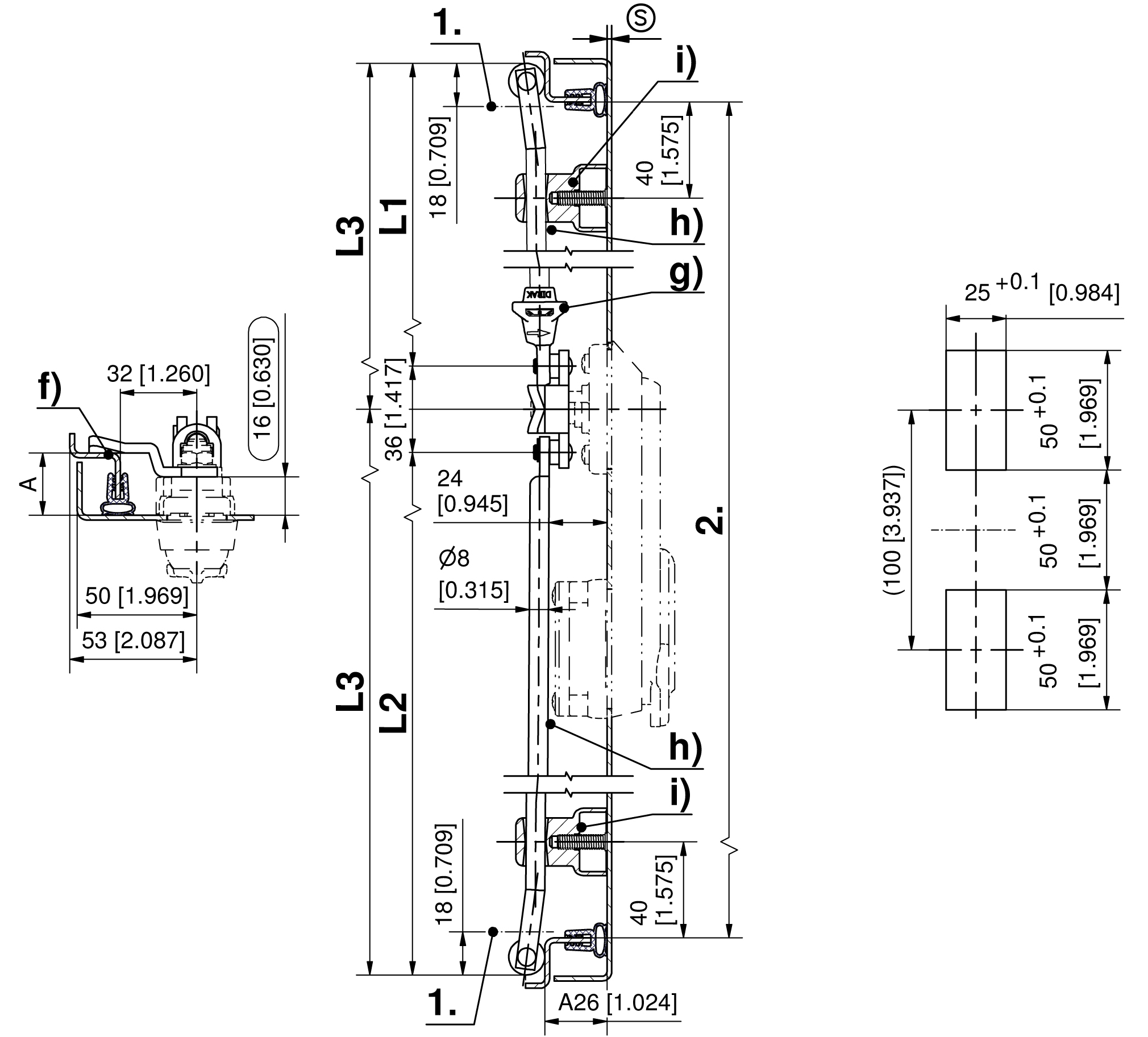
(S) Door-thickness 1.5 - 2.5mmDrawings for rod calculation (see accessories):
1. stroke 18mm
2. clearance
Profile cylinders and their assembly must be ordered separately.
Screws M5x16 for fastening cylinder included.
Alternative products see also 2-090.01, 2-090.02, 2-090.03, 2-090.04.
Selected version
Product number | 207-9282.00-00000 |
Delivery Unit: | 1 pc. |
IP protection: | IP65 |
Surface dish: | black |
Surface handle: | black |
Dish material: | PA |
Dish : | with cap |
Latching type: | PHZ 40mm |
Handle material: | PA |
Cylinder cover material: | - |
Securable : | - |
Padlock bolt: | - |
Related Products
Accessories
Article no.
Name
h)
201-0102.00-00000
Round rod 400mm
Details
Version:
with eye
Length:
400 mm
variable length:
Delivery Unit:
1 pc.
h)
201-0103.00-00000
Round rod 500mm
Details
Version:
with eye
Length:
500 mm
variable length:
Delivery Unit:
1 pc.
h)
201-0104.00-00000
Round rod 600mm
Details
Version:
with eye
Length:
600 mm
variable length:
Delivery Unit:
1 pc.
h)
201-0105.00-00000
Round rod 700mm
Details
Version:
with eye
Length:
700 mm
variable length:
Delivery Unit:
1 pc.
h)
201-0106.00-00000
Round rod 800mm
Details
Version:
with eye
Length:
800 mm
variable length:
Delivery Unit:
1 pc.
h)
201-0107.00-00000
Round rod 900mm
Details
Version:
with eye
Length:
900 mm
variable length:
Delivery Unit:
1 pc.
h)
201-0108.00-00000
Round rod 1000mm
Details
Version:
with eye
Length:
1000 mm
variable length:
Delivery Unit:
1 pc.
h)
201-0109.00-00000
Round rod 1100mm
Details
Version:
with eye
Length:
1100 mm
variable length:
Delivery Unit:
1 pc.
h)
201-0110.00-00000
Round rod 1200mm
Details
Version:
with eye
Length:
1200 mm
variable length:
Delivery Unit:
1 pc.
h)
201-0112.00-Lxxmm
Round rod, variable length
Details
Version:
with eye
Length:
variable length:
Yes
Delivery Unit:
on request
h)
201-0111.00-Lxxmm
Round rod, variable length
Details
Version:
with eye and chamfered end
Length:
variable length:
Yes
Delivery Unit:
on request
h)
201-9006.00-Lxxmm
Round rod, variable length
Details
Version:
with eye and rollers
Length:
variable length:
Yes
Delivery Unit:
on request
h)
201-9021.00-Lxxmm
Round rod, variable length, with eye parallel to the roller
Details
Version:
with eye and rollers, eye parallel to the roller
Length:
variable length:
Yes
Delivery Unit:
on request
h)
201-9001.00-00000
Round rod 400mm
h)
201-9020.00-00500
Round rod 500mm
h)
201-9002.00-00000
Round rod 600mm
h)
201-9020.00-00700
Round rod 700mm
h)
201-9003.00-00000
Round rod 800mm
h)
201-9020.00-00900
Round rod 900mm
h)
201-9004.00-00000
Round rod 1000mm
h)
201-9020.00-01100
Round rod 1100mm
h)
201-9005.00-00000
Round rod 1200mm
h)
201-9020.00-Lxxmm
Round rod, variable length
g)
200-9621.00-00000
Adapter for Round Rods Ø8mm PA
Details
Rod diameter Ø:
8 mm
quick-fit:
Yes
Installation type:
tool-less
Delivery Unit:
1 pc.
g)
200-9601.00-00000
Adapter for Round Rods Ø8mm
Details
Rod diameter Ø:
8 mm
Installation type:
screw-on
Delivery Unit:
1 pc.
g)
200-9604.00-00000
Adapter for Round Rods Ø10mm
Details
Rod diameter Ø:
10 mm
Installation type:
screw-on
Delivery Unit:
50 pcs.
i)
200-3623.51-00000
Rod guide, hight 32mm
Details
A:
20 mm
L:
24 mm
Height H:
32 mm
Installation type:
screw-on
Delivery Unit:
1 pc.
i)
200-3624.51-00000
Rod guide, hight 36mm
Details
A:
24 mm
L:
28 mm
Height H:
36 mm
Installation type:
screw-on
Delivery Unit:
1 pc.
i)
200-3625.51-00000
Rod guide, hight 38mm
Details
A:
26 mm
L:
30 mm
Height H:
38 mm
Installation type:
screw-on
Delivery Unit:
1 pc.
i)
200-3626.51-00000
Rod guide, hight 40mm
Details
A:
28 mm
L:
32 mm
Height H:
40 mm
Installation type:
screw-on
Delivery Unit:
1 pc.
i)
200-3616.54-00000
Rod guide, hight 35mm
Details
Height H:
35 mm
A = bending:
A24
L:
28 mm
Installation type:
tool-less
Delivery Unit:
1 pc.
i)
200-3617.54-00000
Rod guide, hight 37mm
Details
Height H:
37 mm
A = bending:
A26
L:
30 mm
Installation type:
tool-less
Delivery Unit:
1 pc.
i)
200-3618.54-00000
Rod guide, hight 39mm
Details
Height H:
39 mm
A = bending:
A28
L:
32 mm
Installation type:
tool-less
Delivery Unit:
1 pc.
207-9702.00-00000
Sliding Cap
d)
211-9003.00-00000
DIRAK pin cylinder, DIN 18252, 8 x 45° adjustable, keyed alike
d)
211-9004.00-00000
DIRAK pin cylinder, DIN 18252, 8 x 45° adjustable, keyed different
d)
211-9101.00-00000
keyed different
Details
Latching type:
keyed different
Closing stroke:
Clip-in:
Yes
Delivery Unit:
1 pc.
d)
211-9102.00-00000
keyed alike DIRAK 1333
Details
Latching type:
keyed alike DIRAK 1333
Closing stroke:
Clip-in:
Yes
Delivery Unit:
1 pc.
d)
511-9102.00-00000
keyed alike DS200
Details
Latching type:
keyed alike DS200
Closing stroke:
Clip-in:
Yes
Delivery Unit:
1 pc.
d)
211-9301.00-00000
keyed different, 90°
Details
Latching type:
keyed different
Closing stroke:
90°
Clip-in:
No
Delivery Unit:
1 pc.
d)
211-9302.00-00000
keyed alike DIRAK 1333, 90°
Details
Latching type:
keyed alike DIRAK 1333
Closing stroke:
90°
Clip-in:
No
Delivery Unit:
1 pc.
d)
511-9302.00-00000
keyed alike DS200, 90°
Details
Latching type:
keyed alike DS200
Closing stroke:
90°
Clip-in:
No
Delivery Unit:
1 pc.
d)
211-9113.00-00000
Snap Profile-cylinder, keyed alike DIRAK 1333
Details
Latching type:
keyed alike DIRAK 1333
Clip-in:
Yes
Delivery Unit:
1 pc.
d)
211-9115.00-00000
Snap Profile-cylinder, keyed different (dual entry)
Details
Latching type:
keyed different (dual entry)
Clip-in:
Yes
Delivery Unit:
1 pc.
d)
211-9202.00-00000
insert square 6mm
Details
Insert:
Square 6mm
Closing stroke:
Clip-in:
Yes
Delivery Unit:
1 pc.
d)
211-9203.00-00000
insert square 7mm
Details
Insert:
Square 7mm
Closing stroke:
Clip-in:
Yes
Delivery Unit:
1 pc.
d)
211-9204.00-00000
insert square 8mm
Details
Insert:
Square 8mm
Closing stroke:
Clip-in:
Yes
Delivery Unit:
1 pc.
d)
211-9205.00-00000
insert square 8mm, slotted
Details
Insert:
Square 8mm, slotted
Closing stroke:
Clip-in:
Yes
Delivery Unit:
1 pc.
d)
211-9206.00-00000
insert triangular 7mm
Details
Insert:
Triangular 7mm
Closing stroke:
Clip-in:
Yes
Delivery Unit:
1 pc.
d)
211-9207.00-00000
insert triangular 8mm
Details
Insert:
Triangular 8mm
Closing stroke:
Clip-in:
Yes
Delivery Unit:
1 pc.
d)
211-9208.00-00000
insert double bit 3mm pin
Details
Insert:
Double bit 3mm pin
Closing stroke:
Clip-in:
Yes
Delivery Unit:
1 pc.
d)
211-9209.00-00000
insert double bit 5mm pin
Details
Insert:
Double bit 5mm pin
Closing stroke:
Clip-in:
Yes
Delivery Unit:
1 pc.
d)
211-9210.00-00000
insert triangular 6,5mm CNOMO
Details
Insert:
Triangular 6.5mm CNOMO
Closing stroke:
Clip-in:
Yes
Delivery Unit:
1 pc.
d)
211-9211.00-00000
insert socket hexagon 10mm
Details
Insert:
Socket hex. 10mm
Closing stroke:
Clip-in:
Yes
Delivery Unit:
1 pc.
d)
211-9212.00-00000
insert slotted 2x4mm
Details
Insert:
Slotted 2x4mm
Closing stroke:
Clip-in:
Yes
Delivery Unit:
1 pc.
d)
211-9213.00-00000
insert Daimler Benz type
Details
Insert:
Daimler Benz type
Closing stroke:
Clip-in:
Yes
Delivery Unit:
1 pc.
d)
211-9214.00-00000
insert crown type
Details
Insert:
Crown type
Closing stroke:
Clip-in:
Yes
Delivery Unit:
1 pc.
d)
211-9215.00-00000
insert square socket 6mm
Details
Insert:
Square socket 6mm
Closing stroke:
Clip-in:
Yes
Delivery Unit:
1 pc.
d)
211-9216.00-00000
insert square socket 7mm
Details
Insert:
Square socket 7mm
Closing stroke:
Clip-in:
Yes
Delivery Unit:
1 pc.
d)
211-9217.00-00000
insert square socket 8mm
Details
Insert:
Square socket 8mm
Closing stroke:
Clip-in:
Yes
Delivery Unit:
1 pc.
d)
211-9218.00-00000
insert slotted recessed coinproof
Details
Insert:
Slotted recessed coinproof
Closing stroke:
Clip-in:
Yes
Delivery Unit:
1 pc.
d)
211-9219.00-00000
insert half-round czech
Details
Insert:
Half-round czech
Closing stroke:
Clip-in:
Yes
Delivery Unit:
1 pc.
d)
211-9220.00-00000
insert hexagon Belcore 7/16''
Details
Insert:
Hex. Belcore 7/16"
Closing stroke:
Clip-in:
Yes
Delivery Unit:
1 pc.
d)
211-9235.00-00000
insert conical square 9mm
Details
Insert:
Conical square 9mm
Closing stroke:
Clip-in:
Yes
Delivery Unit:
1 pc.
d)
211-9203.00-00001
insert square 7mm, 360°
Details
Insert:
Square 7mm
Closing stroke:
360°
Clip-in:
No
Delivery Unit:
1 pc.
d)
211-9204.00-00001
insert square 8mm, 360°
Details
Insert:
Square 8mm
Closing stroke:
360°
Clip-in:
No
Delivery Unit:
1 pc.
d)
211-9206.00-00001
insert triangle 7mm, 360°
Details
Insert:
Triangular 7mm
Closing stroke:
360°
Clip-in:
No
Delivery Unit:
1 pc.
d)
211-9207.00-00001
insert triangle 8mm, 360°
Details
Insert:
Triangular 8mm
Closing stroke:
360°
Clip-in:
No
Delivery Unit:
1 pc.
d)
211-9208.00-00001
insert double bit 3mm pin, 360°
Details
Insert:
Double bit 3mm pin
Closing stroke:
360°
Clip-in:
No
Delivery Unit:
1 pc.
d)
211-9209.00-00001
insert double bit 5mm pin, 360°
Details
Insert:
Double bit 5mm pin
Closing stroke:
360°
Clip-in:
No
Delivery Unit:
1 pc.
d)
211-9212.00-00001
insert slotted 2x4mm, 360°
Details
Insert:
Slotted 2x4mm
Closing stroke:
360°
Clip-in:
No
Delivery Unit:
1 pc.
d)
211-8057.00-00000
insert conical square 9mm, 360°
Details
Insert:
Conical square 9mm
Closing stroke:
360°
Clip-in:
No
Delivery Unit:
1 pc.
d)
211-9106.00-00000
radial pin tumbler cylinder keyed different
Details
Locking:
Push button
Latching type:
keyed different
Clip-in:
Yes
Delivery Unit:
1 pc.
d)
211-9107.00-00000
radial pin tumbler cylinder keyed alike DIRAK D0205
Details
Locking:
Push button
Latching type:
keyed alike DIRAK D0205
Clip-in:
Yes
Delivery Unit:
1 pc.
d)
211-9244.00-00000
security insert with free rotating 8mm triangular front
Details
Insert:
Security insert with free rotating 8mm triangular front part
Clip-in:
Yes
Delivery Unit:
1 pc.
d)
211-0401.03-00000
Blind plug without spring-loaded ball
Details
Name:
Blind plug without spring-loaded ball
Clip-in:
No
Delivery Unit:
1 pc.
d)
211-9201.00-00000
Blind plug with spring-loaded ball
Details
Name:
Blind plug with spring-loaded ball
Clip-in:
Yes
Delivery Unit:
1 pc.
f)
207-9504.00-00000
3-point cam, H-dimension 4mm
f)
207-9506.00-00000
3-point cam, H-dimension 6mm
f)
207-9508.00-00000
3-point cam, H-dimension 8mm
f)
207-9510.00-00000
3-point cam, H-dimension 10mm
f)
207-9513.00-00000
3-point cam, H-dimension 13mm
f)
207-9514.00-00000
3-point cam, H-dimension 14mm
f)
207-9516.00-00000
3-point cam, H-dimension 16mm
f)
207-9518.00-00000
3-point cam, H-dimension 18mm
f)
207-9520.00-00000
3-point cam, H-dimension 20mm
f)
207-9522.00-00000
3-point cam, H-dimension 22mm
f)
207-9524.00-00000
3-point cam, H-dimension 24mm
f)
207-9525.00-00000
3-point cam, H-dimension 25mm
f)
207-9526.00-00000
3-point cam, H-dimension 26mm
f)
207-9528.00-00000
3-point cam, H-dimension 28mm
f)
207-9530.00-00000
3-point cam, H-dimension 30mm
f)
207-9532.00-00000
3-point cam, H-dimension 32mm
f)
207-9534.00-00000
3-point cam, H-dimension 34mm
f)
207-9535.00-00000
3-point cam, H-dimension 35mm
f)
207-9536.00-00000
3-point cam, H-dimension 36mm
f)
207-9538.00-00000
3-point cam, H-dimension 38mm
f)
207-9540.00-00000
3-point cam, H-dimension 40mm
f)
207-9542.00-00000
3-point cam, H-dimension 42mm
f)
207-9544.00-00000
3-point cam, H-dimension 44mm
f)
207-9545.00-00000
3-point cam, H-dimension 45mm
f)
207-9547.00-00000
3-point cam, H-dimension 47mm
f)
207-9550.00-00000
3-point cam, H-dimension 50mm
f)
200-9595.00-00000
Adapter for 3-point cam with stop
Details
Stop:
Yes
2-point locking:
Yes
3-point locking:
Yes
4-point locking:
Yes
Installation type:
screw-on
Delivery Unit:
1 pc.
f)
200-9596.00-00000
Adapter for 3-point cam with stop
Details
Stop:
Yes
2-point locking:
Yes
3-point locking:
Yes
4-point locking:
No
Installation type:
screw-on
Delivery Unit:
1 pc.
f)
207-9595.00-00000
Adapter for 3-point cam without stop
Details
Stop:
No
2-point locking:
Yes
3-point locking:
Yes
4-point locking:
Yes
Installation type:
screw-on
Delivery Unit:
1 pc.
f)
207-9596.00-00000
Adapter for 3-point cam without stop
Details
Stop:
No
2-point locking:
Yes
3-point locking:
Yes
4-point locking:
No
Installation type:
screw-on
Delivery Unit:
1 pc.
f)
207-9589.00-00000
3-Point Cam Adapter
Details
3-point locking:
Yes
Installation type:
screw-on
Delivery Unit:
1 pc.
e)
208-1206.93-00000
Grounding Clip Stainless Steel
Product Configuration
Selected version
Product number | 207-9282.00-00000 |
Delivery Unit: | 1 pc. |
IP protection: | IP65 |
Surface dish: | black |
Surface handle: | black |
Dish material: | PA |
Dish : | with cap |
Latching type: | PHZ 40mm |
Handle material: | PA |
Cylinder cover material: | - |
Securable : | - |
Padlock bolt: | - |
Selected additional products
[none] |