[2-103]
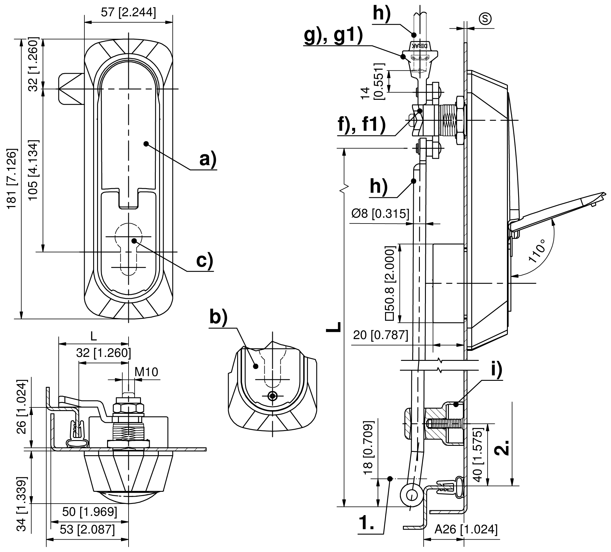
Swinghandle Zinc Die RS 105 for PHZ, RC2




































Advantages
- RH / LH application.
- Protected against unauthorized access by a bolt.
- Spring loaded, leap up handle.
- For profile-cylinders with length of 40 and 45 mm.
- Cylinder cover magnetically secured.
- Tested according to security class RCII (DIN EN 1630).
- Vibration-proof according to DIN EN 61373.
- To use the same door both RH and LH, 2 holes □46, symmetrical to door center are possible.
- (S) max. 8 mm.
Material
- Swinghandle, dish, dust cover and cap: zinc die, black
Remarks
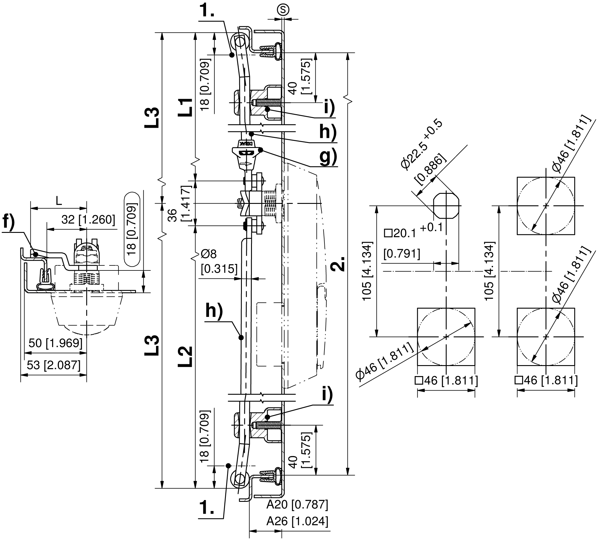
(S) Door-thickness max. 3mmDrawings for rod calculation (see accessories):
1. stroke 18mm
2. clearance
To use the same door both RH and LH, 2 holes □46, symmetrical to door center are possible.
Profile half cylinders and their assembly must be ordered separately.
Selected version
Product number | 207-9131.00-00000 |
Delivery Unit: | 1 pc. |
Installation type: | screw-on |
Cylinder cover material: | zinc die screwable |
Cylinder cover material: | zinc die, screwable |
Internal cover: | □46 |
Related Products
Assembly options
Article no.
Name
207-0016.00-00000
Assembling of inserts / profile-cylinder
Accessories
Article no.
Name
c)
211-9003.00-00000
DIRAK pin cylinder, DIN 18252, 8 x 45° adjustable, keyed alike
c)
211-9004.00-00000
DIRAK pin cylinder, DIN 18252, 8 x 45° adjustable, keyed different
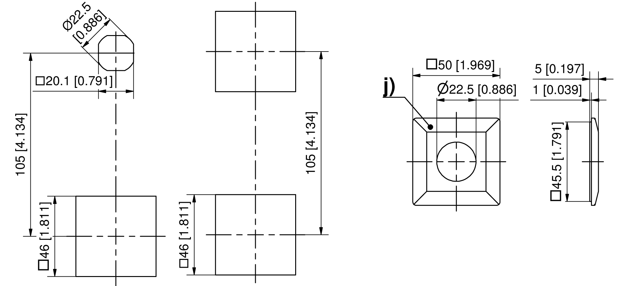
j)
602-0016.35-00000
Square adapter
j)
207-2803.00-00000
Gasket for adapter □46mm
Details
Name:
Gasket for adapter □46mm
Material:
inducon
Surface:
Delivery Unit:
1 pc.
f1)
207-9595.00-00000
Adapter for 3-point cam without stop
Details
Stop:
No
2-point locking:
Yes
3-point locking:
Yes
4-point locking:
Yes
Installation type:
screw-on
Delivery Unit:
1 pc.
f1)
207-9596.00-00000
Adapter for 3-point cam without stop
Details
Stop:
No
2-point locking:
Yes
3-point locking:
Yes
4-point locking:
No
Installation type:
screw-on
Delivery Unit:
1 pc.
h)
201-0102.00-00000
Round rod 400mm
Details
Version:
with eye
Length:
400 mm
variable length:
Delivery Unit:
1 pc.
h)
201-0103.00-00000
Round rod 500mm
Details
Version:
with eye
Length:
500 mm
variable length:
Delivery Unit:
1 pc.
h)
201-0104.00-00000
Round rod 600mm
Details
Version:
with eye
Length:
600 mm
variable length:
Delivery Unit:
1 pc.
h)
201-0105.00-00000
Round rod 700mm
Details
Version:
with eye
Length:
700 mm
variable length:
Delivery Unit:
1 pc.
h)
201-0106.00-00000
Round rod 800mm
Details
Version:
with eye
Length:
800 mm
variable length:
Delivery Unit:
1 pc.
h)
201-0107.00-00000
Round rod 900mm
Details
Version:
with eye
Length:
900 mm
variable length:
Delivery Unit:
1 pc.
h)
201-0108.00-00000
Round rod 1000mm
Details
Version:
with eye
Length:
1000 mm
variable length:
Delivery Unit:
1 pc.
h)
201-0109.00-00000
Round rod 1100mm
Details
Version:
with eye
Length:
1100 mm
variable length:
Delivery Unit:
1 pc.
h)
201-0110.00-00000
Round rod 1200mm
Details
Version:
with eye
Length:
1200 mm
variable length:
Delivery Unit:
1 pc.
h)
201-0112.00-Lxxmm
Round rod, variable length
Details
Version:
with eye
Length:
variable length:
Yes
Delivery Unit:
on request
h)
201-0111.00-Lxxmm
Round rod, variable length
Details
Version:
with eye and chamfered end
Length:
variable length:
Yes
Delivery Unit:
on request
h)
201-9006.00-Lxxmm
Round rod, variable length
Details
Version:
with eye and rollers
Length:
variable length:
Yes
Delivery Unit:
on request
h)
201-9021.00-Lxxmm
Round rod, variable length, with eye parallel to the roller
Details
Version:
with eye and rollers, eye parallel to the roller
Length:
variable length:
Yes
Delivery Unit:
on request
h)
201-9001.00-00000
Round rod 400mm
h)
201-9020.00-00500
Round rod 500mm
h)
201-9002.00-00000
Round rod 600mm
h)
201-9020.00-00700
Round rod 700mm
h)
201-9003.00-00000
Round rod 800mm
h)
201-9020.00-00900
Round rod 900mm
h)
201-9004.00-00000
Round rod 1000mm
h)
201-9020.00-01100
Round rod 1100mm
h)
201-9005.00-00000
Round rod 1200mm
h)
201-9020.00-Lxxmm
Round rod, variable length
g)
200-9621.00-00000
Adapter for Round Rods Ø8mm PA
Details
Rod diameter Ø:
8 mm
quick-fit:
Yes
Installation type:
tool-less
Delivery Unit:
1 pc.
g)
200-9601.00-00000
Adapter for Round Rods Ø8mm
Details
Rod diameter Ø:
8 mm
Installation type:
screw-on
Delivery Unit:
1 pc.
g)
200-9604.00-00000
Adapter for Round Rods Ø10mm
Details
Rod diameter Ø:
10 mm
Installation type:
screw-on
Delivery Unit:
50 pcs.
i)
200-3623.51-00000
Rod guide, hight 32mm
Details
A:
20 mm
L:
24 mm
Height H:
32 mm
Installation type:
screw-on
Delivery Unit:
1 pc.
i)
200-3624.51-00000
Rod guide, hight 36mm
Details
A:
24 mm
L:
28 mm
Height H:
36 mm
Installation type:
screw-on
Delivery Unit:
1 pc.
i)
200-3625.51-00000
Rod guide, hight 38mm
Details
A:
26 mm
L:
30 mm
Height H:
38 mm
Installation type:
screw-on
Delivery Unit:
1 pc.
i)
200-3626.51-00000
Rod guide, hight 40mm
Details
A:
28 mm
L:
32 mm
Height H:
40 mm
Installation type:
screw-on
Delivery Unit:
1 pc.
i)
200-9633.00-00000
Rod guide
Details
Height adjustable:
Yes
Adjustment range:
max. 8 mm
Installation type:
tool-less
Delivery Unit:
10 pcs.
i)
200-9615.00-00000
Rod guide, height adjustable
Details
Height adjustable:
Yes
Adjustment range:
max. + 5 mm
Installation type:
screw-on
Delivery Unit:
1 pc.
i)
200-3606.03-00000
Rod guide
Details
Height adjustable:
Adjustment range:
Installation type:
screw-on
Delivery Unit:
1 pc.
i)
200-3616.54-00000
Rod guide, hight 35mm
Details
Height H:
35 mm
A = bending:
A24
L:
28 mm
Installation type:
tool-less
Delivery Unit:
1 pc.
i)
200-3617.54-00000
Rod guide, hight 37mm
Details
Height H:
37 mm
A = bending:
A26
L:
30 mm
Installation type:
tool-less
Delivery Unit:
1 pc.
i)
200-3618.54-00000
Rod guide, hight 39mm
Details
Height H:
39 mm
A = bending:
A28
L:
32 mm
Installation type:
tool-less
Delivery Unit:
1 pc.
f)
207-9504.00-00000
3-point cam, H-dimension 4mm
f)
207-9506.00-00000
3-point cam, H-dimension 6mm
f)
207-9508.00-00000
3-point cam, H-dimension 8mm
f)
207-9510.00-00000
3-point cam, H-dimension 10mm
f)
207-9513.00-00000
3-point cam, H-dimension 13mm
f)
207-9514.00-00000
3-point cam, H-dimension 14mm
f)
207-9516.00-00000
3-point cam, H-dimension 16mm
f)
207-9518.00-00000
3-point cam, H-dimension 18mm
f)
207-9520.00-00000
3-point cam, H-dimension 20mm
f)
207-9522.00-00000
3-point cam, H-dimension 22mm
f)
207-9524.00-00000
3-point cam, H-dimension 24mm
f)
207-9525.00-00000
3-point cam, H-dimension 25mm
f)
207-9526.00-00000
3-point cam, H-dimension 26mm
f)
207-9528.00-00000
3-point cam, H-dimension 28mm
f)
207-9530.00-00000
3-point cam, H-dimension 30mm
f)
207-9532.00-00000
3-point cam, H-dimension 32mm
f)
207-9534.00-00000
3-point cam, H-dimension 34mm
f)
207-9535.00-00000
3-point cam, H-dimension 35mm
f)
207-9536.00-00000
3-point cam, H-dimension 36mm
f)
207-9538.00-00000
3-point cam, H-dimension 38mm
f)
207-9540.00-00000
3-point cam, H-dimension 40mm
f)
207-9542.00-00000
3-point cam, H-dimension 42mm
f)
207-9544.00-00000
3-point cam, H-dimension 44mm
f)
207-9545.00-00000
3-point cam, H-dimension 45mm
f)
207-9547.00-00000
3-point cam, H-dimension 47mm
f)
207-9550.00-00000
3-point cam, H-dimension 50mm
Product Configuration
Selected version
Product number | 207-9131.00-00000 |
Delivery Unit: | 1 pc. |
Installation type: | screw-on |
Cylinder cover material: | zinc die screwable |
Cylinder cover material: | zinc die, screwable |
Internal cover: | □46 |
Selected additional products
[none] |