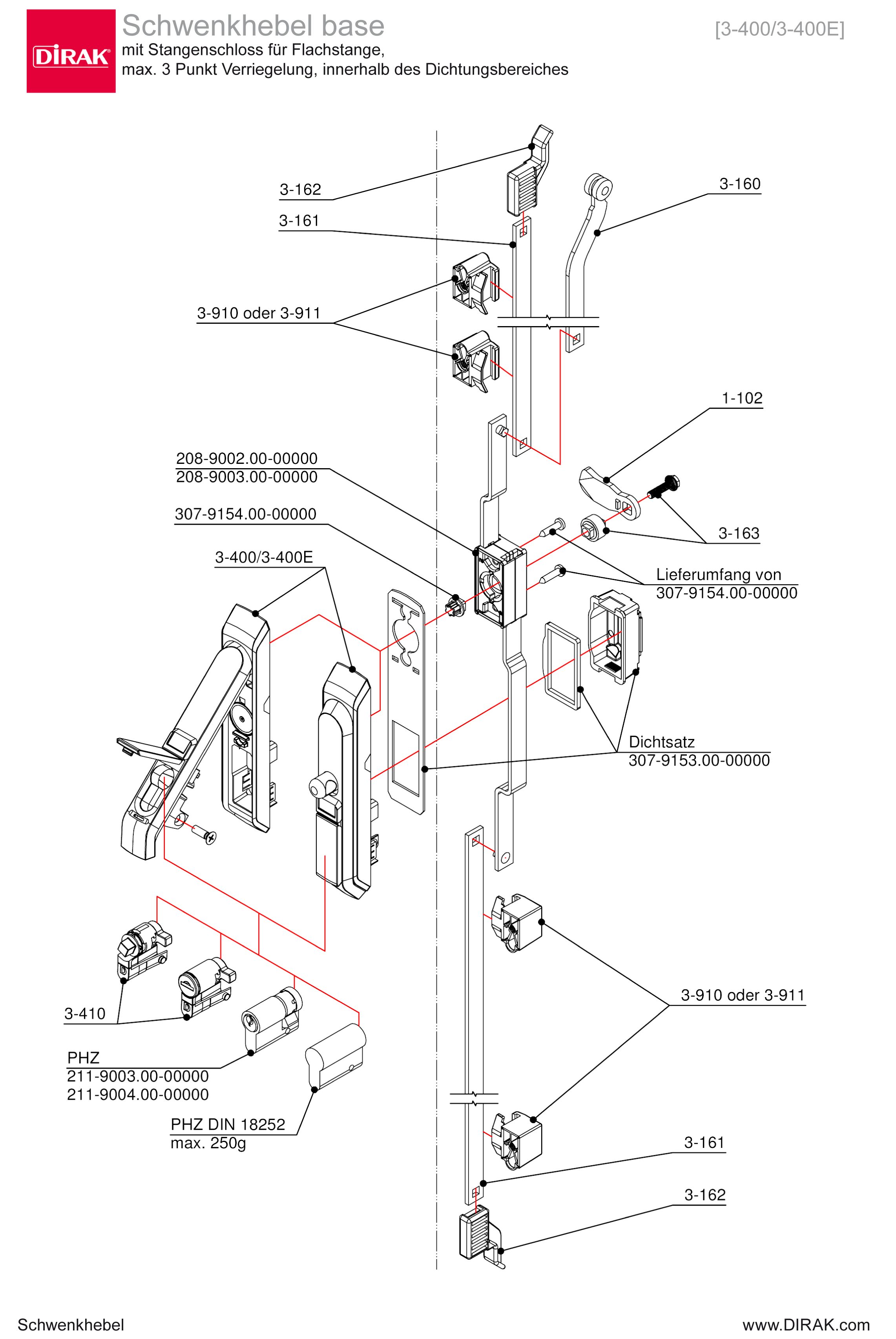
[3-400E]
Schwenkhebel base mit LED-Anzeige PrC
Vorteile
- LED-Anzeige visualisiert den Verschlussstatus und signalisiert den geöffneten Zustand durch frequentielles rotes Blinken.
- Werkzeugloser Zusammenbau.
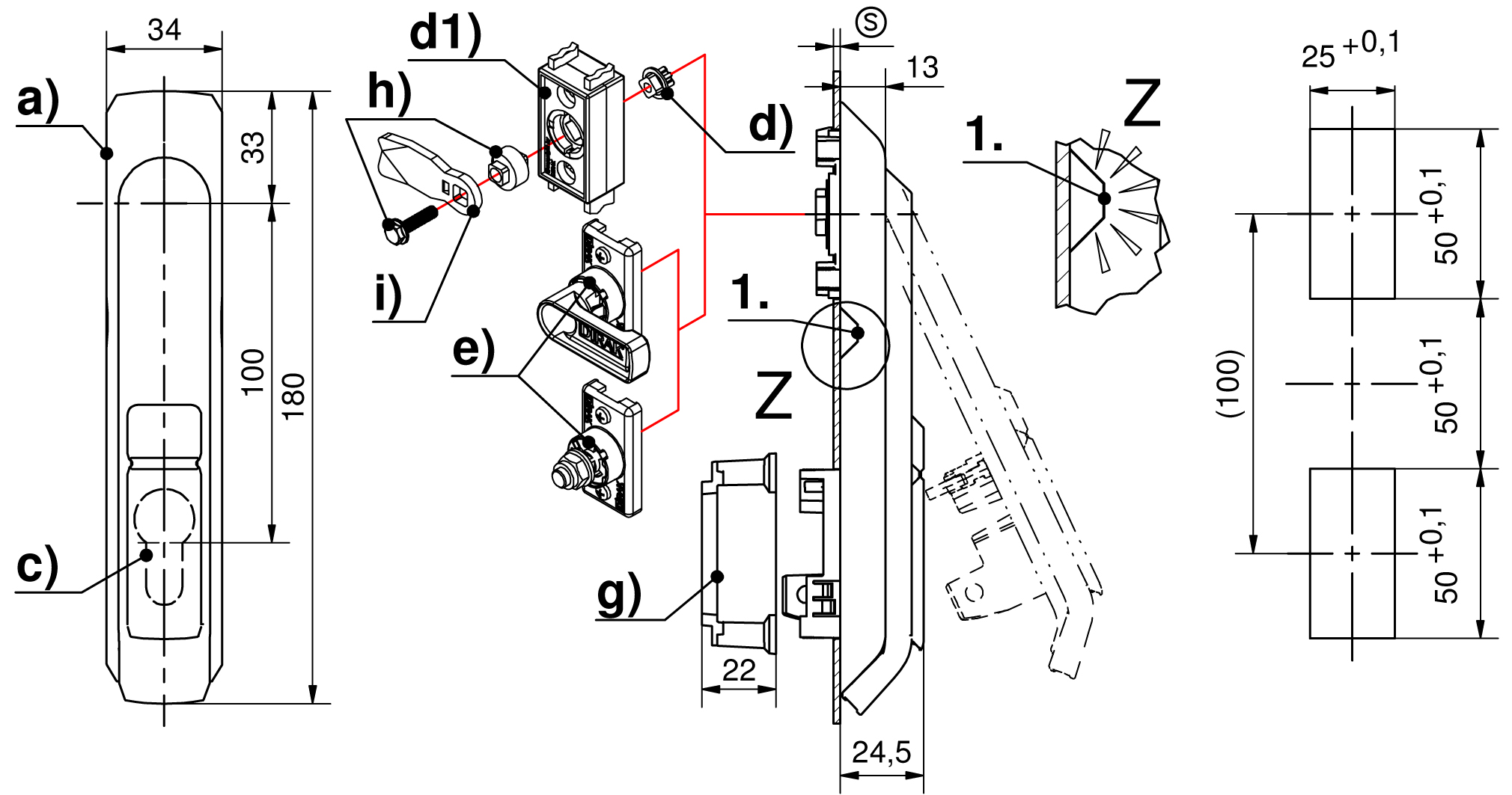
- Werkzeuglose Vormontage, selbsteinrastend für Blechstärke 1,5 bis 2,0mm.
- Blechstärken unabhängig bis 3mm.
- Fallenverschluss.
- Griff mit Aufstellfeder.
- Für Profil-Halbzylinder mit Verschlussstellung.
- Werkzeugloser Austausch der Zylinderabdeckung.
- IP65 nach DIN EN 60529 durch Dichtsatz (optional).
- Rechts / links einsetzbar.
Werkstoffe
- Griff, Mulde, Kappe: PA, schwarz
- Zylinderabdeckung: PA, schwarz 7043
- Gelenkdorn: Grivory
- Falle: POM
- LED-Trägerplatte: PMMA
- Feder: Stahl
Anmerkungen
(S) Türstärke 1,5 - 2,0mm1. Blinkende LED-Anzeige.
Batterie CR2032 3V gehört nicht zum Lieferumfang
Stangenschloss und Zungenadapter nicht mit negativ gekröpften Zungen kombinierbar.
Profilhalbzylinder und deren Montage müssen separat bestellt werden.
Verfügbare Ausführungen
Schwenkhebel PA, schwarz, für PHZ mit LED-Anzeige
Produktnummer
Ausführung
Verschlussart
Montageart
Liefereinheit
a)
307-9105.00-00000
PHZ 40mm
anschraubbar
1 Stck
a)
307-9106.00-00000
mit Blindstopfen
einrastend
anschraubbar
1 Stck