[MLR1000]
Schwenkhebel mechatronisch RS/FS PrC






















Vorteile
- Öffnungsbereitschaft aktivierbar über potentialfreien Kontakt oder durch direkte Spannungszufuhr.
- Griffstatus auswertbar.
- Statusanzeige via LED direkt am Griff.
- Beleuchtetes Informationsfeld - Farbe konfigurierbar.
- IP40 nach DIN EN 60529.
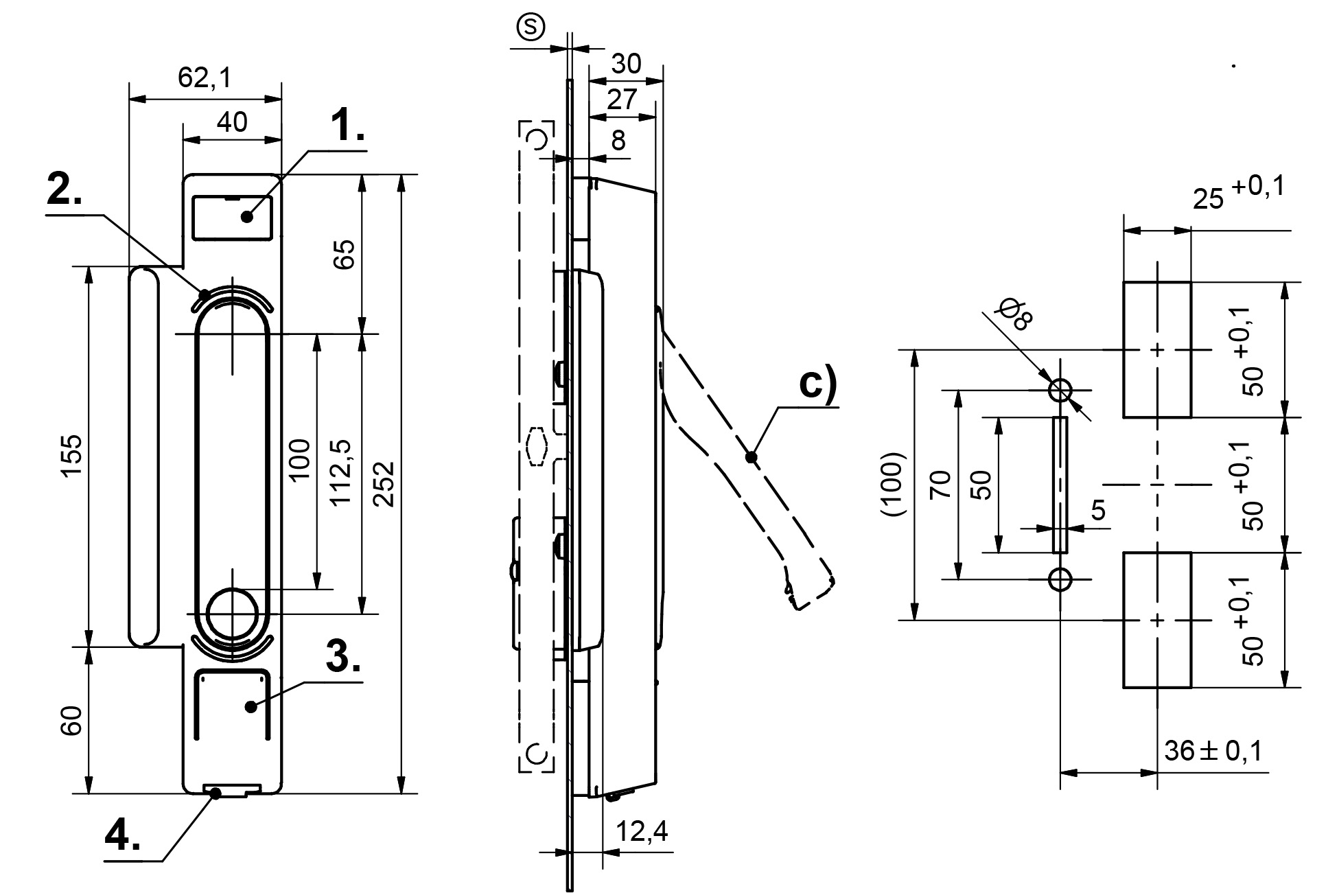
- Notöffnung mit Akku-Pack möglich. (4.)
Werkstoffe
Griff: GDZnMulde: ABS, schwarz
Kontrollbox: PA, schwarz
Anmerkungen
(S) Türstärke 1,5 - 2mm1. Infofeld
2. LED
3. Taster
Weitere technische Details siehe Datenblatt
Verfügbare Ausführungen
Schwenkhebel MLR1000
Produktnummer
Verwendung
Montageart
Liefereinheit
b)
610-9501.07-07101
Stangenschloss
anschraubbar
1 Stck
c)
610-9507.07-07101
Offset
anschraubbar
1 Stck
a)
610-9539.07-07101
Flügelzunge
anschraubbar
1 Stck
Zugehörige Produkte
Zubehöre