[2-126.05]
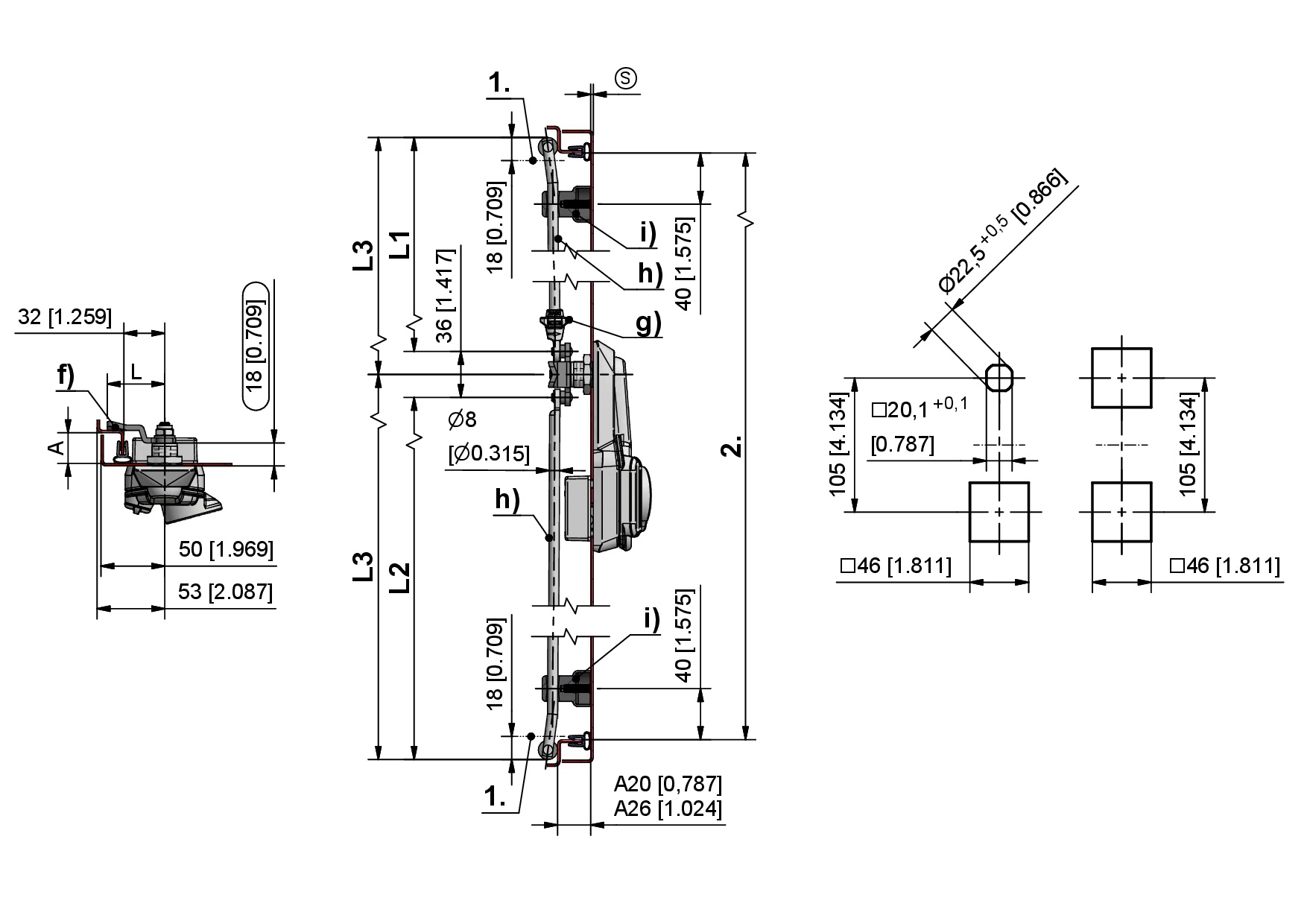
Dual-Key Cylinder Swinghandle RS 105 for iLOQ Cylinder D50S

















Advantages
- Dual-key cylinder swinghandle with pivotable operating lever.
- Complies with security test according to DIN EN 1630 RC2. Only in combination with profile-cylinders according to DIN 18252.
- Can be opened with either of the two key cylinders. Accepts 40mm and 45mm profile cylinders. When using the escutcheon, only a 45 mm cylinder can be used.
- The handle can be locked without using a key.
- Seismic-proof according to GR-63-CORE, Issue 4.
- Shock- and vibration resistant according to DIN EN 61373.
- IP65 according to DIN EN 60529.
- Saw protection (on request).
- Suitable for iLOQ cylinder D50S.511.SD.
- RH/LH application.
Material
- Swinghandle, cylinder dustcover and dish: zinc die, black
- Cap: zinc die, zinc plated
Other surfaces on request!
Remarks
(S) Door-thickness 3mm - max. 6mmDrawings for rod calculation (see accessories):
1. stroke 18mm
2. clearance
To use the same door both RH and LH, 2 holes □46, symmetrical to door center are possible.
Profile half cylinders and their assembly must be ordered separately.
iLOQ cylinder is not included in the scope of delivery. Available at www.iloq.com
Available versions
Dual-Key Cylinder Swinghandle RS 105 for iLOQ Cylinder D50S
Product number
Internal cover
Installation type
Delivery Unit
a)
207-9161.00-00000
□46
screw-on
1 pc.
Related Products
Accessories