Zum Hauptinhalt springen Zur Suche springen Zur Hauptnavigation springen
[7-077.02]

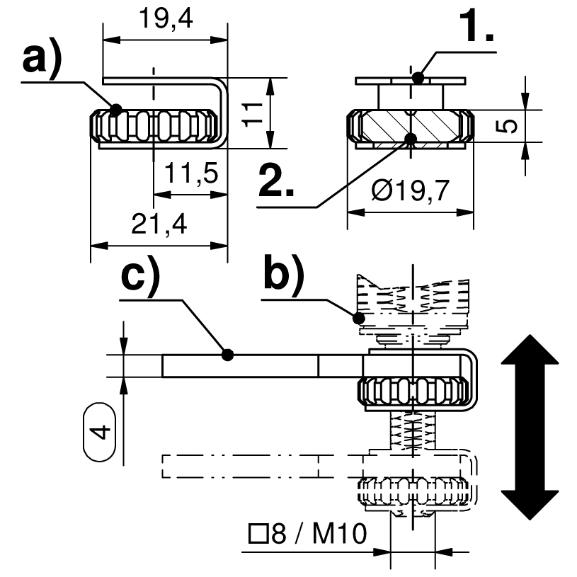
H-Maß Justierung Edelstahl

ICON_ROHS
ICON_WERKZEUGLOS
ICON_EDELSTAHL

Verfügbare Ausführungen

Mitnehmer mit Rändelrad

 
Produktnummer
Gewindegröße
Montageart
Liefereinheit
a)
248-9904.00-00000
M10
werkzeuglos
1 Stck
Kontakt linkedIn Youtube