Zum Hauptinhalt springen Zur Suche springen Zur Hauptnavigation springen
[7-076]

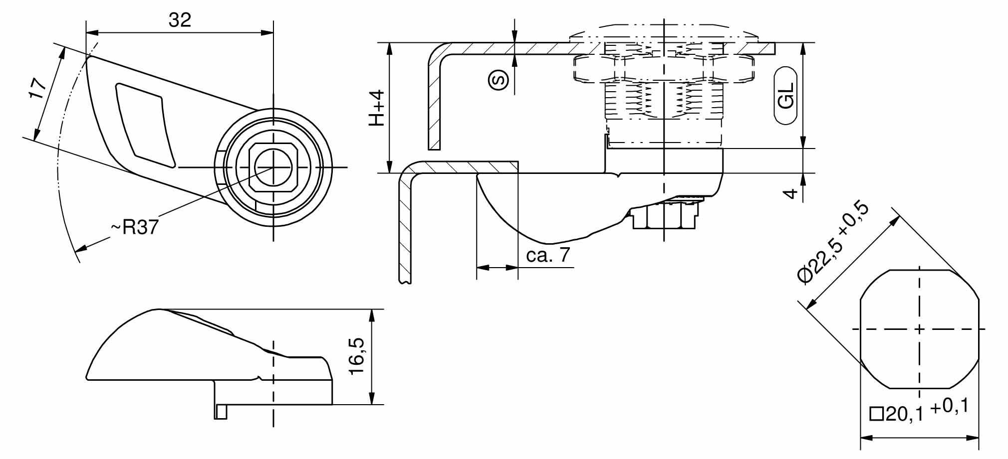
Fallenzunge für Drehriegel Pr20.1 Edelstahl

ICON_CUTOUT_20_1
ICON_ROHS
ICON_EDELSTAHL

Verfügbare Ausführungen

Fallenzungen, Länge 32mm

Kontakt linkedIn Youtube