[1-274]
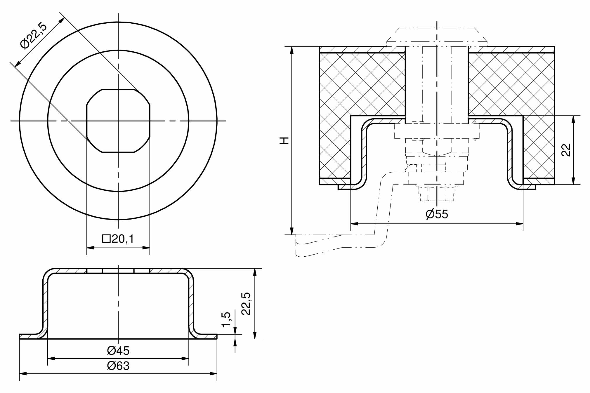
Mulde Pr20.1
Verfügbare Ausführungen
Mulde
Produktnummer
Tiefe
Liefereinheit
200-3902.00-00000
21 mm
10 Stck