[1-271E]
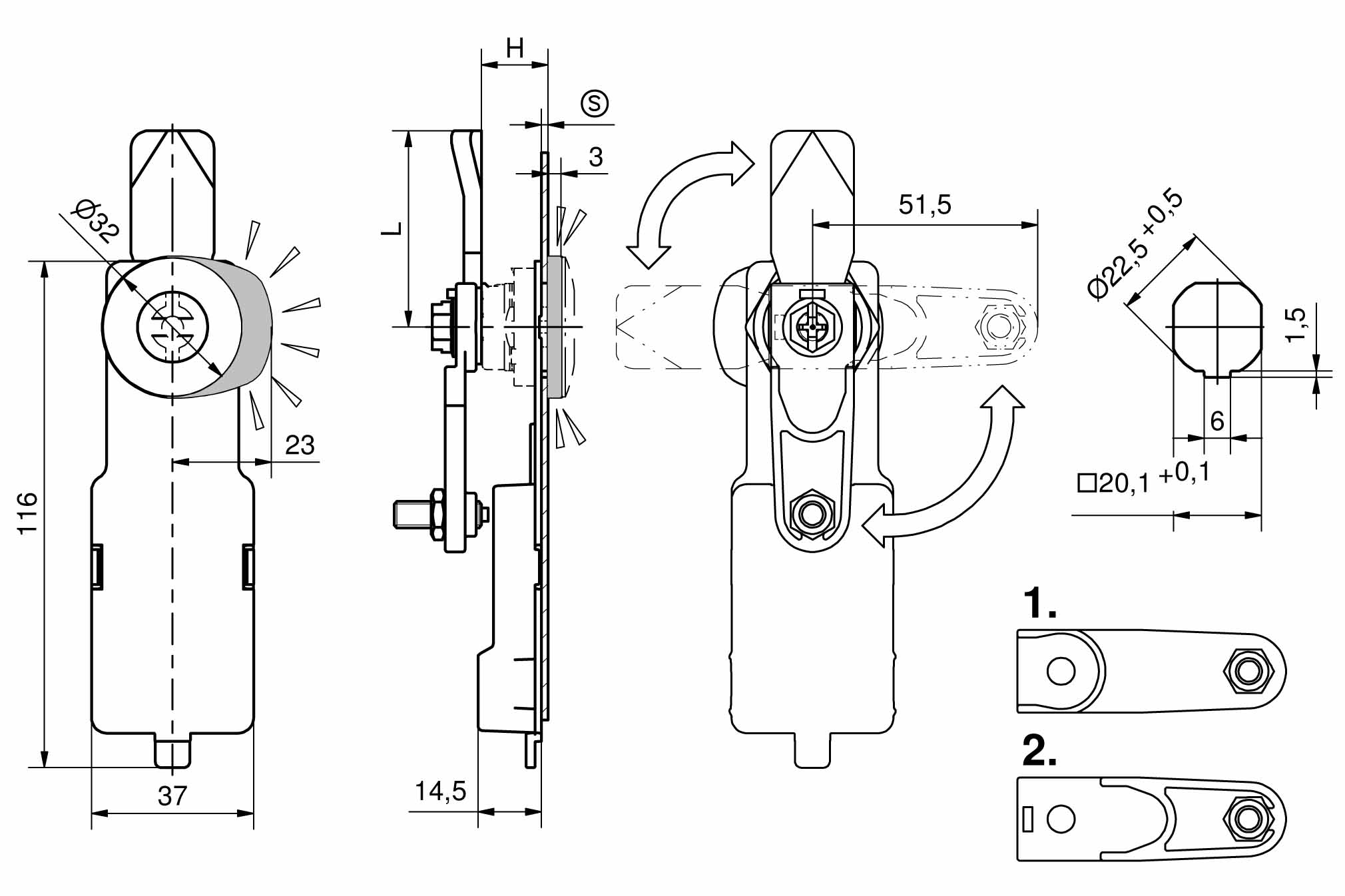
LED-Modul für Drehriegel Pr20.1
Verfügbare Ausführungen
LED-Modul
Produktnummer
Ausführung
Liefereinheit
100-9901.00-00000
rot blinkend
1 Stck