Zum Hauptinhalt springen Zur Suche springen Zur Hauptnavigation springen
[7-330]

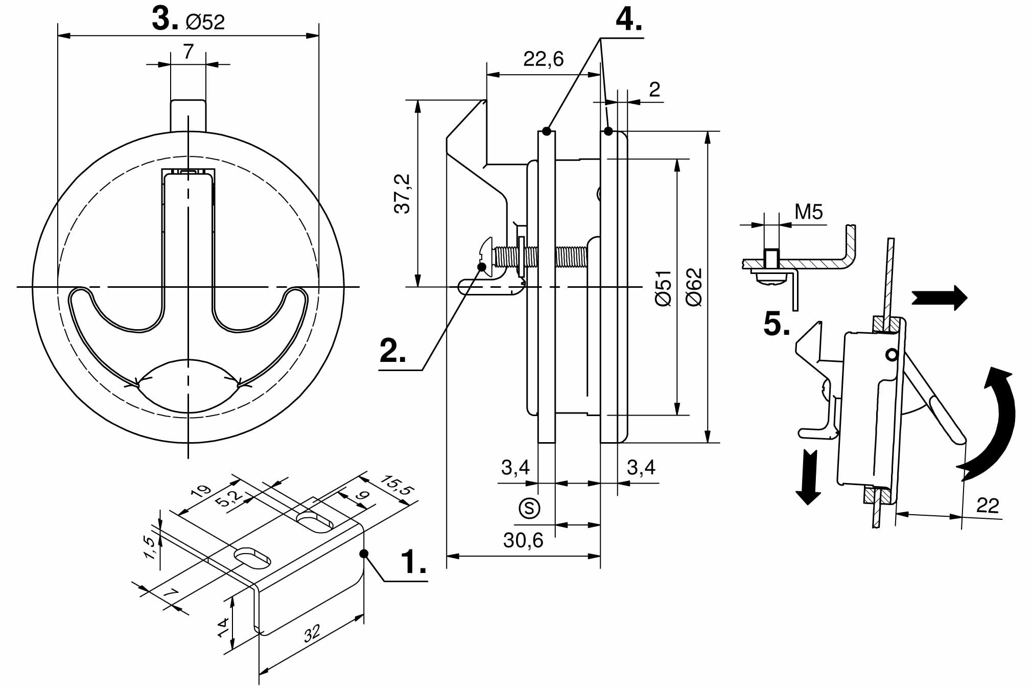
Fallenverschluss Edelstahl

ICON_ROHS
ICON_EDELSTAHL

Verfügbare Ausführungen

Fallenverschluss

Produktnummer
Einbauöffnung
Montageart
Liefereinheit
282-9601.00-00000
Ø52
anschraubbar
1 Stck
Kontakt linkedIn Youtube