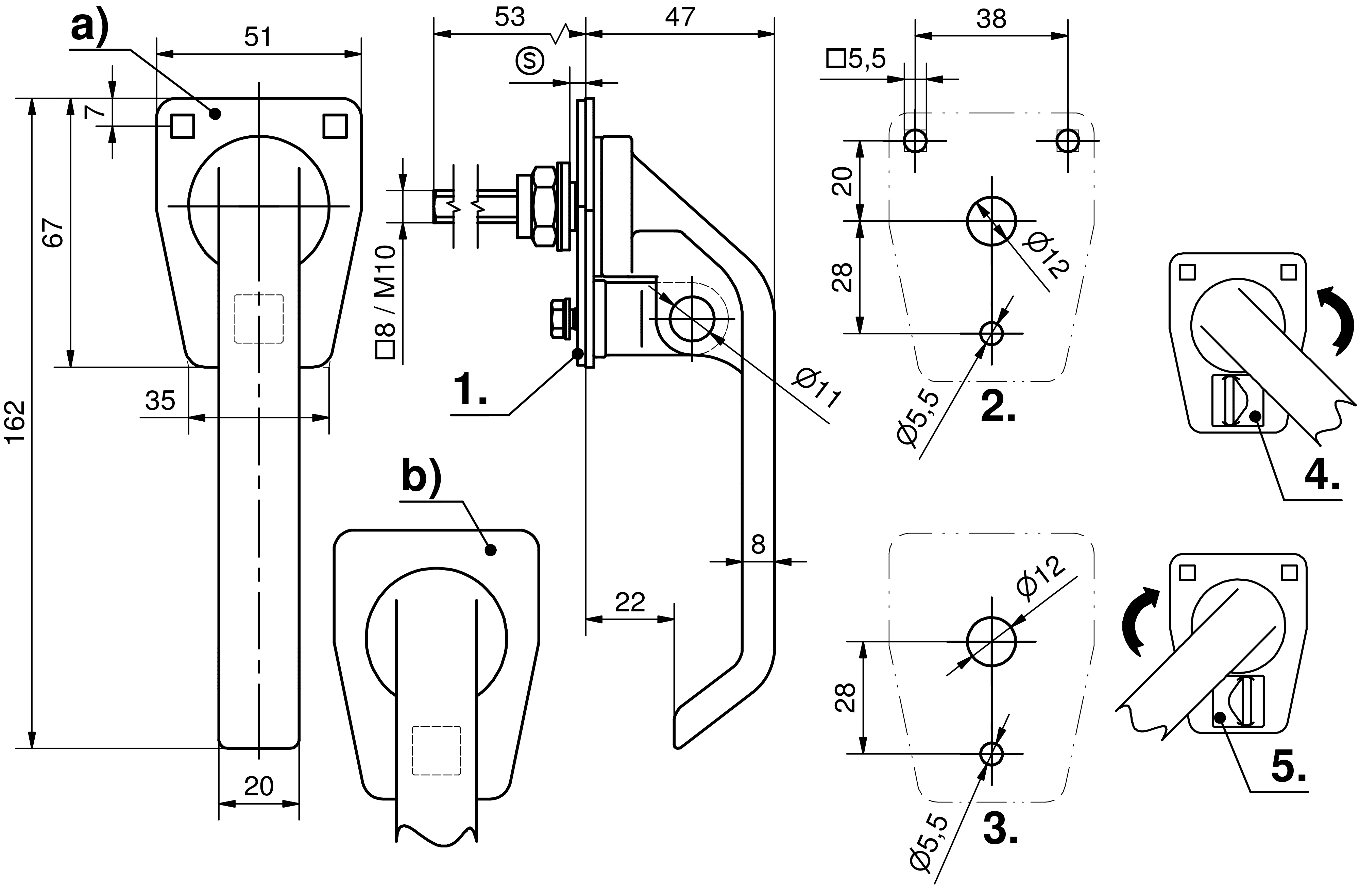
[7-073.01]
L-Griff M10 für Vorhangschloss Edelstahl
Verfügbare Ausführungen
L-Griff mit Gewinde M10
Produktnummer
Ausführung
Montageart
Liefereinheit
a)
281-9006.00-00000
mit Befestigungsbohrung
anschraubbar
1 Stck
b)
281-9007.00-00000
ohne Befestigungsbohrung
anschraubbar
1 Stck