Zum Hauptinhalt springen
[6-503.01]

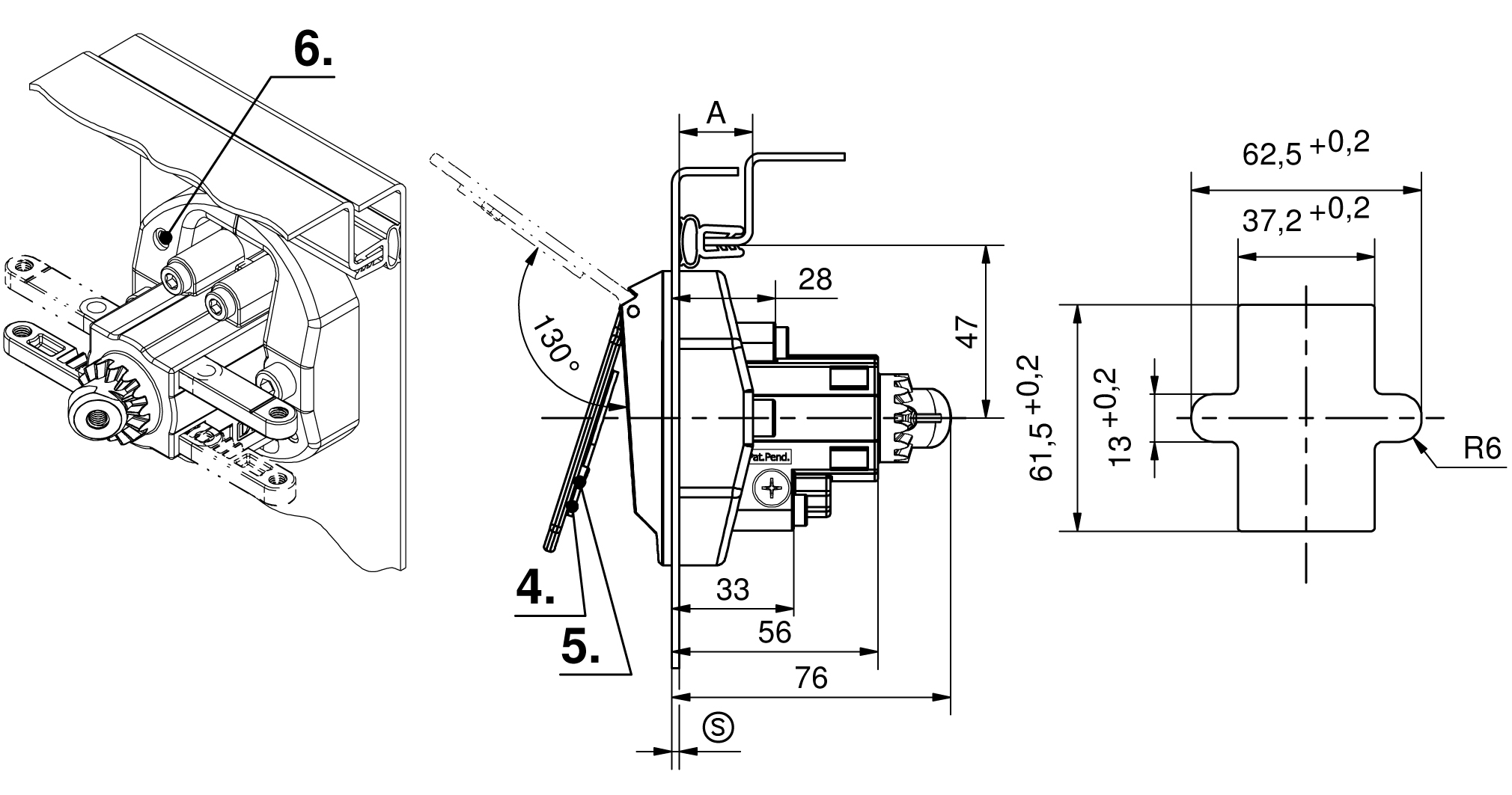
Mehrpunkt-Verschluss PHZ mit Schlüsselschild

ICON_DIRAK_GEERDET
ICON_IP65
ICON_ROHS
ICON_PZ_DIN_18252
ICON_FLACHSTANGE

Verfügbare Ausführungen

Mehrpunkt-Verschluss PHZ mit Schlüsselschild

Produktnummer
Ausführung
Mehrpunktverriegelung
Montageart
Liefereinheit
448-9123.00-00000
für Flachstangen
Ja
anschraubbar
1 Stck

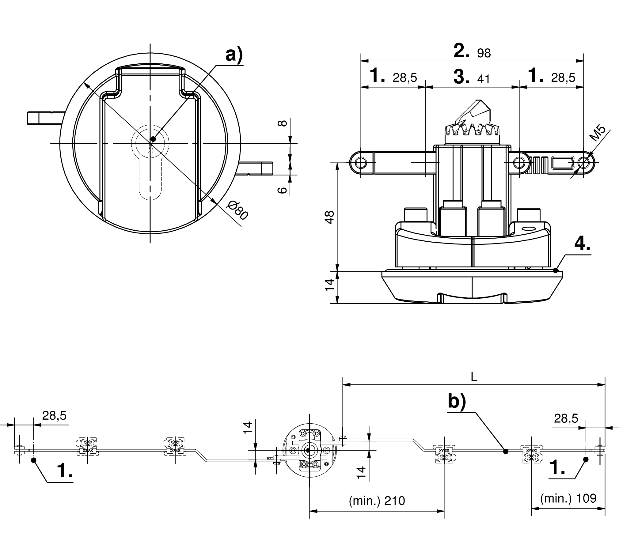
Zugehörige Produkte

Zubehöre

a)
2_140
a)
2_140
3_910
3_911
b)

Montageoptionen

dirak_shop_montageoptionen_v1
Kontakt linkedIn Youtube