Zum Hauptinhalt springen Zur Suche springen Zur Hauptnavigation springen
[6-501.01]

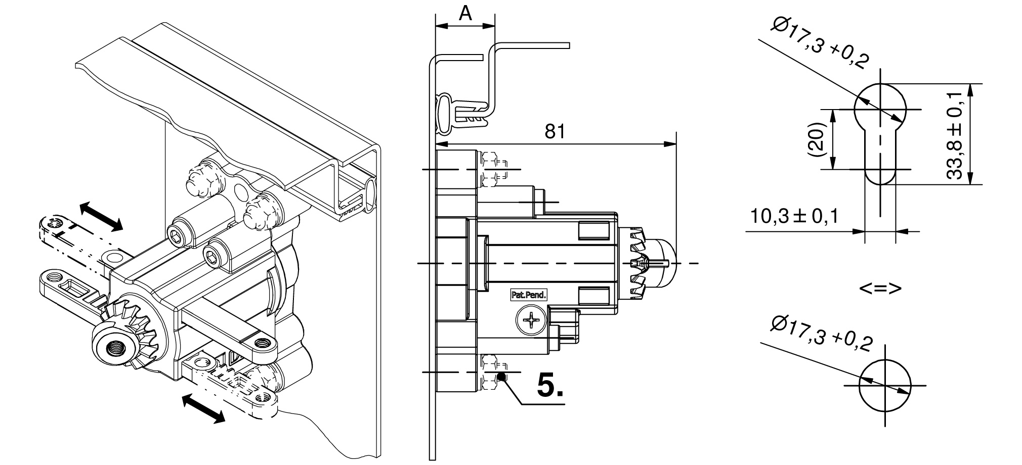
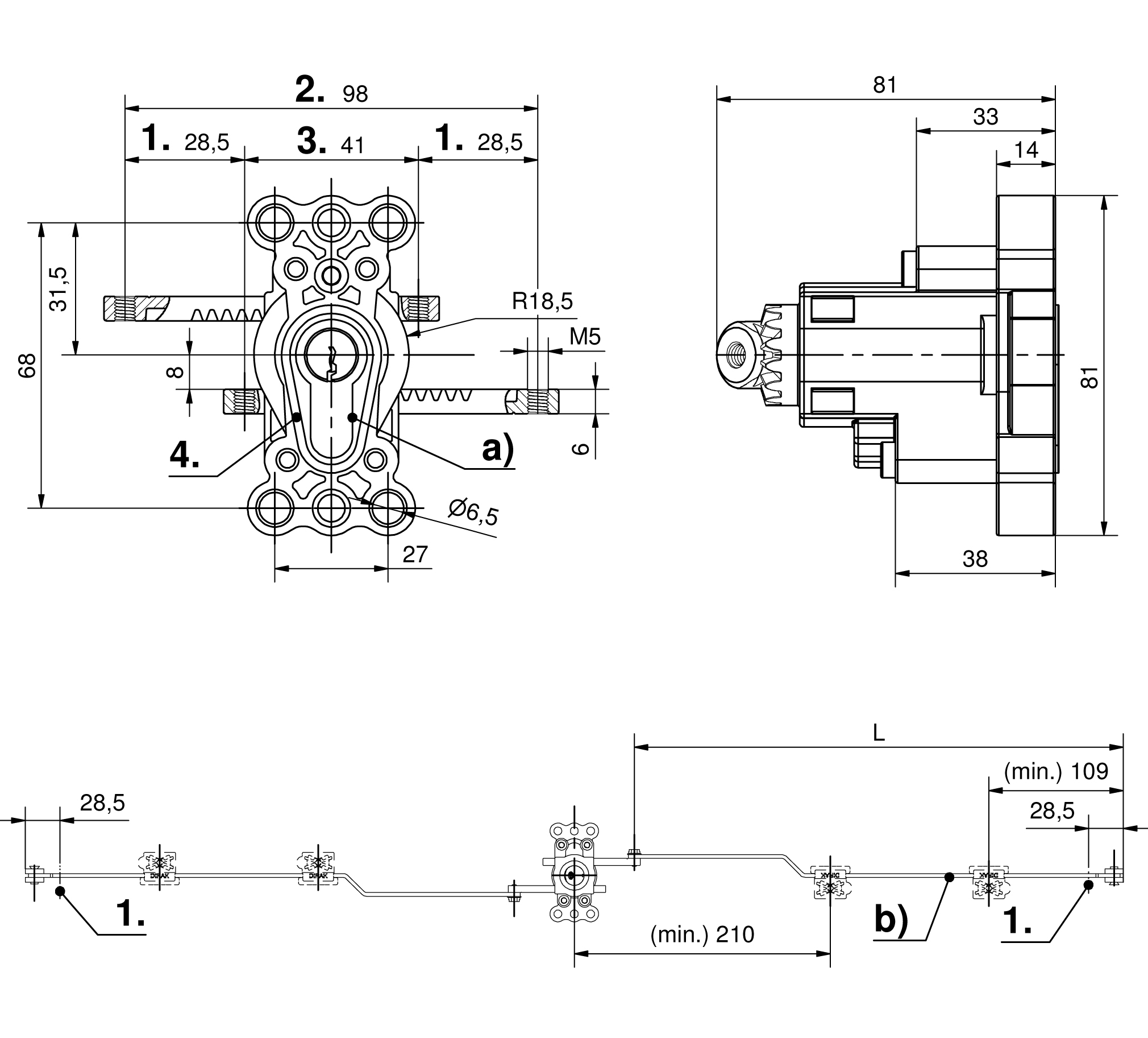
Mehrpunkt-Verschluss PHZ, horizontal

ICON_IP65
ICON_ROHS
ICON_PZ_DIN_18252
ICON_FLACHSTANGE

Verfügbare Ausführungen

Mehrpunkt-Verschluss PHZ (innenliegend)

Produktnummer
Ausführung
Mehrpunktverriegelung
Montageart
Liefereinheit
448-9125.00-00000
für Flachstangen
Ja
anschraubbar
1 Stck

Zugehörige Produkte

Kontakt linkedIn Youtube