Zum Hauptinhalt springen Zur Suche springen Zur Hauptnavigation springen
[6-500]

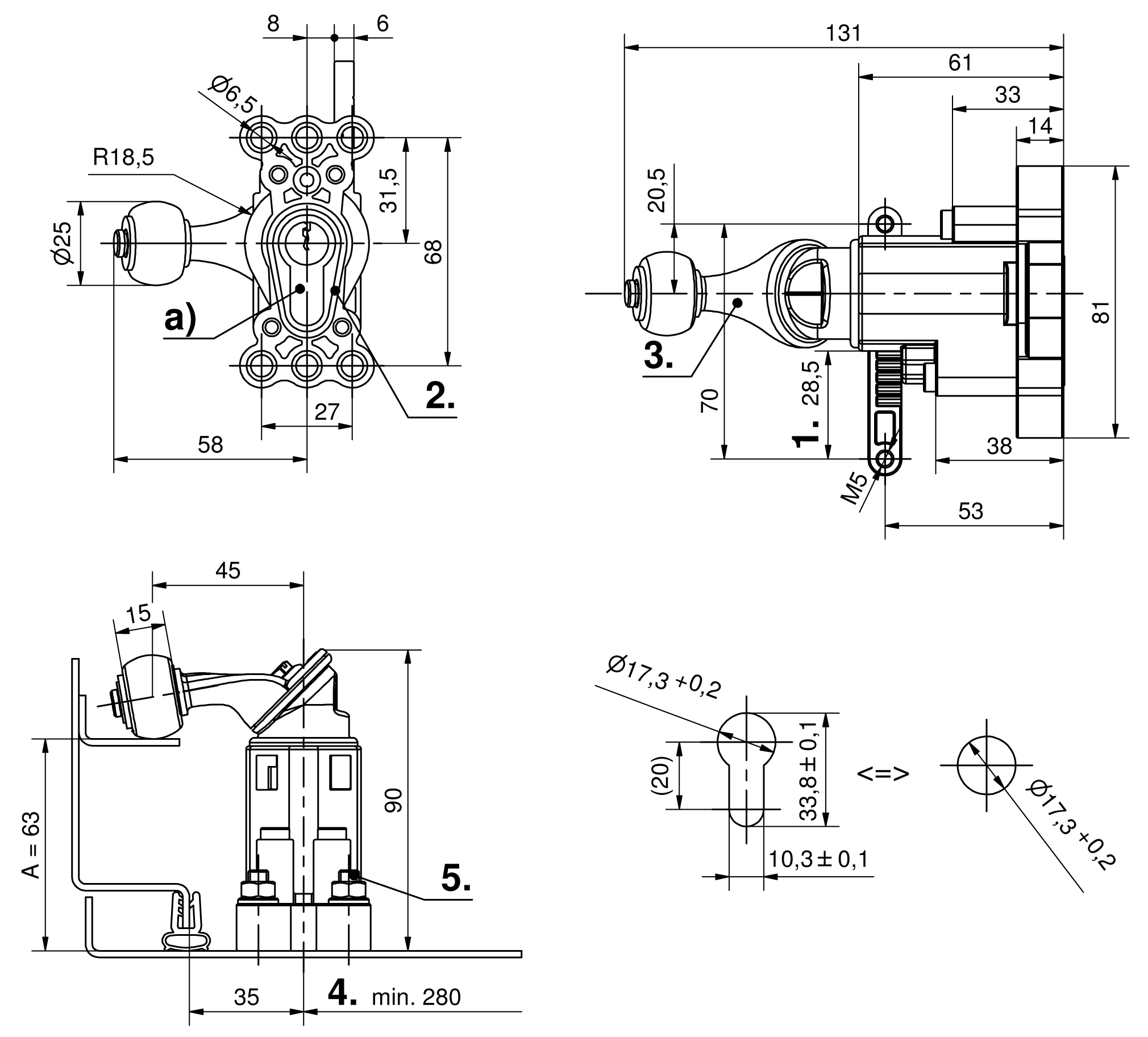
Kompressions-Verschluss PHZ

ICON_IP65
ICON_ROHS
ICON_DIN_61373
ICON_PZ_DIN_18252

Verfügbare Ausführungen

Kompressions-Verschluss PHZ (innenliegend)

Produktnummer
Einpunktverriegelung
A-Maß
Montageart
Liefereinheit
448-9112.00-00020
Ja
63 mm
anschraubbar
1 Stck
Kontakt linkedIn Youtube