[6-111.01]
Fallenschloss für zwei Profil-Halbzylinder, mit und ohne Innenentriegelung








Vorteile
- Für zwei Profil-Halbzylinder mit 40mm / 45mm Länge, nach DIN 18252.
- Öffnung durch Betätigung eines Profil-Halbzylinders möglich, unabhängig vom zweiten Zylinder.
- Verwendung unterschiedlicher Schließungen und PHZ möglich.
- Durch Drehen des Schlüssels im PHZ wird die Falle zurückgezogen.
- Das Schließen erfolgt durch Selbsteinrasten der Falle mit Freilauf.
- Variante a) mit Innenentriegelung: durch Ziehen der Handhabe wird die Falle zurückgezogen.
- Große, ergonomisch geformte Handhabe für optimale Bedienung.
- Anwendung in Applikationen nach DIN 79008.
- Angabe der Entriegelungsrichtung durch hochwertige Selbstklebefolie, lang nachleuchtend beschichtet nach DIN 67510-4.
- Variante b): ohne Innenentriegelung.
Werkstoffe
- Fallenschloss: GDZn, verzinkt
- Falle: Gusseisen mit Kugelgraphit
- Innenentiegelung: PA, grün
Anmerkungen
Bitte separat bestellen:Profil-Halbzylinder, Unterfütterung und Schlüsselschild.
Die Befestigung erfolgt durch 4 Schlossschrauben oder Schweißbolzen M5.
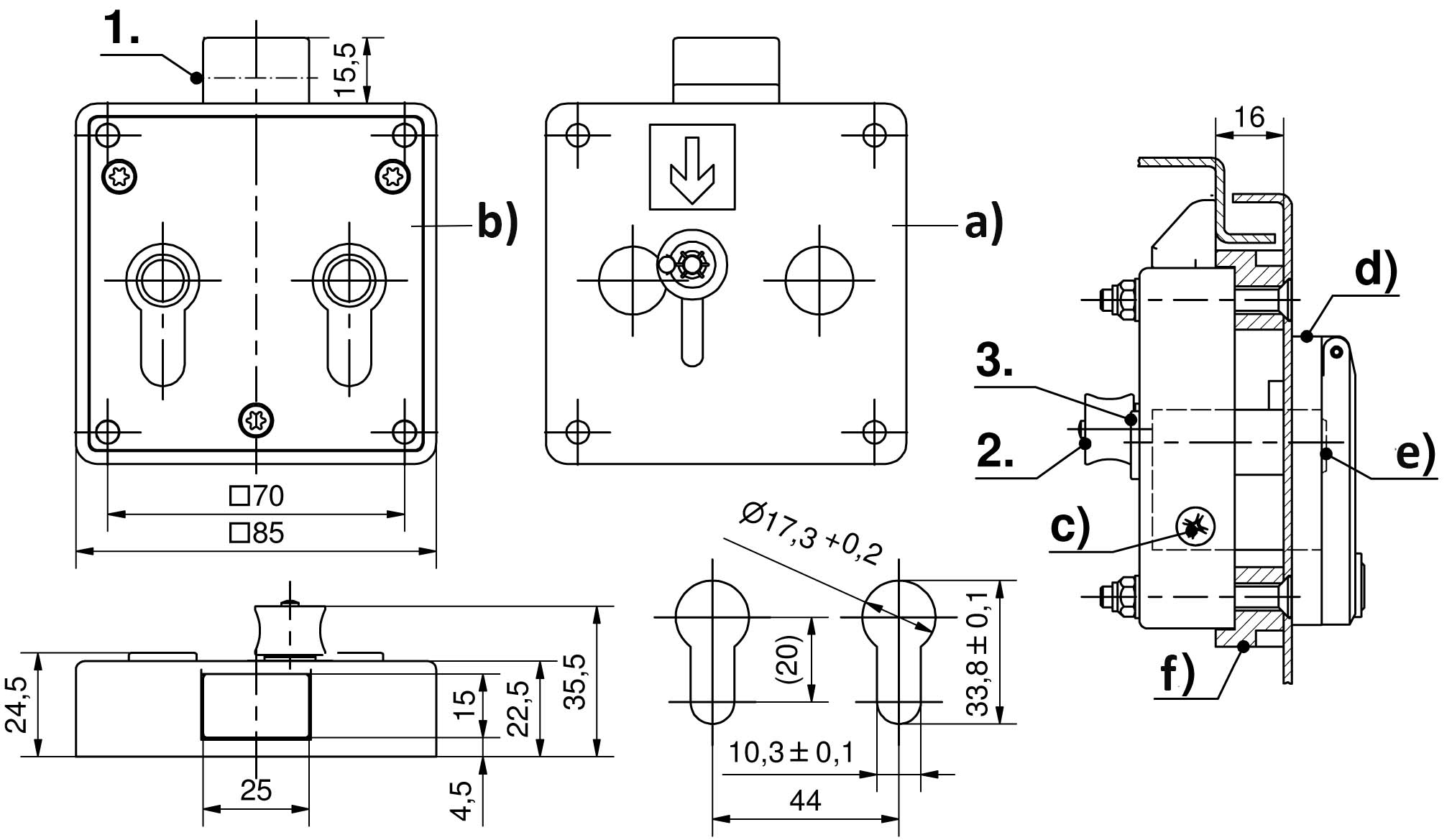
1. Hub
2. Handhabe für Innenentriegelung
3. Stopfen
Gewählte Ausführung
Produktnummer | 229-9113.00-00000 |
Liefereinheit: | 1 Stck |
Montageart: | anschraubbar |
Variante: | ohne Innenentriegelung |
Zugehörige Produkte
Zubehöre
Produktnummer
Name
c)
860-0965.00-00540
Senkschraube
d)
237-9001.00-00000
Kunststoffschlüsselschild für Profil-Halbzylinder
d)
237-9051.00-00000
Kunststoffschlüsselschild für Profil-Halbzylinder
d)
237-8004.00-00000
Kunststoffschlüsselschild für Rundzylinder Ø22 oder Drehriegel-Gehäuse Ø28
d)
237-8002.00-00000
Kunststoffschlüsselschild für Profil-Halbzylinder
d)
237-9304.00-00000
Kunststoffschlüsselschild für Profil-Halbzylinder
d)
237-0401.06-07032
Unterlegplatte 5mm dick
d)
237-0401.06-07035
Unterlegplatte 5mm dick
d)
237-0402.06-07032
Unterlegplatte 2mm dick
e)
211-9003.00-00000
DIRAK Profilhalbzylinder, DIN 18252, 8 x 45° verstellbar, gleichschließend
Details
Verschlussart:
gleichschließend
selbsteinrastend:
Nein
Liefereinheit:
1 Stck
e)
211-9004.00-00000
DIRAK Profilhalbzylinder, DIN 18252, 8 x 45° verstellbar, verschiedenschließend
Details
Verschlussart:
verschiedenschließend
selbsteinrastend:
Nein
Liefereinheit:
1 Stck
f)
229-0504.35-04045
Unterfütterung
Details
für Abkantung :
11,5 oder 16mm
Montageart:
anschraubbar
Liefereinheit:
1 Stck
f)
229-0504.35-04050
Unterfütterung
Details
für Abkantung :
11,5 oder 21mm
Montageart:
anschraubbar
Liefereinheit:
1 Stck
Produktkonfiguration
Gewählte Ausführung
Produktnummer | 229-9113.00-00000 |
Liefereinheit: | 1 Stck |
Montageart: | anschraubbar |
Variante: | ohne Innenentriegelung |
Gewählte Zusatzprodukte
[keine] |