Zum Hauptinhalt springen Zur Suche springen Zur Hauptnavigation springen
[7-220]

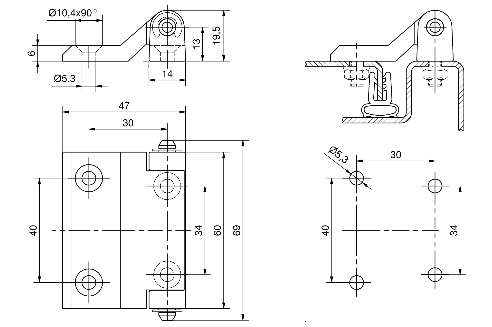
Scharnier Pr01 200° Edelstahl

ICON_HINGE_SERIES_Pr01
ICON_ROHS
ICON_TUERANSCHLAG_LR
ICON_EDELSTAHL
ICON_200_GRAD

Verfügbare Ausführungen

Scharnier

Produktnummer
Breite B
Höhe H
Stiftlänge L
Ausführung Stift
Montageart
Liefereinheit
217-9601.00-00000
40 mm
60 mm
69 mm
mit Nut inkl. Sicherungsscheibe DIN6799
anschraubbar
10 Stck
Kontakt linkedIn Youtube