[4-400]
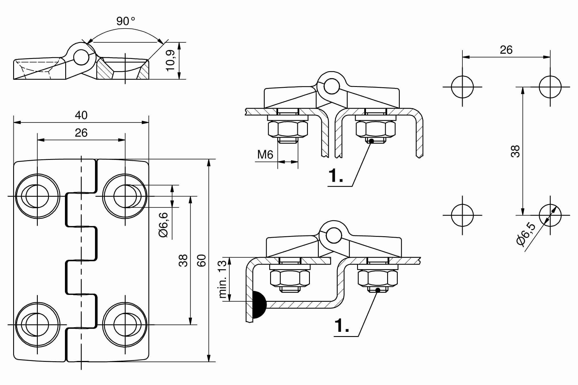
Scharnier PA, 60x40 Pr01 180°
Verfügbare Ausführungen
Scharnier
Produktnummer
Breite B
Höhe H
Ausführung Stift
Montageart
Liefereinheit
218-9220.00-00000
40 mm
60 mm
eingepresst
anschraubbar
100 Stck