[4-320]
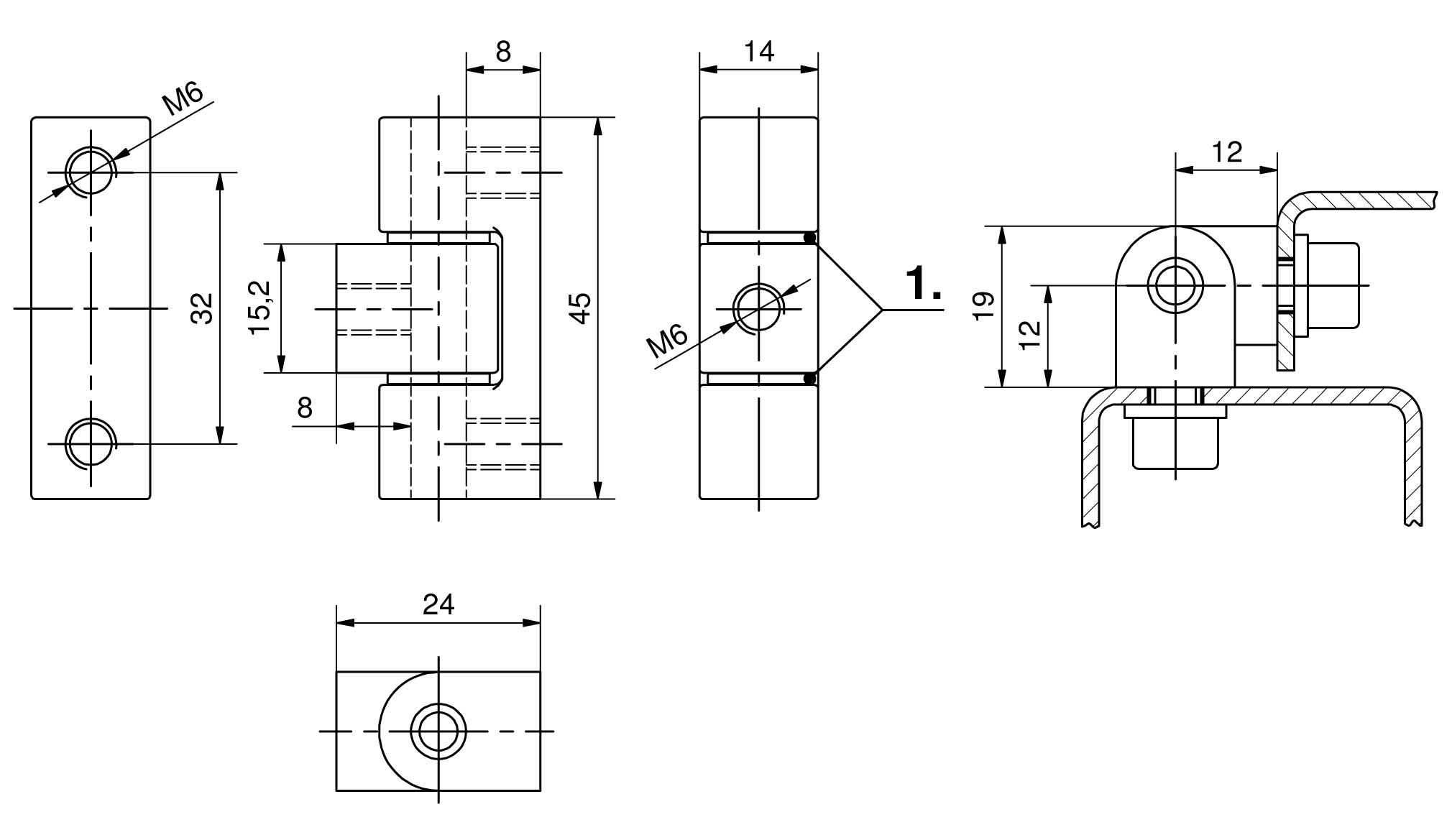
Eckscharnier Pr04 180°
Verfügbare Ausführungen
Eckscharnier, GDZn
Produktnummer
Oberfläche
Ausführung Stift
Montageart
Liefereinheit
217-9001.00-00000
glänzend verchromt
eingepresst
anschraubbar
10 Stck
217-9002.00-00000
schwarz
eingepresst
anschraubbar
10 Stck