[4-249]
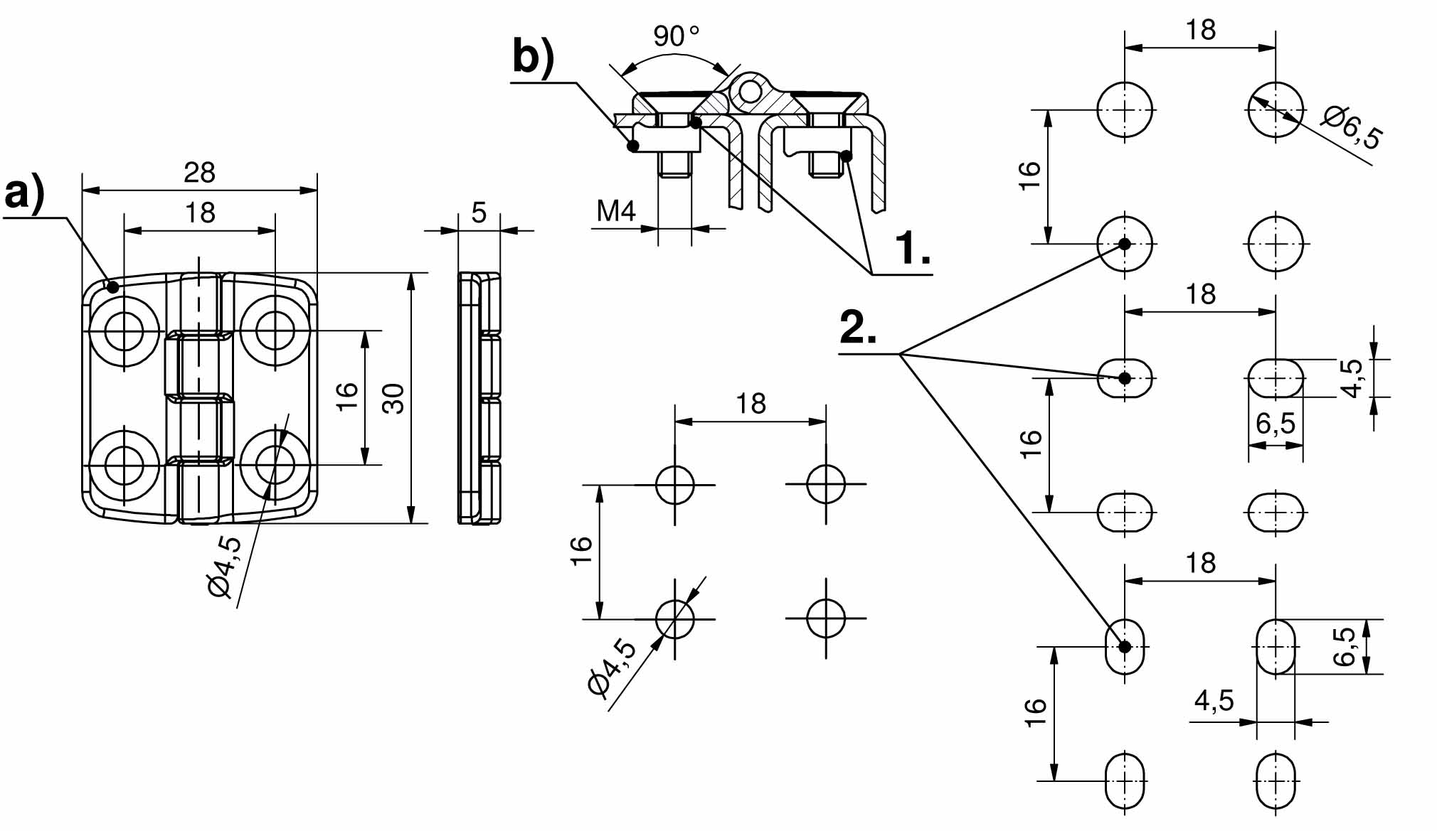
Scharnier 28x30 Pr01 180°
Verfügbare Ausführungen
Scharnier, GDZn
Produktnummer
Oberfläche
Ausführung Stift
Montageart
Liefereinheit
a)
218-9501.00-00000
schwarz
eingepresst
anschraubbar
10 Stck
a)
218-9502.00-00000
matt verchromt
eingepresst
anschraubbar
10 Stck