Zum Hauptinhalt springen Zur Suche springen Zur Hauptnavigation springen
[4-182.05]

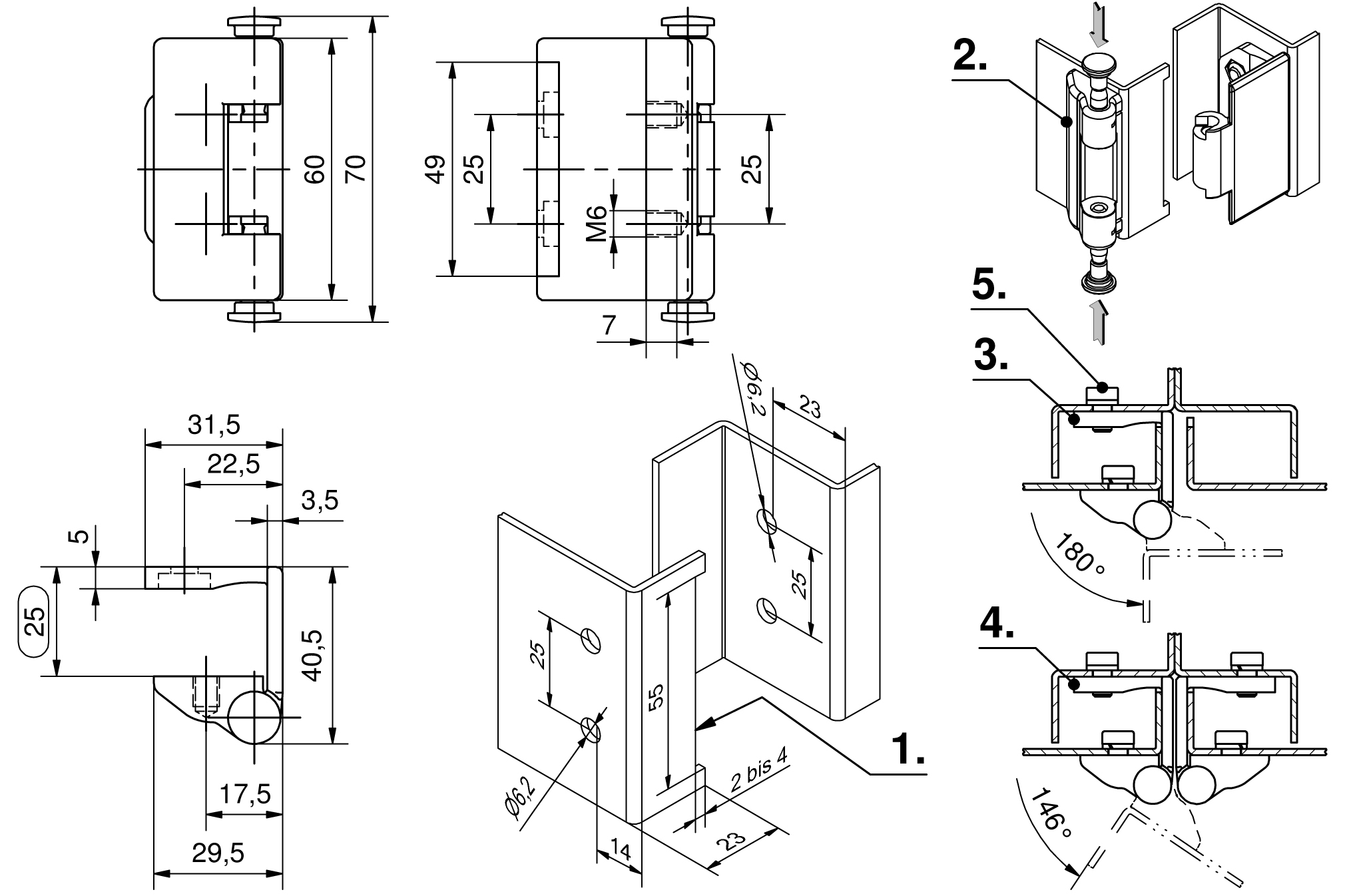
Scharnier Pr05 180°

ICON_HINGE_SERIES_Pr05
ICON_ROHS
ICON_TUERANSCHLAG_LR
ICON_LIFT_OFF
ICON_180_GRAD

Verfügbare Ausführungen

Scharnier

Produktnummer
Ausführung
Ausführung Stift
Liefereinheit
212-9085.00-00000
Stift zweiteilig
selbstsichernd, zweiteilig
10 Stck
Kontakt linkedIn Youtube