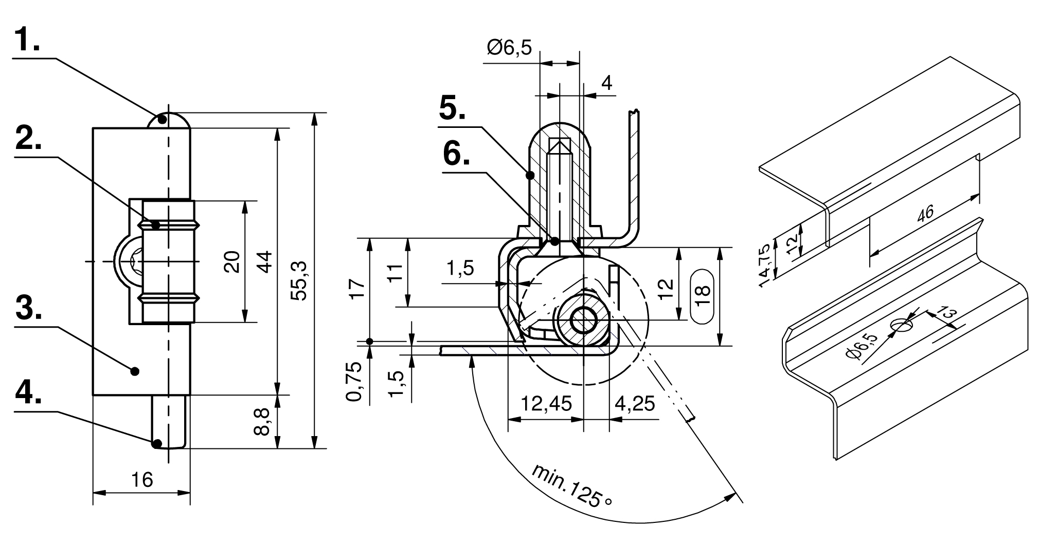
[4-118]
Verschwindscharnier Pr03 125°
Verfügbare Ausführungen
Verschwindscharnier
Produktnummer
Ausführung
Ausführung Stift
Montageart
Liefereinheit
216-9015.00-00000
Befestigungsschraube Philips Antrieb DIN 7982 ISO 7050
eingepresst
anschraubbar / anschweißbar
10 Stck
216-9035.00-00000
Befestigungsschraube T-20 Antrieb ISO 14586 Form C
eingepresst
anschraubbar / anschweißbar
10 Stck