[MLE1102 LED]
Schwenkhebel mechatronisch mit LED, RS 105 für PHZ, RC2





















Vorteile
- Elektronische Entriegelung durch das Anlegen von Spannung.
- Öffnungsbereitschaft wird durch LED visualisiert.
- Griffstatus auswertbar.
- Sicherheitsgetestet analog DIN EN 1630 RC2.
Nur in Verbindung mit Profil-Halbzylindern nach DIN 18252. - Mechanische Notöffnung durch Profil-Halbzylinder 30/10mm oder 35/10mm.
- Rüttel- und vibrationssicher nach DIN EN 61373.
- IP65 nach DIN EN 60529.
- Zylinderabdeckung magnetisch gesichert.
- Rechts / links einsetzbar.
Werkstoffe
Schwenkhebel, Mulde, Abdeckung und Kappe: GDZn, RAL 7038 oder RAL 9005Anmerkungen
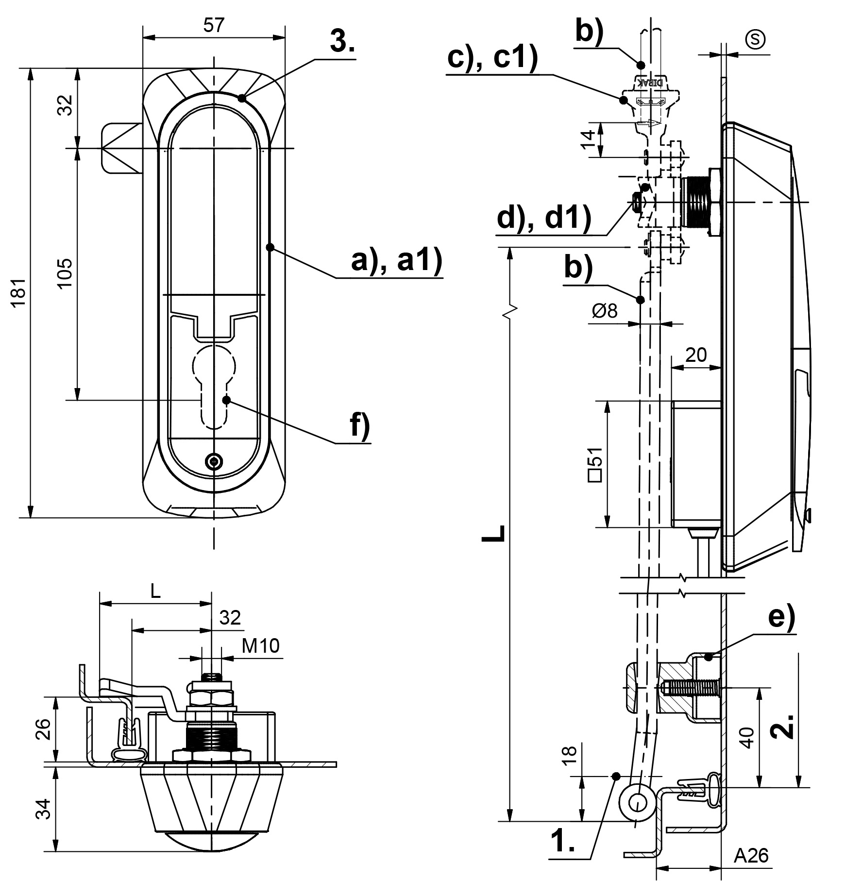
(S) Türstärke max. 3mm1. Hub 18mm
2. Lichte Höhe
Weitere technische Details siehe Datenblatt
Profilhalbzylinder und deren Montage müssen separat bestellt werden.
Gewählte Ausführung
Produktnummer | 602-9004.00-GR024 |
Liefereinheit: | 1 Stck |
Montageart: | anschraubbar |
Oberfläche: | schwarz RAL 9005 |
Spannung: | 24V |
LED: | grün |
Zugehörige Produkte
Montageoptionen
Produktnummer
Name
207-0016.00-00000
Montage der Betätigungen / Profil-Halbzylinder
Details
Name:
Montage der Betätigungen / Profil-Halbzylinder
Liefereinheit:
1 Stck
Zubehöre
Produktnummer
Name
g)
207-2803.00-00000
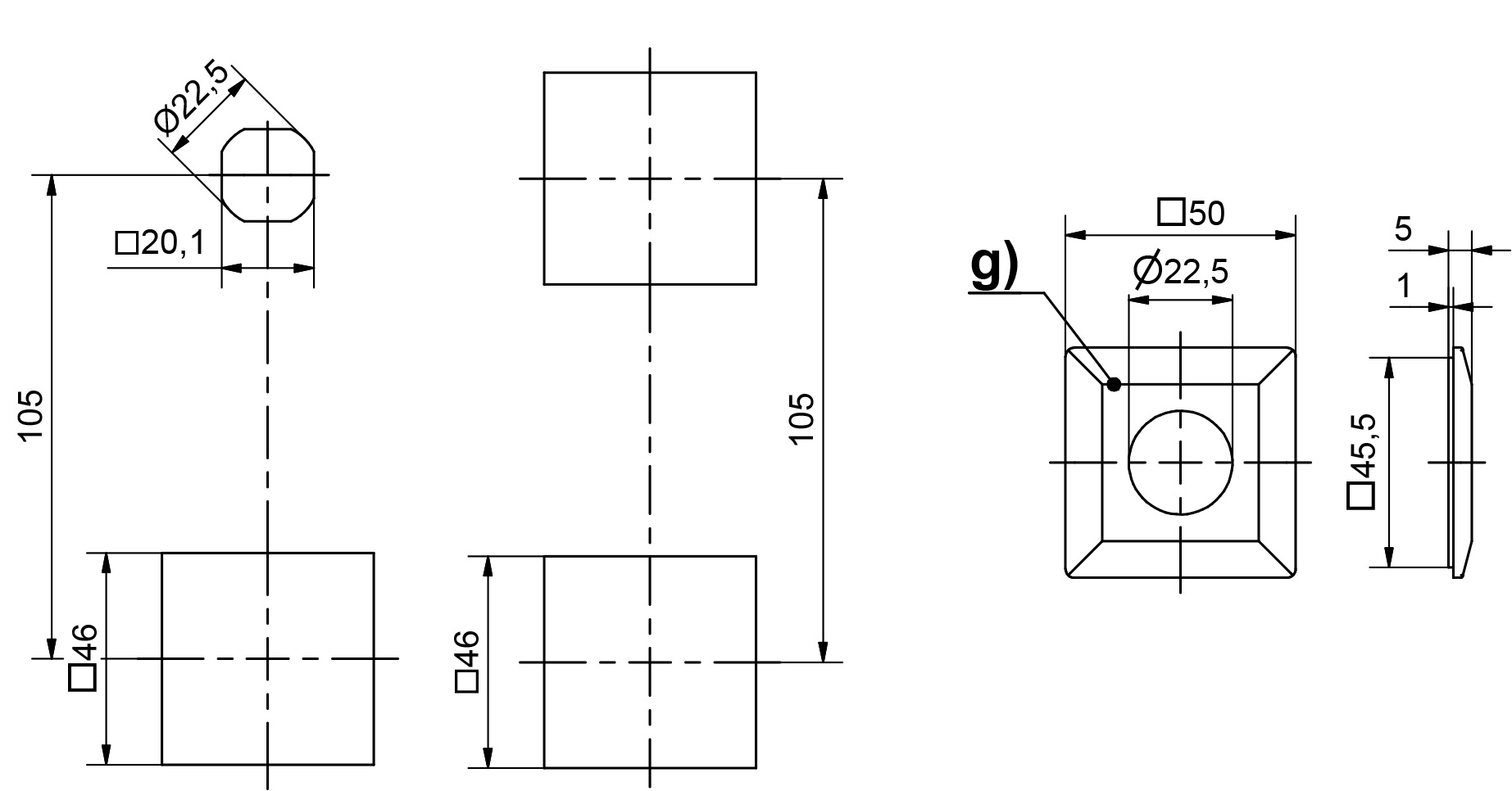
Dichtung für Adapter □46mm
Details
Name:
Dichtung für Adapter □46mm
Material:
Inducon
Oberfläche:
Liefereinheit:
1 Stck
d1)
207-9595.00-00000
Flügelzungenadapter ohne Anschlag
Details
Anschlag:
Nein
2-Punktverriegelung:
Ja
3-Punktverriegelung:
Ja
4-Punktverriegelung:
Ja
Montageart:
anschraubbar
Liefereinheit:
1 Stck
d1)
207-9596.00-00000
Flügelzungenadapter ohne Anschlag
Details
Anschlag:
Nein
2-Punktverriegelung:
Ja
3-Punktverriegelung:
Ja
4-Punktverriegelung:
Nein
Montageart:
anschraubbar
Liefereinheit:
1 Stck
g)
602-0016.35-00000
Vierkantadapter
b)
201-0102.00-00000
Rundstange 400mm
Details
Ausführung:
mit Auge
Länge:
400 mm
variable Länge:
Liefereinheit:
1 Stck
b)
201-0103.00-00000
Rundstange 500mm
Details
Ausführung:
mit Auge
Länge:
500 mm
variable Länge:
Liefereinheit:
1 Stck
b)
201-0104.00-00000
Rundstange 600mm
Details
Ausführung:
mit Auge
Länge:
600 mm
variable Länge:
Liefereinheit:
1 Stck
b)
201-0105.00-00000
Rundstange 700mm
Details
Ausführung:
mit Auge
Länge:
700 mm
variable Länge:
Liefereinheit:
1 Stck
b)
201-0106.00-00000
Rundstange 800mm
Details
Ausführung:
mit Auge
Länge:
800 mm
variable Länge:
Liefereinheit:
1 Stck
b)
201-0107.00-00000
Rundstange 900mm
Details
Ausführung:
mit Auge
Länge:
900 mm
variable Länge:
Liefereinheit:
1 Stck
b)
201-0108.00-00000
Rundstange 1000mm
Details
Ausführung:
mit Auge
Länge:
1000 mm
variable Länge:
Liefereinheit:
1 Stck
b)
201-0109.00-00000
Rundstange 1100mm
Details
Ausführung:
mit Auge
Länge:
1100 mm
variable Länge:
Liefereinheit:
1 Stck
b)
201-0110.00-00000
Rundstange 1200mm
Details
Ausführung:
mit Auge
Länge:
1200 mm
variable Länge:
Liefereinheit:
1 Stck
b)
201-0112.00-Lxxmm
Rundstange, variable Länge
Details
Ausführung:
mit Auge
Länge:
variable Länge:
Ja
Liefereinheit:
Auf Anfrage
b)
201-0111.00-Lxxmm
Rundstange, variable Länge
Details
Ausführung:
mit Auge u. angekegeltem Ende
Länge:
variable Länge:
Ja
Liefereinheit:
Auf Anfrage
b)
201-9006.00-Lxxmm
Rundstange, variable Länge
Details
Ausführung:
mit Auge u. Auflaufrollen
Länge:
variable Länge:
Ja
Liefereinheit:
Auf Anfrage
b)
201-9021.00-Lxxmm
Rundstange, variable Länge, mit Auge parallel zur Auflaufrolle
Details
Ausführung:
mit Auge u. Auflaufrollen, Auge parallel zur Rolle
Länge:
variable Länge:
Ja
Liefereinheit:
auf Anfrage
b)
201-9001.00-00000
Rundstange 400mm
b)
201-9020.00-00500
Rundstange 500mm
b)
201-9002.00-00000
Rundstange 600mm
b)
201-9020.00-00700
Rundstange 700mm
b)
201-9003.00-00000
Rundstange 800mm
b)
201-9020.00-00900
Rundstange 900mm
b)
201-9004.00-00000
Rundstange 1000mm
b)
201-9020.00-01100
Rundstange 1100mm
b)
201-9005.00-00000
Rundstange 1200mm
b)
201-9020.00-Lxxmm
Rundstange, variable Länge
c)
200-9621.00-00000
Adapter für Rundstangen Ø8mm PA
Details
Stangendurchmesser:
8 mm
Schnellbefestigung:
Ja
Montageart:
werkzeuglos
Liefereinheit:
1 Stck
c1)
200-9601.00-00000
Adapter für Rundstangen Ø8mm
Details
Stangendurchmesser:
8 mm
Montageart:
anschraubbar
Liefereinheit:
1 Stck
c1)
200-9604.00-00000
Adapter für Rundstangen Ø10mm
Details
Stangendurchmesser:
10 mm
Montageart:
anschraubbar
Liefereinheit:
50 Stck
e)
200-3623.51-00000
Stangenführung, Höhe 32mm
Details
A:
20 mm
L:
24 mm
Höhe H:
32 mm
Montageart:
anschraubbar
Liefereinheit:
1 Stck
e)
200-3624.51-00000
Stangenführung, Höhe 36mm
Details
A:
24 mm
L:
28 mm
Höhe H:
36 mm
Montageart:
anschraubbar
Liefereinheit:
1 Stck
e)
200-3625.51-00000
Stangenführung, Höhe 38mm
Details
A:
26 mm
L:
30 mm
Höhe H:
38 mm
Montageart:
anschraubbar
Liefereinheit:
1 Stck
e)
200-3626.51-00000
Stangenführung, Hohe 40mm
Details
A:
28 mm
L:
32 mm
Höhe H:
40 mm
Montageart:
anschraubbar
Liefereinheit:
1 Stck
e)
200-9633.00-00000
Stangenführung
Details
höhenverstellbar:
Ja
Verstellbereich:
max. 8 mm
Montageart:
werkzeuglos
Liefereinheit:
10 Stck
e)
200-9615.00-00000
Stangenführung, höhenverstellbar
Details
höhenverstellbar:
Ja
Verstellbereich:
max. + 5 mm
Montageart:
anschraubbar
Liefereinheit:
1 Stck
e)
200-3606.03-00000
Stangenführung
Details
höhenverstellbar:
Verstellbereich:
Montageart:
anschraubbar
Liefereinheit:
1 Stck
e)
200-3616.54-00000
Stangenführung, Höhe 35mm
Details
Höhe H:
35 mm
A = Abkantung:
A24
L:
28 mm
Montageart:
werkzeuglos
Liefereinheit:
1 Stck
e)
200-3617.54-00000
Stangenführung, Höhe 37mm
Details
Höhe H:
37 mm
A = Abkantung:
A26
L:
30 mm
Montageart:
werkzeuglos
Liefereinheit:
1 Stck
e)
200-3618.54-00000
Stangenführung, Höhe 39mm
Details
Höhe H:
39 mm
A = Abkantung:
A28
L:
32 mm
Montageart:
werkzeuglos
Liefereinheit:
1 Stck
f)
211-9003.00-00000
DIRAK Profilhalbzylinder, DIN 18252, 8 x 45° verstellbar, gleichschließend
Details
Verschlussart:
gleichschließend
selbsteinrastend:
Nein
Liefereinheit:
1 Stck
f)
211-9004.00-00000
DIRAK Profilhalbzylinder, DIN 18252, 8 x 45° verstellbar, verschiedenschließend
Details
Verschlussart:
verschiedenschließend
selbsteinrastend:
Nein
Liefereinheit:
1 Stck
f)
211-9101.00-00000
verschiedenschließend
Details
Verschlussart:
verschiedenschließend
Schließweg:
selbsteinrastend:
Ja
Liefereinheit:
1 Stck
f)
211-9102.00-00000
gleichschließend DIRAK 1333
Details
Verschlussart:
gleichschließend DIRAK 1333
Schließweg:
selbsteinrastend:
Ja
Liefereinheit:
1 Stck
f)
511-9102.00-00000
gleichschließend DS200
Details
Verschlussart:
gleichschließend DS200
Schließweg:
selbsteinrastend:
Ja
Liefereinheit:
1 Stck
f)
211-9301.00-00000
verschiedenschließend, 90°
Details
Verschlussart:
verschiedenschließend
Schließweg:
90°
selbsteinrastend:
Nein
Liefereinheit:
1 Stck
f)
211-9302.00-00000
gleichschließend DIRAK 1333, 90°
Details
Verschlussart:
gleichschließend DIRAK 1333
Schließweg:
90°
selbsteinrastend:
Nein
Liefereinheit:
1 Stck
f)
511-9302.00-00000
gleichschließend DS200, 90°
Details
Verschlussart:
gleichschließend DS200
Schließweg:
90°
selbsteinrastend:
Nein
Liefereinheit:
1 Stck
f)
211-9113.00-00000
Schnapp-Profil-Halbzylinder, gleichschließend DIRAK 1333
Details
Verschlussart:
gleichschließend DIRAK 1333
selbsteinrastend:
Ja
Liefereinheit:
1 Stck
f)
211-9115.00-00000
Schnapp-Profil-Halbzylinder, verschiedenschließend
Details
Verschlussart:
verschiedenschließend (Wendeschlüssel)
selbsteinrastend:
Ja
Liefereinheit:
1 Stck
f)
211-9202.00-00000
Betätigung Vierkant 6mm
Details
Betätigung:
Vierkant 6mm
Schließweg:
selbsteinrastend:
Ja
Liefereinheit:
1 Stck
f)
211-9203.00-00000
Betätigung Vierkant 7mm
Details
Betätigung:
Vierkant 7mm
Schließweg:
selbsteinrastend:
Ja
Liefereinheit:
1 Stck
f)
211-9204.00-00000
Betätigung Vierkant 8mm
Details
Betätigung:
Vierkant 8mm
Schließweg:
selbsteinrastend:
Ja
Liefereinheit:
1 Stck
f)
211-9205.00-00000
Betätigung Vierkant 8mm, geschlitzt
Details
Betätigung:
Vierkant 8mm, geschlitzt
Schließweg:
selbsteinrastend:
Ja
Liefereinheit:
1 Stck
f)
211-9206.00-00000
Betätigung Dreikant 7mm
Details
Betätigung:
Dreikant 7mm
Schließweg:
selbsteinrastend:
Ja
Liefereinheit:
1 Stck
f)
211-9207.00-00000
Betätigung Dreikant 8mm
Details
Betätigung:
Dreikant 8mm
Schließweg:
selbsteinrastend:
Ja
Liefereinheit:
1 Stck
f)
211-9208.00-00000
Betätigung Doppelbart 3mm Dorn
Details
Betätigung:
Doppelbart 3mm Dorn
Schließweg:
selbsteinrastend:
Ja
Liefereinheit:
1 Stck
f)
211-9209.00-00000
Betätigung Doppelbart 5mm Dorn
Details
Betätigung:
Doppelbart 5mm Dorn
Schließweg:
selbsteinrastend:
Ja
Liefereinheit:
1 Stck
f)
211-9210.00-00000
Betätigung Dreikant 6,5mm CNOMO
Details
Betätigung:
Dreikant 6,5mm CNOMO
Schließweg:
selbsteinrastend:
Ja
Liefereinheit:
1 Stck
f)
211-9211.00-00000
Betätigung Innensechskant SW 10mm
Details
Betätigung:
Innensechskant SW 10mm
Schließweg:
selbsteinrastend:
Ja
Liefereinheit:
1 Stck
f)
211-9212.00-00000
Betätigung Schlitz 2x4mm
Details
Betätigung:
Schlitz 2x4mm
Schließweg:
selbsteinrastend:
Ja
Liefereinheit:
1 Stck
f)
211-9213.00-00000
Betätigung Daimler Benz Dorn
Details
Betätigung:
Daimler Benz Ausführung
Schließweg:
selbsteinrastend:
Ja
Liefereinheit:
1 Stck
f)
211-9214.00-00000
Betätigung Kronenkontur
Details
Betätigung:
Kronenkontur
Schließweg:
selbsteinrastend:
Ja
Liefereinheit:
1 Stck
f)
211-9215.00-00000
Betätigung Innenvierkant 6mm
Details
Betätigung:
Innenvierkant 6mm
Schließweg:
selbsteinrastend:
Ja
Liefereinheit:
1 Stck
f)
211-9216.00-00000
Betätigung Innenvierkant 7mm
Details
Betätigung:
Innenvierkant 7mm
Schließweg:
selbsteinrastend:
Ja
Liefereinheit:
1 Stck
f)
211-9217.00-00000
Betätigung Innenvierkant 8mm
Details
Betätigung:
Innenvierkant 8mm
Schließweg:
selbsteinrastend:
Ja
Liefereinheit:
1 Stck
f)
211-9218.00-00000
Betätigung Schlitz versenkt
Details
Betätigung:
Schlitz versenkt
Schließweg:
selbsteinrastend:
Ja
Liefereinheit:
1 Stck
f)
211-9219.00-00000
Betätigung Halbrund Tschechien
Details
Betätigung:
Halbrund Tschechien
Schließweg:
selbsteinrastend:
Ja
Liefereinheit:
1 Stck
f)
211-9220.00-00000
Betätigung Sechskant Belcore 7/16"
Details
Betätigung:
Sechskant Belcore 7/16"
Schließweg:
selbsteinrastend:
Ja
Liefereinheit:
1 Stck
f)
211-9235.00-00000
Betätigung konischer Vierkant, 9mm
Details
Betätigung:
konischer Vierkant, 9mm
Schließweg:
selbsteinrastend:
Ja
Liefereinheit:
1 Stck
f)
211-9203.00-00001
Betätigung Vierkant 7mm, 360°
Details
Betätigung:
Vierkant 7mm
Schließweg:
360°
selbsteinrastend:
Nein
Liefereinheit:
1 Stck
f)
211-9204.00-00001
Betätigung Vierkant 8mm, 360°
Details
Betätigung:
Vierkant 8mm
Schließweg:
360°
selbsteinrastend:
Nein
Liefereinheit:
1 Stck
f)
211-9206.00-00001
Betätigung Dreikant 7mm, 360°
Details
Betätigung:
Dreikant 7mm
Schließweg:
360°
selbsteinrastend:
Nein
Liefereinheit:
1 Stck
f)
211-9207.00-00001
Betätigung Dreikant 8mm, 360°
Details
Betätigung:
Dreikant 8mm
Schließweg:
360°
selbsteinrastend:
Nein
Liefereinheit:
1 Stck
f)
211-9208.00-00001
Betätigung Doppelbart 3mm Dorn, 360°
Details
Betätigung:
Doppelbart 3mm Dorn
Schließweg:
360°
selbsteinrastend:
Nein
Liefereinheit:
1 Stck
f)
211-9209.00-00001
Betätigung Doppelbart 5mm Dorn, 360°
Details
Betätigung:
Doppelbart 5mm Dorn
Schließweg:
360°
selbsteinrastend:
Nein
Liefereinheit:
1 Stck
f)
211-9212.00-00001
Betätigung Schlitz 2x4mm, 360°
Details
Betätigung:
Schlitz 2x4mm
Schließweg:
360°
selbsteinrastend:
Nein
Liefereinheit:
1 Stck
f)
211-8057.00-00000
Betätigung konischer Vierkant 9mm, 360°
Details
Betätigung:
konischer Vierkant, 9mm
Schließweg:
360°
selbsteinrastend:
Nein
Liefereinheit:
1 Stck
f)
211-9106.00-00000
Profil-Halbzylinder mit Radialstift-Zylinder verschiedenschließend
Details
Verriegelung:
Druckknopf
Verschlussart:
verschiedenschließend
selbsteinrastend:
Ja
Liefereinheit:
1 Stck
f)
211-9107.00-00000
Profil-Halbzylinder mit Radialstift-Zylinder, gleichschließend DIRAK D0205
Details
Verriegelung:
Druckknopf
Verschlussart:
gleichschließend DIRAK D0205
selbsteinrastend:
Ja
Liefereinheit:
1 Stck
f)
211-9244.00-00000
Sicherheitsbetätigung Dreikant 8mm mit frei drehbarem Vorderteil
Details
Betätigung:
Sicherheitsbetätigung Dreikant 8mm mit frei drehbarem Vorderteil
selbsteinrastend:
Ja
Liefereinheit:
1 Stck
f)
211-0401.03-00000
Blindstopfen ohne Kugelschnäpper
Details
Name:
Blindstopfen ohne Kugelschnäpper
selbsteinrastend:
Nein
Liefereinheit:
1 Stck
f)
211-9201.00-00000
Blindstopfen mit Kugelschnäpper
Details
Name:
Blindstopfen mit Kugelschnäpper
selbsteinrastend:
Ja
Liefereinheit:
1 Stck
d)
207-9504.00-00000
Flügelzunge, H-Maß 4mm
d)
207-9506.00-00000
Flügelzunge, H-Maß 6mm
d)
207-9508.00-00000
Flügelzunge, H-Maß 8mm
d)
207-9510.00-00000
Flügelzunge, H-Maß 10mm
d)
207-9513.00-00000
Flügelzunge, H-Maß 13mm
d)
207-9514.00-00000
Flügelzunge, H-Maß 14mm
d)
207-9516.00-00000
Flügelzunge, H-Maß 16mm
d)
207-9518.00-00000
Flügelzunge, H-Maß 18mm
d)
207-9520.00-00000
Flügelzunge, H-Maß 20mm
d)
207-9522.00-00000
Flügelzunge, H-Maß 22mm
d)
207-9524.00-00000
Flügelzunge, H-Maß 24mm
d)
207-9525.00-00000
Flügelzunge, H-Maß 25mm
d)
207-9526.00-00000
Flügelzunge, H-Maß 26mm
d)
207-9528.00-00000
Flügelzunge, H-Maß 28mm
d)
207-9530.00-00000
Flügelzunge, H-Maß 30mm
d)
207-9532.00-00000
Flügelzunge, H-Maß 32mm
d)
207-9534.00-00000
Flügelzunge, H-Maß 34mm
d)
207-9535.00-00000
Flügelzunge, H-Maß 35mm
d)
207-9536.00-00000
Flügelzunge, H-Maß 36mm
d)
207-9538.00-00000
Flügelzunge, H-Maß 38mm
d)
207-9540.00-00000
Flügelzunge, H-Maß 40mm
d)
207-9542.00-00000
Flügelzunge, H-Maß 42mm
d)
207-9544.00-00000
Flügelzunge, H-Maß 44mm
d)
207-9545.00-00000
Flügelzunge, H-Maß 45mm
d)
207-9547.00-00000
Flügelzunge, H-Maß 47mm
d)
207-9550.00-00000
Flügelzunge, H-Maß 50mm
d)
207-9599.00-00000
Stangenantrieb
Produktkonfiguration
Gewählte Ausführung
Produktnummer | 602-9004.00-GR024 |
Liefereinheit: | 1 Stck |
Montageart: | anschraubbar |
Oberfläche: | schwarz RAL 9005 |
Spannung: | 24V |
LED: | grün |
Gewählte Zusatzprodukte
[keine] |