[6-1380]
Klappmuldengriff, flächenbündig








Vorteile
- Rüttelfeste, klapperfreie Konstruktion.
- Verwendung z.B. im Straßen- und Schienenfahrzeugbau, Waggonbau.
- Geschlossene Gehäuseoberfläche gegen Schmutzablagerungen.
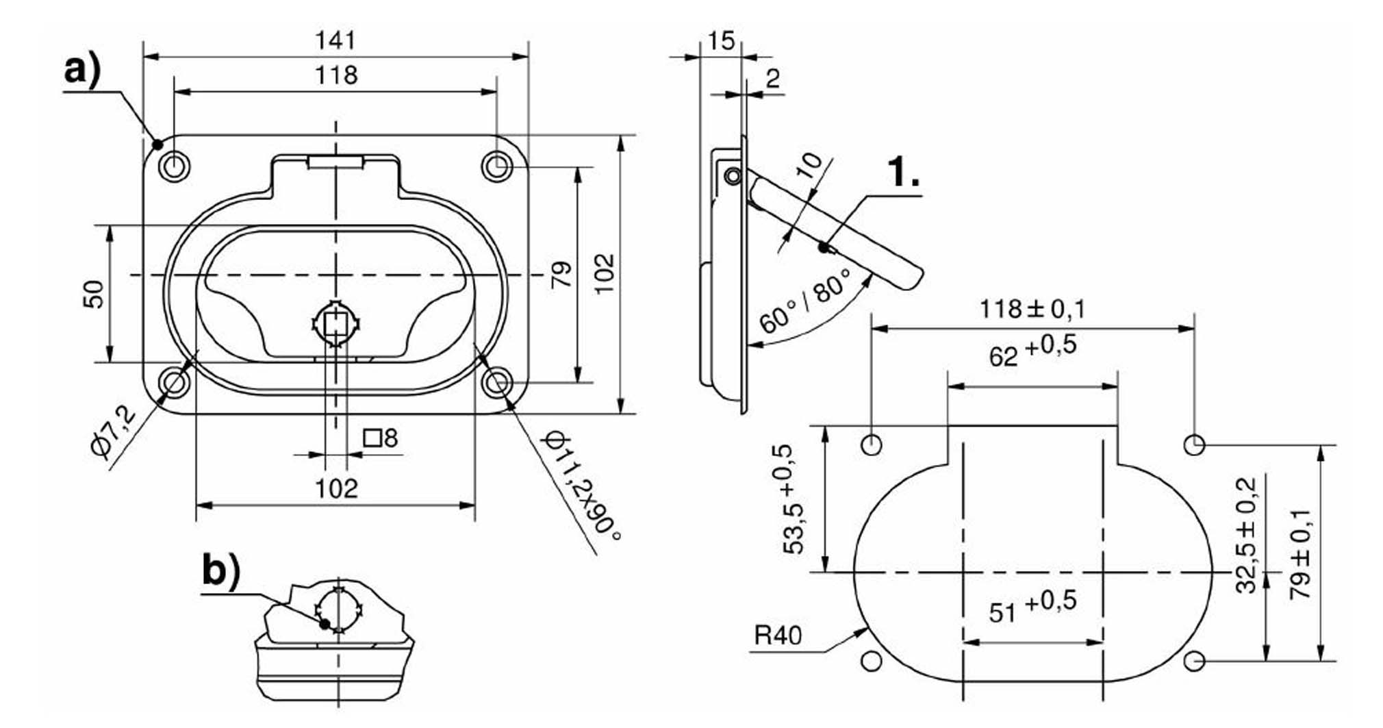
- Variante a) mit Verschluss und Öffnungswinkel von 60° oder 80°.
- Integrierter Sicherheitsdrehriegel □8.
- Betätigung des Klappmuldengriffes nur durch einen Drehriegelschlüssel möglich.
- Variante b) ohne Verschluss und Öffnungswinkel von 60° oder 80°.
Werkstoffe
- Klappmuldengriff: GDZn, verchromt oder schwarz
- Gummipuffer: EPDM
Anmerkungen
Gewicht 510g.1. Gummipuffer
Gewählte Ausführung
Produktnummer | 213-9002.00-00080 |
Montageart: | anschraubbar |
Oberfläche: | schwarz |
Liefereinheit: | 10 Stck |
Verriegelung: | nein |
Öffnungswinkel: | 80° |
Zugehörige Produkte
Spezifisches Zubehör
Produktnummer
Name
204-0103.00-00000
Hohlschlüssel, Vierkant 8mm
204-0403.03-00000
Hohlschlüssel (Logo beidseitig), Vierkant 8mm
204-0701.07-07500
Universalschlüssel für Betätigungen
Details
Name:
Universalschlüssel für Betätigungen
Liefereinheit:
10 Stck
Produktkonfiguration
Gewählte Ausführung
Produktnummer | 213-9002.00-00080 |
Montageart: | anschraubbar |
Oberfläche: | schwarz |
Liefereinheit: | 10 Stck |
Verriegelung: | nein |
Öffnungswinkel: | 80° |
Gewählte Zusatzprodukte
[keine] |