[1-071]
Kompressions-Drehriegel Pr20.1












Vorteile
- Kompression 3mm.
- Niedrige Bauhöhe von 22mm.
- Sicht-Markierung der Endstellung.
- Rüttel- und vibrationssicher.
- IP65 nach DIN EN 60529.
- Festes Zungen H-Maß 8mm, L36mm.
- Werkzeuglose Montage durch Befestigungsfeder.
- Der Drehriegel kann vormontiert eingebaut werden.
Werkstoffe
- Gehäuse, Betätigung und Zunge: GDZn, schwarz
- Befestigungsfeder: Edelstahl
- O-Ring und Flachdichtung: NBR
Anmerkungen
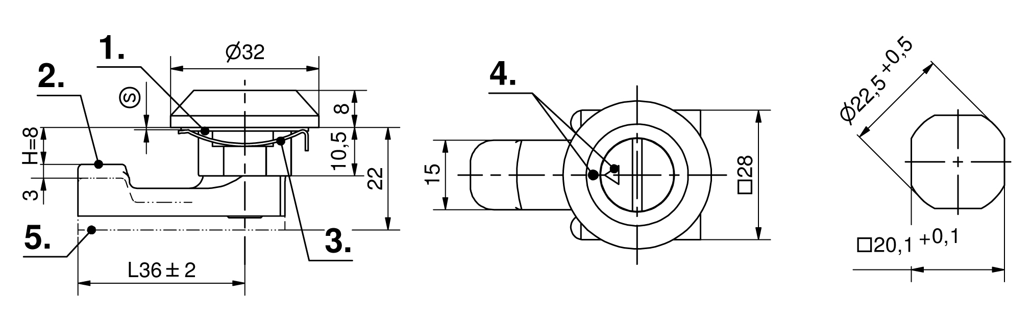
(S) Türstärke max. 2mm1. Flachdichtung
2. Auflaufschräge 1,5mm
3. Befestigungsfeder
4. Sichtmarkierung
5. Hub
Gewählte Ausführung
Produktnummer | 291-9102.00-00000 |
Betätigung: | Schlitz 2x4mm |
Liefereinheit: | 10 Stck |
Montageart: | werkzeuglos |
Bautiefe geöffnet: | 22 mm |
Zugehörige Produkte
Zubehöre
Produktnummer
Name
204-0409.03-00000
Hohlschlüssel (Logo beidseitig), Klinge 10 x 1,4
Produktkonfiguration
Gewählte Ausführung
Produktnummer | 291-9102.00-00000 |
Betätigung: | Schlitz 2x4mm |
Liefereinheit: | 10 Stck |
Montageart: | werkzeuglos |
Bautiefe geöffnet: | 22 mm |
Gewählte Zusatzprodukte
[keine] |