[1-079.01]
Kompressions-Drehriegel Pr20.1 L32












Vorteile
- Kompression 6mm.
- Flache Kopfform.
- Markierung auf dem Gehäusekopf offen/geschlossen in Form eines Vorhängeschlosses, ist farblich unterschieden.
- Betätigungen mit farbiger Markierung.
- Rüttel- und vibrationssicher.
- IP65/67 nach DIN EN 60529 und IP69K nach DIN 40050.
- Rechte und linke Version.
- Erdung durch einseitige Erdungsmutter.
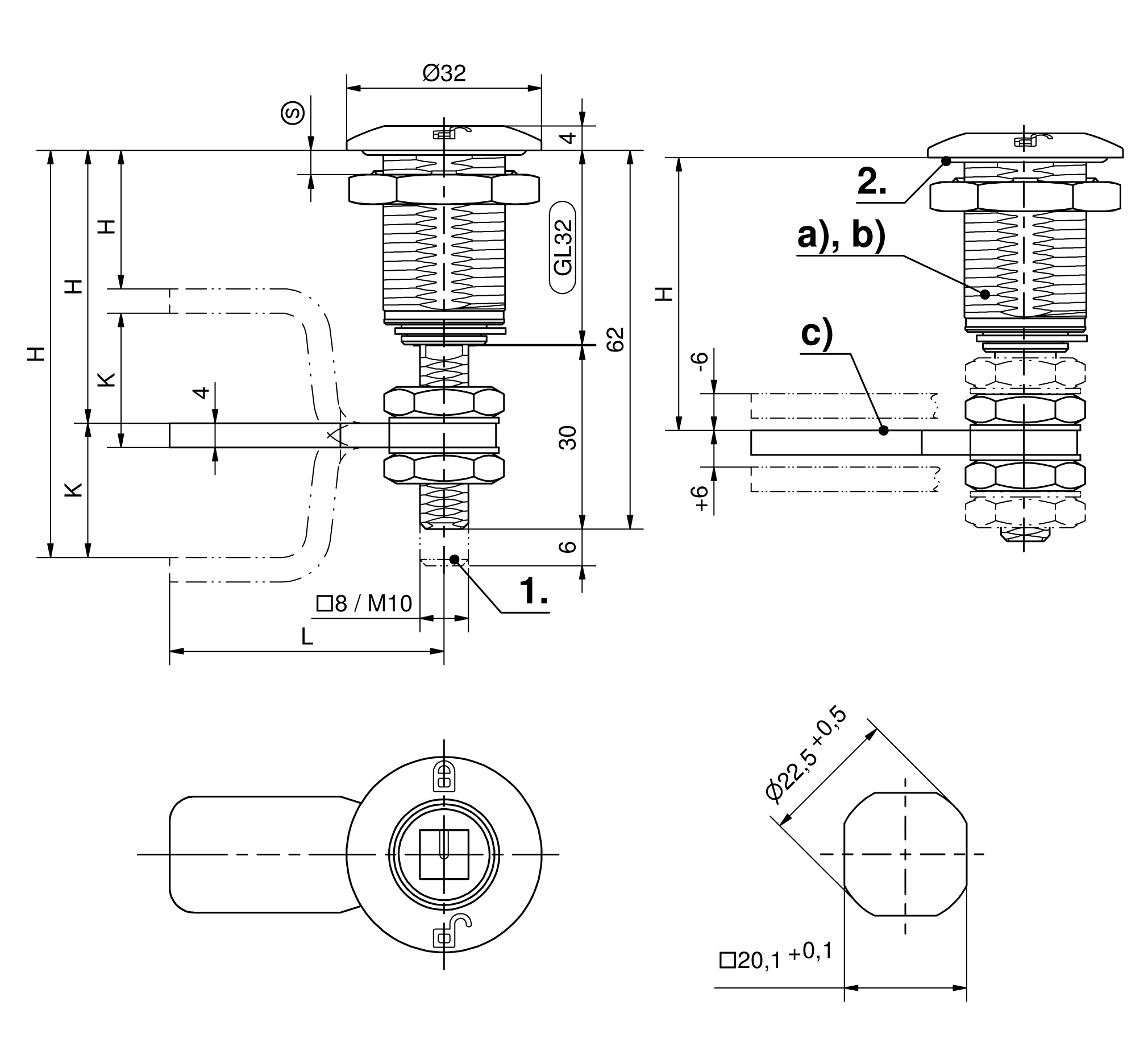
- Das H-Maß 17 - 73mm wird über die Kröpfungen der Zungen variabel gestaltet.
- Die Zunge kann über die Muttern auf der Vierkant-Gewindestange variabel eingestellt werden.
Werkstoffe
- Gehäuse, Betätigung: GDZn, verchromt glänzend oder schwarz matt E-coated
- Vierkant-Gewindestange, Mutter: Stahl, verzinkt
- Erdungsmutter: GDZn, roh
Anmerkungen
(S) Türstärke max. 22mmBitte konfigurieren Sie den Drehriegel mit einer Zunge.
1. Kompression 6mm
2. Geschäumte Dichtung
Gewählte Ausführung
Produktnummer | 248-9862.03-11201 |
Liefereinheit: | 1 Stck |
Montageart: | anschraubbar |
Oberfläche: | schwarz |
Betätigung: | Vierkant 8mm |
Zugehörige Produkte
Zubehöre
Produktnummer
Name
c)
100-0545.15-00022
Zunge, Kröpfung 22mm
Details
b) Kröpfung negativ K =:
22 mm
c) Kröpfung positiv K = :
22 mm
Liefereinheit:
1 Stck
c)
100-0545.15-00020
Zunge, Kröpfung 20mm
Details
b) Kröpfung negativ K =:
20 mm
c) Kröpfung positiv K = :
20 mm
Liefereinheit:
1 Stck
c)
100-0545.15-00018
Zunge, Kröpfung 18mm
Details
b) Kröpfung negativ K =:
18 mm
c) Kröpfung positiv K = :
18 mm
Liefereinheit:
1 Stck
c)
100-0545.15-00016
Zunge, Kröpfung 16mm
Details
b) Kröpfung negativ K =:
16 mm
c) Kröpfung positiv K = :
16 mm
Liefereinheit:
1 Stck
c)
100-0545.15-00014
Zunge, Kröpfung 14mm
Details
b) Kröpfung negativ K =:
14 mm
c) Kröpfung positiv K = :
14 mm
Liefereinheit:
1 Stck
c)
100-0545.15-00012
Zunge, Kröpfung 12mm
Details
b) Kröpfung negativ K =:
12 mm
c) Kröpfung positiv K = :
12 mm
Liefereinheit:
1 Stck
c)
100-0545.15-00010
Zunge, Kröpfung 10mm
Details
b) Kröpfung negativ K =:
10 mm
c) Kröpfung positiv K = :
10 mm
Liefereinheit:
1 Stck
c)
100-0545.15-00008
Zunge, Kröpfung 8mm
Details
b) Kröpfung negativ K =:
8 mm
c) Kröpfung positiv K = :
8 mm
Liefereinheit:
1 Stck
c)
100-0545.15-00006
Zunge, Kröpfung 6mm
Details
b) Kröpfung negativ K =:
6 mm
c) Kröpfung positiv K = :
6 mm
Liefereinheit:
1 Stck
c)
100-0545.15-00004
Zunge, Kröpfung 4mm
Details
b) Kröpfung negativ K =:
4 mm
c) Kröpfung positiv K = :
4 mm
Liefereinheit:
1 Stck
c)
100-0545.15-00002
Zunge, Kröpfung 2mm
Details
b) Kröpfung negativ K =:
2 mm
c) Kröpfung positiv K = :
2 mm
Liefereinheit:
1 Stck
c)
100-0545.15-00000
Zunge, ohne Kröpfung
Details
b) Kröpfung negativ K =:
0 mm
c) Kröpfung positiv K = :
0 mm
Liefereinheit:
1 Stck
204-0107.00-00000
Schlüssel, Doppelbart 3mm Dorn
204-0108.00-00000
Schlüssel, Doppelbart 5mm Dorn
204-0102.00-00000
Hohlschlüssel, Vierkant 7mm
204-0103.00-00000
Hohlschlüssel, Vierkant 8mm
204-0104.00-00000
Hohlschlüssel, Dreikant 7mm
204-0105.00-00000
Hohlschlüssel, Dreikant 8mm
204-0106.00-00000
Hohlschlüssel, Dreikant 6,5 CNOMO
Details
Betätigung:
Dreikant 6,5mm CNOMO
D:
14,2 mm
Liefereinheit:
10 Stck
204-0109.00-00000
Hohlschlüssel, Daimler Benz Ausführung
Details
Betätigung:
Daimler Benz Ausführung
D:
11,5 mm
Liefereinheit:
10 Stck
204-0110.00-00000
Hohlschlüssel, Kronenkontur
204-0111.00-00000
Hohlschlüssel, Vierkant 6mm
204-0112.00-00000
Hohlschlüssel, Dreikant 6,5mm
204-0113.00-00000
Hohlschlüssel, Dreikant 9mm EDF
204-0116.00-00000
Hohlschlüssel, Halbrund Tschechien
Details
Betätigung:
Halbrund Tschechien
D:
15,9 mm
Liefereinheit:
10 Stck
204-0117.00-00000
Hohlschlüssel, Runddorn mit Kerbe (DÜWAG)
Details
Betätigung:
Runddorn mit Kerbe (DÜWAG)
D:
14,2 mm
Liefereinheit:
10 Stck
204-0119.00-00000
Stiftschlüssel, Außenvierkant 6mm
204-0120.00-00000
Stiftschlüssel, Außenvierkant 7mm
204-0121.00-00000
Stiftschlüssel, Außenvierkant 8mm
204-0133.30-00000
Stiftschlüssel, Außensechskant 8mm (5/16")
Details
Betätigung:
Außensechskant 8mm (5/16")
D:
11,8 mm
Liefereinheit:
10 Stck
204-0134.30-00000
Hohlschlüssel, Sechskant 7/16"
204-0139.00-00000
Hohlschlüssel, Sechskant SW10
204-0501.00-00000
Hohlschlüssel, Vierkant 6mm
204-0502.00-00000
Hohlschlüssel, Dreikant 6,5mm
204-0407.03-00000
Schlüssel, Doppelbart 3mm Dorn
204-0408.03-00000
Schlüssel, Doppelbart 5mm Dorn
204-0401.03-00000
Hohlschlüssel (Logo beidseitig), Vierkant 6mm
204-0402.03-00000
Hohlschlüssel (Logo beidseitig), Vierkant 7mm
204-0403.03-00000
Hohlschlüssel (Logo beidseitig), Vierkant 8mm
204-0404.03-00000
Hohlschlüssel (Logo beidseitig), Dreikant 6,5mm
204-0405.03-00000
Hohlschlüssel (Logo beidseitig), Dreikant 7mm
204-0406.03-00000
Hohlschlüssel (Logo beidseitig), Dreikant 8mm
204-0409.03-00000
Hohlschlüssel (Logo beidseitig), Klinge 10 x 1,4
204-0302.42-00000
Schlüssel FIAT
204-0301.00-00000
PZ Bauschlüssel
204-0701.07-07500
Universalschlüssel für Betätigungen
Details
Name:
Universalschlüssel für Betätigungen
Liefereinheit:
10 Stck
204-0702.80-00000
Universal-Bahnschlüssel
Details
Name:
Universal-Bahnschlüssel
Betätigung:
Universal
Liefereinheit:
1 Stck
701-7049.80-00000
Hohlschlüssel
Details
Name:
Hohlschlüssel
Betätigung:
konischer Vierkant, 9mm
Liefereinheit:
1 Stck
204-0126.00-00000
Schlüssel
Details
Name:
Schlüssel
Betätigung:
Innenvierkant 7,6mm
Liefereinheit:
10 Stck
200-4103.00-00000
Staubkappe
Details
Name:
Staubkappe
Durchmesser:
IP-Schutz:
IP65/67
Material:
TPU
Temperaturbereich:
-40° bis +100°C
Liefereinheit:
10 Stck
200-4601.00-00000
Verdrehschutz, GDZn verzinkt
Details
Bezeichnung:
Verdrehschutz
Material:
GDZn
Oberfläche:
verzinkt
D:
-
d:
S:
-
Liefereinheit:
10 Stck
200-4601.02-00000
Verdrehschutz, GDZn schwarz
Details
Bezeichnung:
Verdrehschutz
Material:
GDZn
Oberfläche:
schwarz
D:
-
d:
S:
-
Liefereinheit:
10 Stck
Montageoptionen
Produktnummer
Name
200-0020.00-00000
Montage Zunge linke Tür
200-0021.00-00000
Montage Zunge rechte Tür
Produktkonfiguration
Gewählte Ausführung
Produktnummer | 248-9862.03-11201 |
Liefereinheit: | 1 Stck |
Montageart: | anschraubbar |
Oberfläche: | schwarz |
Betätigung: | Vierkant 8mm |
Gewählte Zusatzprodukte
[keine] |