Skip to main content Skip to search Skip to main navigation
[7-080.02]

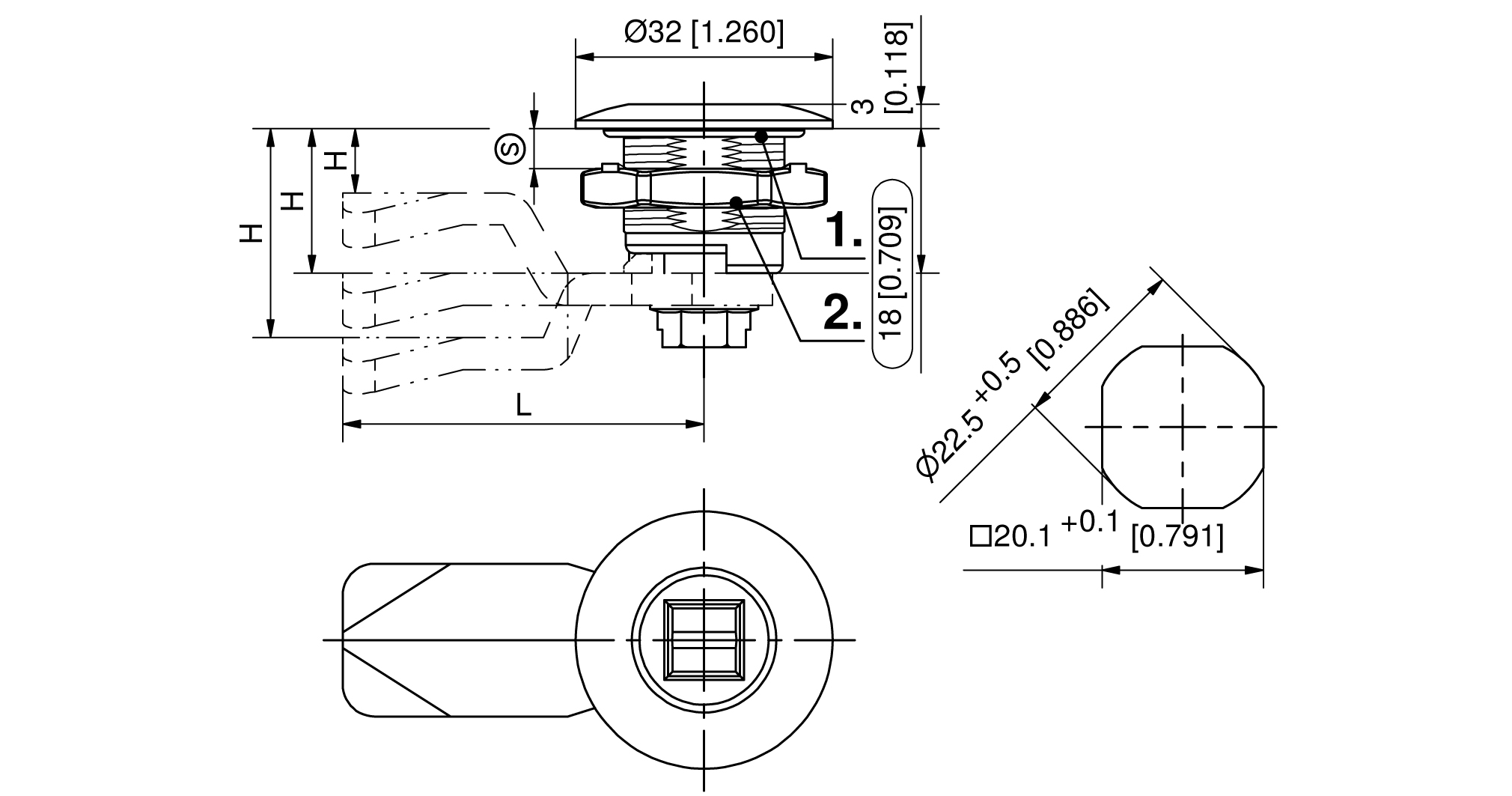
Quarter-Turn with Conical Square Insert Pr20.1 L18 Stainless Steel

ICON_CUTOUT_20_1
ICON_DIRAK_GEERDET
ICON_IP65
ICON_MUTTER_15Nm
ICON_ROHS
ICON_TUERANSCHLAG_LR
ICON_EDELSTAHL

Available versions

Safety quarter-turn with conical square 9mm insert

Product number
Housing length
Door-thickness (S)
Installation type
Delivery Unit
100-8122.00-00018
18 mm
0 mm - 8 mm
screw-on
1 pc.
Contact linkedin YouTube