[1-067]
Compression Latch Pr19.1
















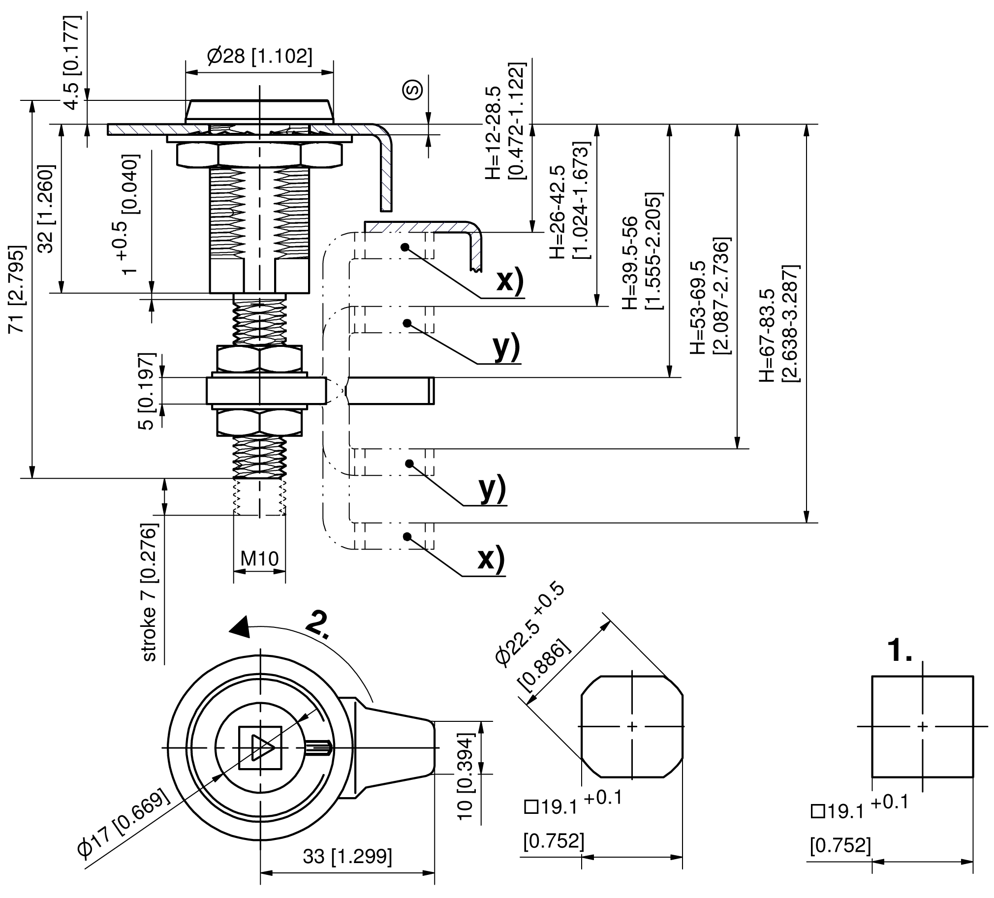
Advantages
- Compression 7mm.
- Housing with marking.
- Vibration-proof according to DIN EN 61373.
- IP65/67 according to DIN EN 60529.
- H-dimension variably adjustable from 39.5mm to 56mm by included straigth cam.
- H-dimension variably adjustable from 12mm to 83.5mm by cams x) or y).
Material
- Housing and insert: zinc die, black
- Nut for attachment of the housing: zinc die
- Serrated washer, nut and pin: steel, zinc plated
Remarks
(S) Door-thickness max. 18 mmInserts j) and k) (see drawing) on request.
1. NOT for IP65
2. open
Selected version
Product number | 248-0602.15-00275 |
Delivery Unit: | 25 pcs. |
variable H-dimension positive: | 67 mm - 83.5 mm |
variable H-dimension negative: | 12 mm - 28.5 mm |
Bending: | 27,5 mm |
Related Products
Accessories
Article no.
Name
204-0107.00-00000
Key, double bit 3mm pin
204-0108.00-00000
Key, double bit 5mm pin
204-0102.00-00000
Wrench, square 7mm
204-0103.00-00000
Wrench, square 8mm
204-0104.00-00000
Wrench, triangular 7mm
204-0105.00-00000
Wrench, triangular 8mm
204-0106.00-00000
Wrench, triangular 6.5mm CNOMO
204-0109.00-00000
Wrench, Daimler Benz type
204-0110.00-00000
Wrench, crown type
204-0111.00-00000
Wrench, square 6mm
204-0112.00-00000
Wrench, triangular 6.5mm CNOMO
204-0113.00-00000
Wrench, triangular 9mm EDF
204-0116.00-00000
Wrench, half-round czech
204-0117.00-00000
Wrench, round mandrel with notch (DÜWAG)
Details
Insert:
Round mandrel with notch (DÜWAG)
D:
14,2 mm
Delivery Unit:
10 pcs.
204-0119.00-00000
Wrench, male key square 6mm
204-0120.00-00000
Wrench, male key square 7mm
204-0121.00-00000
Wrench, male key square 8mm
204-0133.30-00000
Wrench, male key hex. 8mm (5/16")
204-0134.30-00000
Wrench, hex. 7/16"
204-0139.00-00000
Wrench, hex. SW10
204-0501.00-00000
Wrench, square 6mm
204-0502.00-00000
Wrench, triangular 6.5mm
204-0407.03-00000
Key, double bit 3mm pin
204-0408.03-00000
Key, double bit 5mm pin
204-0401.03-00000
Hollow key, (logo both sides), square 6mm
204-0402.03-00000
Hollow key, (logo both sides), square 7mm
204-0403.03-00000
Hollow key, (logo both sides), square 8mm
204-0404.03-00000
Hollow key, (logo both sides), triangular 6.5mm
204-0405.03-00000
Hollow key, (logo both sides), triangular 7mm
204-0406.03-00000
Hollow key, (logo both sides), triangular 8mm
204-0409.03-00000
Hollow key, (logo both sides), blade 10 x1.4
204-0301.00-00000
PZ building key
204-0701.07-07500
Universal key for Inserts
248-0602.15-00135
Cam, bending 13.5mm
Details
Bending:
13,5 mm
variable H-dimension negative:
26 mm - 42.5 mm
variable H-dimension positive:
53 mm - 69.5 mm
Delivery Unit:
25 pcs.
248-0602.15-00275
Cam, bending 27.5mm
Details
Bending:
27,5 mm
variable H-dimension negative:
12 mm - 28.5 mm
variable H-dimension positive:
67 mm - 83.5 mm
Delivery Unit:
25 pcs.
Product Configuration
Selected version
Product number | 248-0602.15-00275 |
Delivery Unit: | 25 pcs. |
variable H-dimension positive: | 67 mm - 83.5 mm |
variable H-dimension negative: | 12 mm - 28.5 mm |
Bending: | 27,5 mm |
Selected additional products
[none] |