[6-111.02]
Slam Latch for Insert, with and without Internal Unlocking








Advantages
- RH / LH or vertical / horizontal application.
- Pull back of the bolt by rotation of the insert.
- Closing is possible by self-locking of the latch bolt with free stroke.
- Variant a) with internal unlocking: by pulling the handle, the latch is retracted.
- Large, ergonomically shaped handle for optimal operation.
- Use in applications according to DIN 79008.
- Indication of unlocking direction by high-quality self-adhesive foil, long afterglow coated according to DIN 67510-4.
- Variant b): without internal unlocking.
Material
- Slam latch: zinc die, zinc plated
- Latch bolt: spheroidal graphite, cast iron
- Internal unlocking: PA, green
Remarks
Please order separately:insert, lock support, lock cover and serrated screw.
Use of inserts according to product system 2-141.
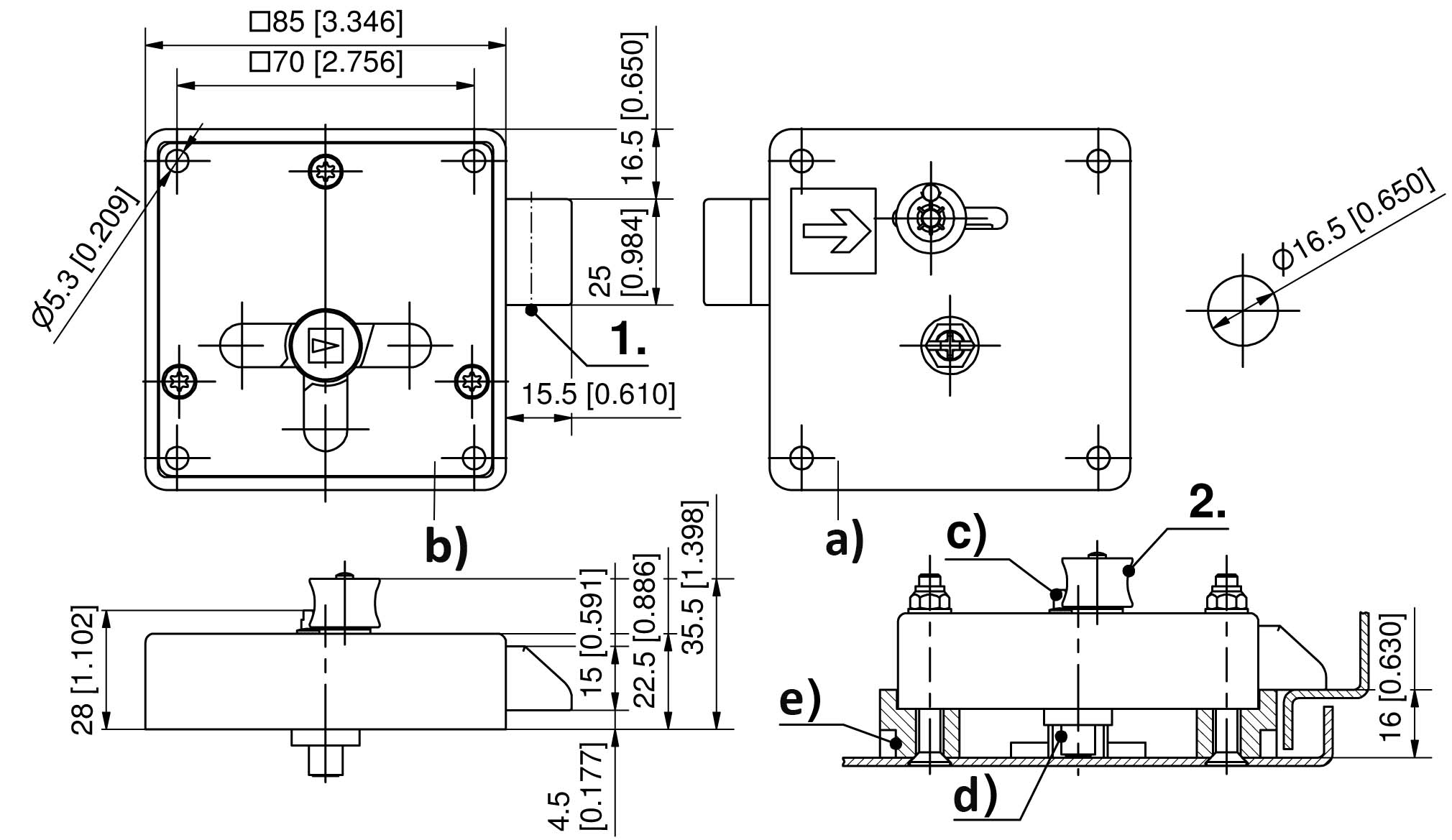
Installation with 4 carriage bolts or weld-studs M5.
1. stroke
2. handle for internal unlocking
Shown is part number 229-9109.00-00001
Selected version
Product number | 229-9110.00-00000 |
Delivery Unit: | 1 pc. |
Installation type: | screw-on |
Version: | LH door |
Variant: | without internal unlocking |
Related Products
Assembly options
Article no.
Name
207-0016.00-00000
Assembling of inserts / profile-cylinder
Accessories
Article no.
Name
c)
202-0616.00-00000
Serrated screw
Details
D:
13,5 mm
k:
5,5 mm
SW:
10 mm
L:
16 mm
Thread size:
M6
Material:
steel
Surface:
zinc plated
Delivery Unit:
200 pcs.
d)
211-9501.00-00000
Square 6mm
d)
211-9502.00-00000
Square 7mm
d)
211-9503.00-00000
Square 8mm
d)
211-9504.00-00000
Square 8mm, slotted
d)
211-9505.00-00000
Triangular 6,5mm, CNOMO
d)
211-9506.00-00000
Triangular 7mm
d)
211-9507.00-00000
Triangular 8mm
d)
211-9508.00-00000
Triangular 9mm EDF
d)
211-9509.00-00000
Double bit 3mm pin
d)
211-9510.00-00000
Double bit 5mm pin
d)
211-9511.00-00000
Socket hex. 6mm
d)
211-9512.00-00000
Socket hex. 10mm
d)
211-9513.00-00000
Daimler Benz type
d)
211-9514.00-00000
Slotted 2x4mm
d)
211-9515.00-00000
Slotted recessed coinproof
d)
211-9516.00-00000
Crown type
d)
211-9517.00-00000
Square socket 6mm
d)
211-9518.00-00000
Square socket 7mm
d)
211-9519.00-00000
Square socket 8mm
d)
211-9520.00-00000
Half-round czech
e)
229-0504.35-04045
Lock support
Details
for bending:
11,5 or 16mm
Installation type:
screw-on
Delivery Unit:
1 pc.
e)
229-0504.35-04050
Lock support
Details
for bending:
11,5 or 21mm
Installation type:
screw-on
Delivery Unit:
1 pc.
204-0107.00-00000
Key, double bit 3mm pin
204-0108.00-00000
Key, double bit 5mm pin
204-0102.00-00000
Wrench, square 7mm
204-0103.00-00000
Wrench, square 8mm
204-0104.00-00000
Wrench, triangular 7mm
204-0105.00-00000
Wrench, triangular 8mm
204-0106.00-00000
Wrench, triangular 6.5mm CNOMO
204-0109.00-00000
Wrench, Daimler Benz type
204-0110.00-00000
Wrench, crown type
204-0111.00-00000
Wrench, square 6mm
204-0112.00-00000
Wrench, triangular 6.5mm CNOMO
204-0113.00-00000
Wrench, triangular 9mm EDF
204-0116.00-00000
Wrench, half-round czech
204-0117.00-00000
Wrench, round mandrel with notch (DÜWAG)
Details
Insert:
Round mandrel with notch (DÜWAG)
D:
14,2 mm
Delivery Unit:
10 pcs.
204-0119.00-00000
Wrench, male key square 6mm
204-0120.00-00000
Wrench, male key square 7mm
204-0121.00-00000
Wrench, male key square 8mm
204-0133.30-00000
Wrench, male key hex. 8mm (5/16")
204-0134.30-00000
Wrench, hex. 7/16"
204-0139.00-00000
Wrench, hex. SW10
204-0501.00-00000
Wrench, square 6mm
204-0502.00-00000
Wrench, triangular 6.5mm
204-0407.03-00000
Key, double bit 3mm pin
204-0408.03-00000
Key, double bit 5mm pin
204-0401.03-00000
Hollow key, (logo both sides), square 6mm
204-0402.03-00000
Hollow key, (logo both sides), square 7mm
204-0403.03-00000
Hollow key, (logo both sides), square 8mm
204-0404.03-00000
Hollow key, (logo both sides), triangular 6.5mm
204-0405.03-00000
Hollow key, (logo both sides), triangular 7mm
204-0406.03-00000
Hollow key, (logo both sides), triangular 8mm
204-0409.03-00000
Hollow key, (logo both sides), blade 10 x1.4
204-0301.00-00000
PZ building key
204-0701.07-07500
Universal key for Inserts
Product Configuration
Selected version
Product number | 229-9110.00-00000 |
Delivery Unit: | 1 pc. |
Installation type: | screw-on |
Version: | LH door |
Variant: | without internal unlocking |
Selected additional products
[none] |