[1-081.01]
Compression Latch Pr20.1












Advantages
- 6.5mm compression.
- By turning the insert 90° the cam is at first put into the latched position, by turning a further 90° the cam will be pulled towards the frame.
- Matching dots mark the final position.
- The H-dimension 21 - 37mm can be easily adjusted by the adjusting screw. Securing is done via the M8 nut.
- Vibration-proof according to DIN EN 61373.
- IP65 according to DIN EN 60529.
- RH and LH version.
Material
- Housing, cam: zinc die, chrome plated
- Insert: brass, chrome plated
- Spring: stainless steel
- Adjusting screw, nut: steel, zinc plated
Remarks
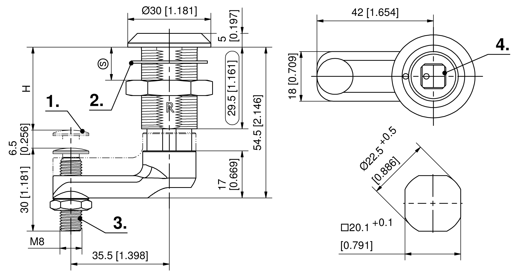
(S) Door-thickness max. 22mm1. compression 6.5mm
2. flat external seal
3. adjusting screw
4. conical square insert
Selected version
Product number | 100-8026.00-00000 |
Delivery Unit: | 1 pc. |
Installation type: | screw-on |
Insert: | Conical square 9mm |
Related Products
Specific accessories
Article no.
Name
204-0702.80-00000
Railway key
701-7049.80-00000
Wrench
204-0126.00-00000
Wrenches and Keys
Details
Name:
Wrenches and Keys
Insert:
Socket square 7.6mm
Delivery Unit:
10 pcs.
Assembly options
Article no.
Name
200-0020.00-00000
Assembling cam, LH door
200-0021.00-00000
Assembling cam, RH door
Product Configuration
Selected version
Product number | 100-8026.00-00000 |
Delivery Unit: | 1 pc. |
Installation type: | screw-on |
Insert: | Conical square 9mm |
Selected additional products
[none] |