[7-073.01]
L-Handle M10 for Padlock Stainless Steel
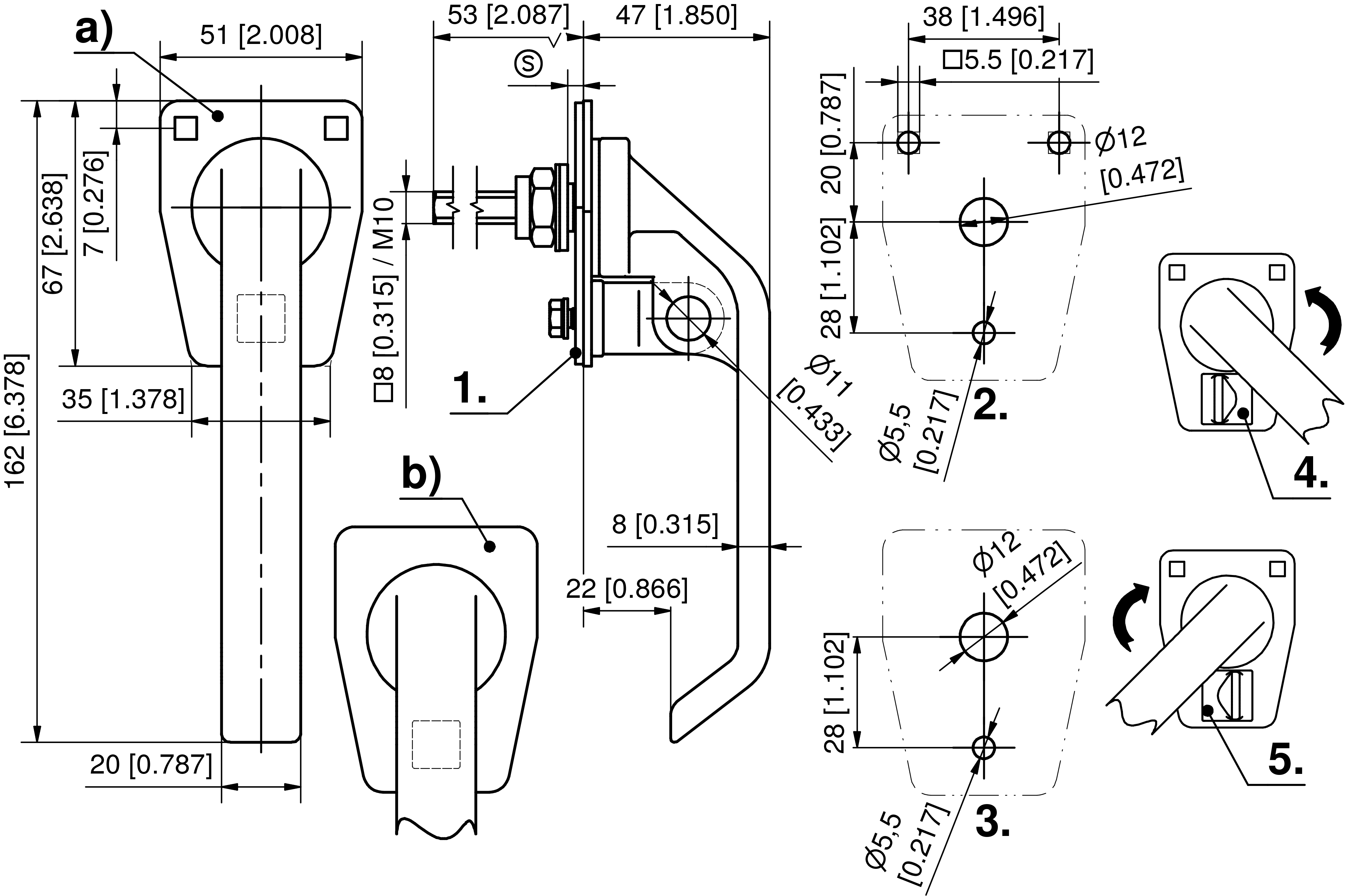
Available versions
L-handle with thread M10
Product number
Version
Installation type
Delivery Unit
a)
281-9006.00-00000
with fastening holes
screw-on
1 pc.
b)
281-9007.00-00000
without fastening holes
screw-on
1 pc.