Skip to main content Skip to search Skip to main navigation
[6-501]

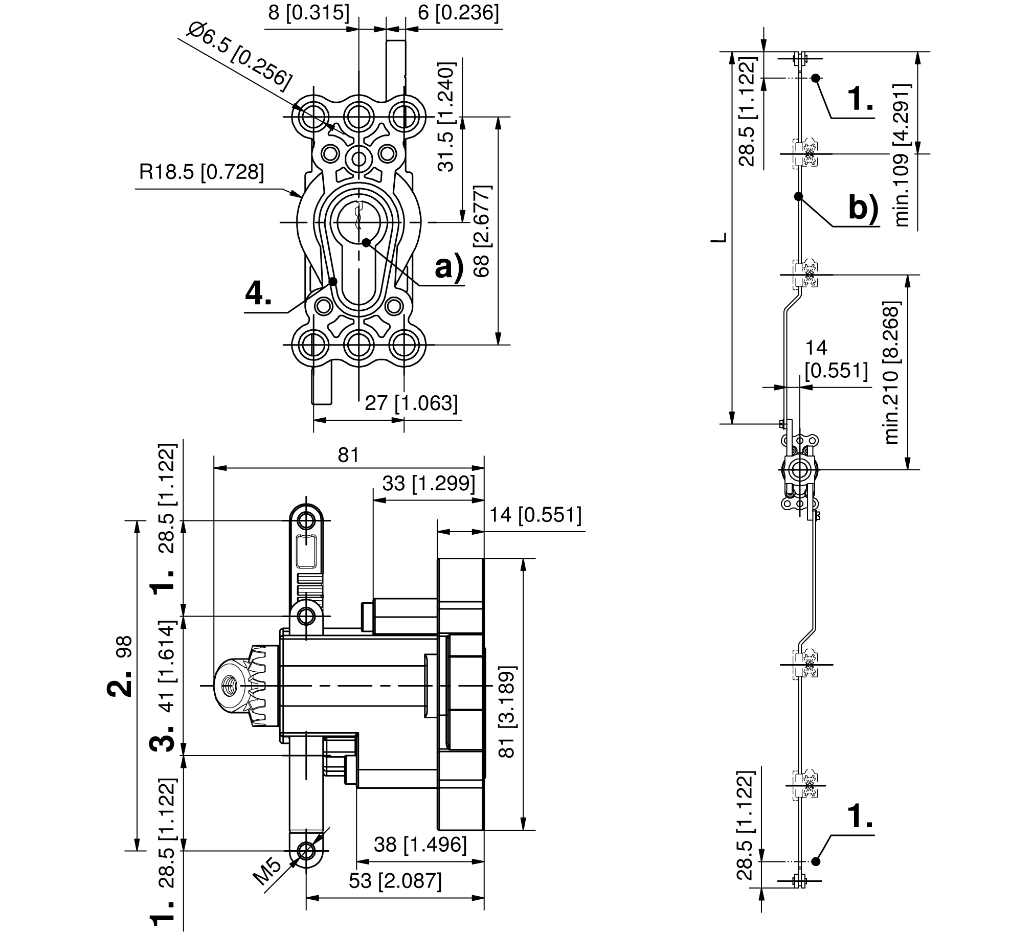
2-Point Latch PHZ, vertical

ICON_IP65
ICON_ROHS
ICON_PZ_DIN_18252
ICON_FLACHSTANGE

Available versions

2-point latch PHZ (internal)

Product number
Version
Multi-point latches
Installation type
Delivery Unit
448-9119.00-00000
for flat rods
Yes
screw-on
1 pc.

Related Products

Contact linkedin YouTube