Skip to main content Skip to search Skip to main navigation
[6-320.02]

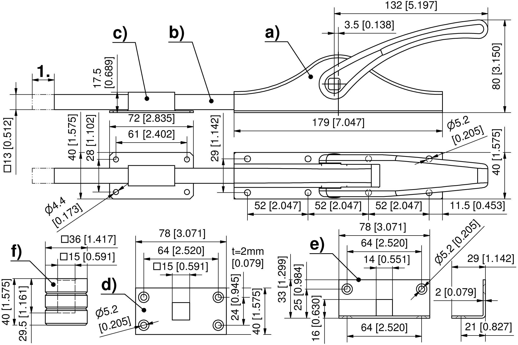
Locking Bar System □13

ICON_ROHS

Available versions

Locking bar system incl. base plate and 3 rod guides

 
Product number
Multi-point latches
Installation type
Delivery Unit
a)
249-9105.00-00000
Yes
screw-on
1 pc.

Related Products

Skip product gallery

Accessories

Contact linkedin YouTube