Skip to main content Skip to search Skip to main navigation
[7-222]

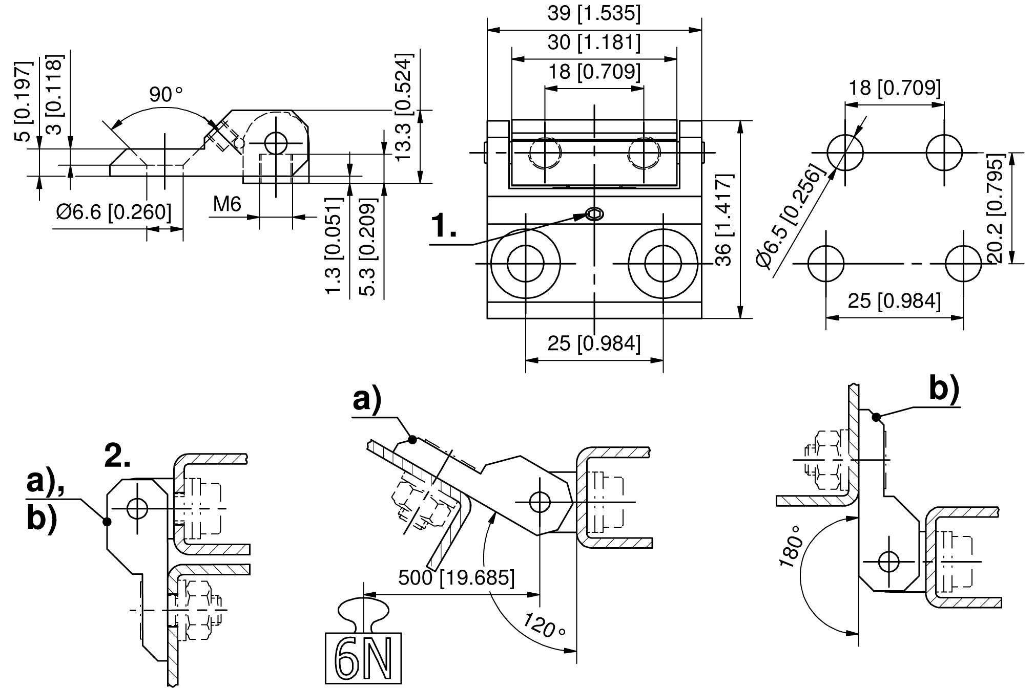
Detent Hinge Pr01 120° / 180° Stainless Steel

ICON_HINGE_SERIES_Pr01
ICON_ROHS
ICON_TUERANSCHLAG_LR
ICON_EDELSTAHL
ICON_180_GRAD
ICON_120_GRAD

Available versions

Contact linkedin YouTube