Skip to main content Skip to search Skip to main navigation
[7-204]

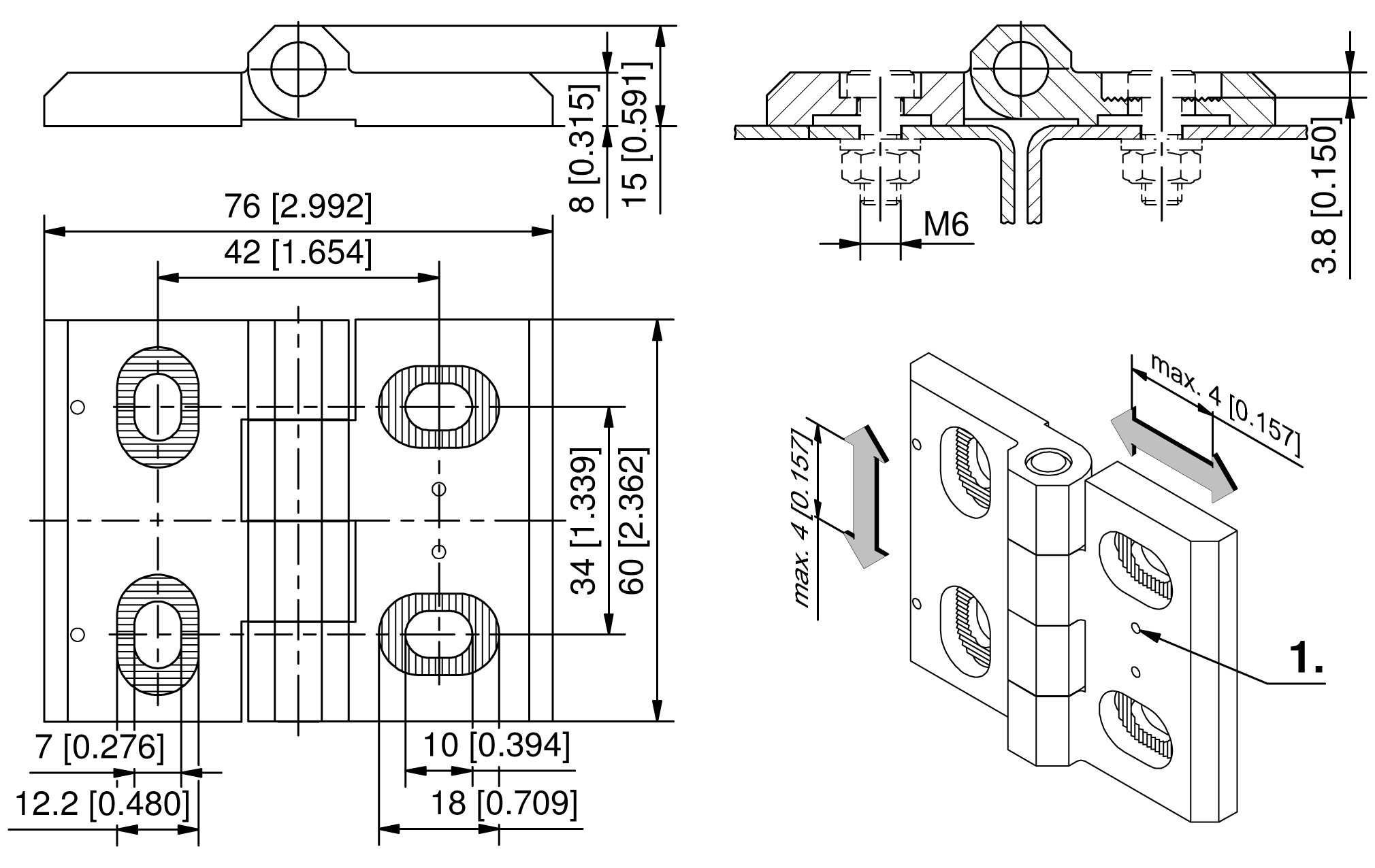
Hinge, adjustable Pr01 180° Stainless Steel

ICON_HINGE_SERIES_Pr01
ICON_ROHS
ICON_TUERANSCHLAG_LR
ICON_EDELSTAHL
ICON_180_GRAD

Available versions

Hinge, adjustable

Product number
Dimension
Adjustment
Pin version
Installation type
Delivery Unit
218-9613.00-00001
60 x 76
Width/ Height
pressed in
screw-on
10 pcs.
Contact linkedin YouTube