[7-201]
Hinge Pr01 180° Stainless Steel
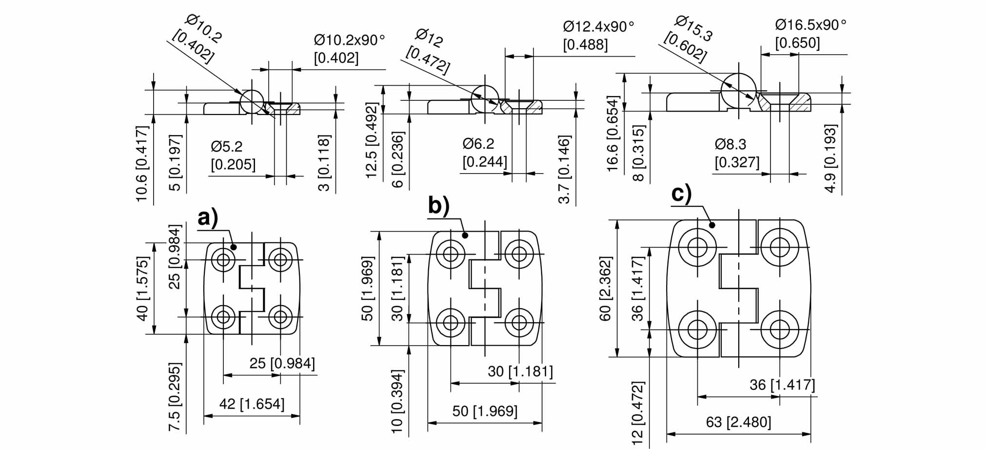
Available versions
Hinge
Product number
Dimension
Pin version
Installation type
Delivery Unit
a)
218-9309.00-00000
40 x 42
welded
screw-on
10 pcs.
b)
218-9310.00-00000
50 x 50
welded
screw-on
10 pcs.
c)
218-9311.00-00000
60 x 63
welded
screw-on
10 pcs.