Skip to main content Skip to search Skip to main navigation
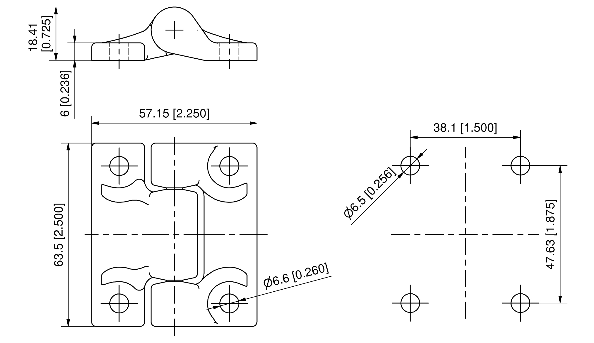
[4-703]

Torque Hinge Pr01 270°

ICON_HINGE_SERIES_Pr01
ICON_ROHS
ICON_TUERANSCHLAG_LR
ICON_270_GRAD

Available versions

Torque hinge

Product number
NM (both directions)
Pin version
Installation type
Delivery Unit
703-9003.00-00140
1,38
pressed in
screw-on
10 pcs.
703-9003.00-00220
2,16
pressed in
screw-on
10 pcs.
Contact linkedin YouTube