Skip to main content Skip to search Skip to main navigation
[4-401]

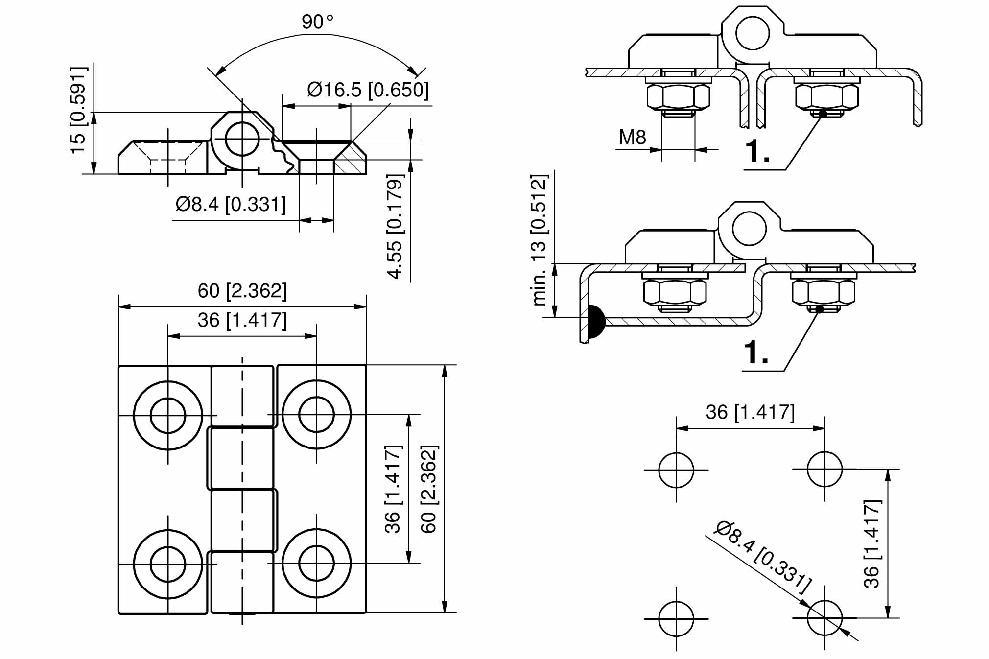
Hinge PA, 60x60 Pr01 180°

ICON_HINGE_SERIES_Pr01
ICON_ROHS
ICON_TUERANSCHLAG_LR
ICON_180_GRAD

Available versions

Hinge

Product number
Width W
Height H
Pin version
Installation type
Delivery Unit
218-9241.00-00000
60 mm
60 mm
pressed in
screw-on
10 pcs.
Contact linkedin YouTube