[4-320]
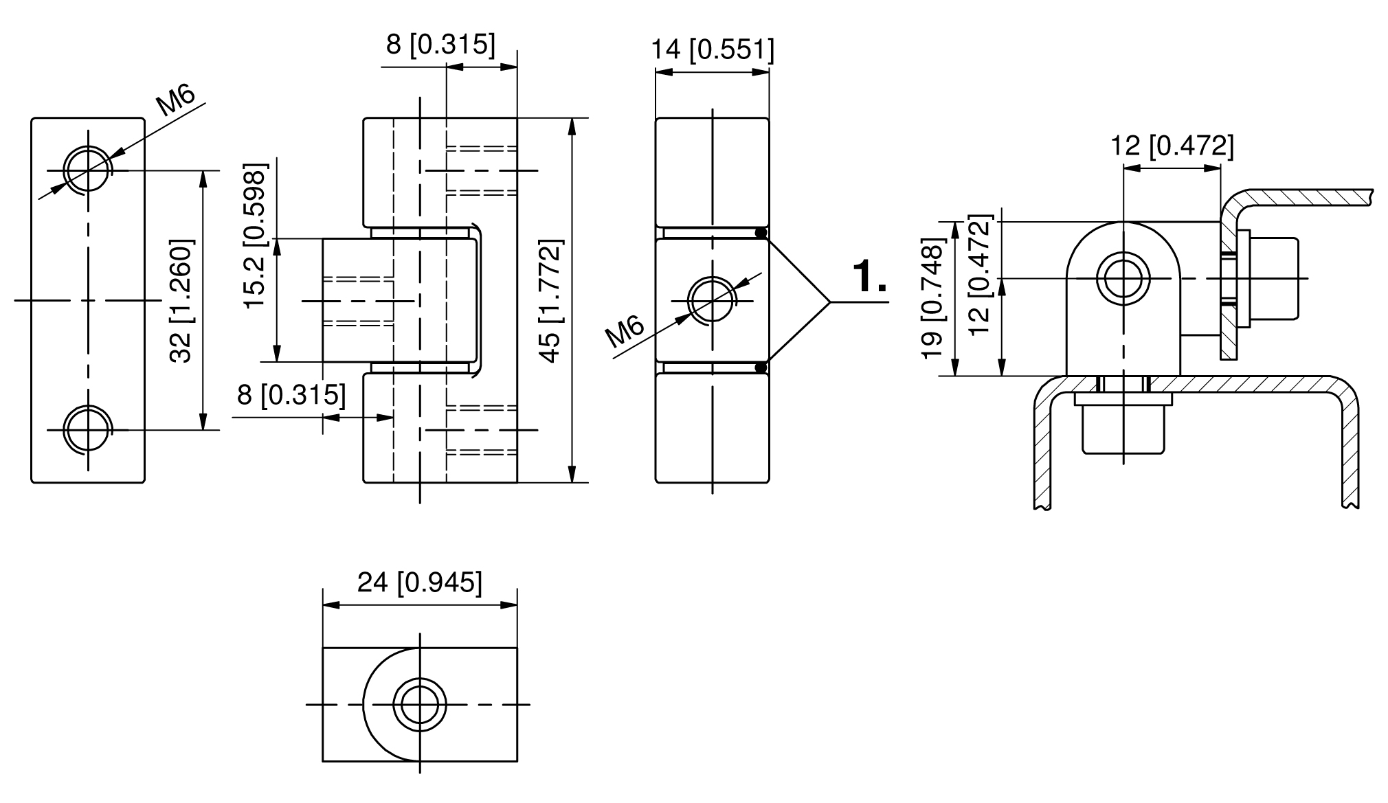
Corner Hinge Pr04 180°
Available versions
Corner hinge, zinc die
Product number
Surface
Pin version
Installation type
Delivery Unit
217-9001.00-00000
glossy chrome plated
pressed in
screw-on
10 pcs.
217-9002.00-00000
black
pressed in
screw-on
10 pcs.