[4-249]
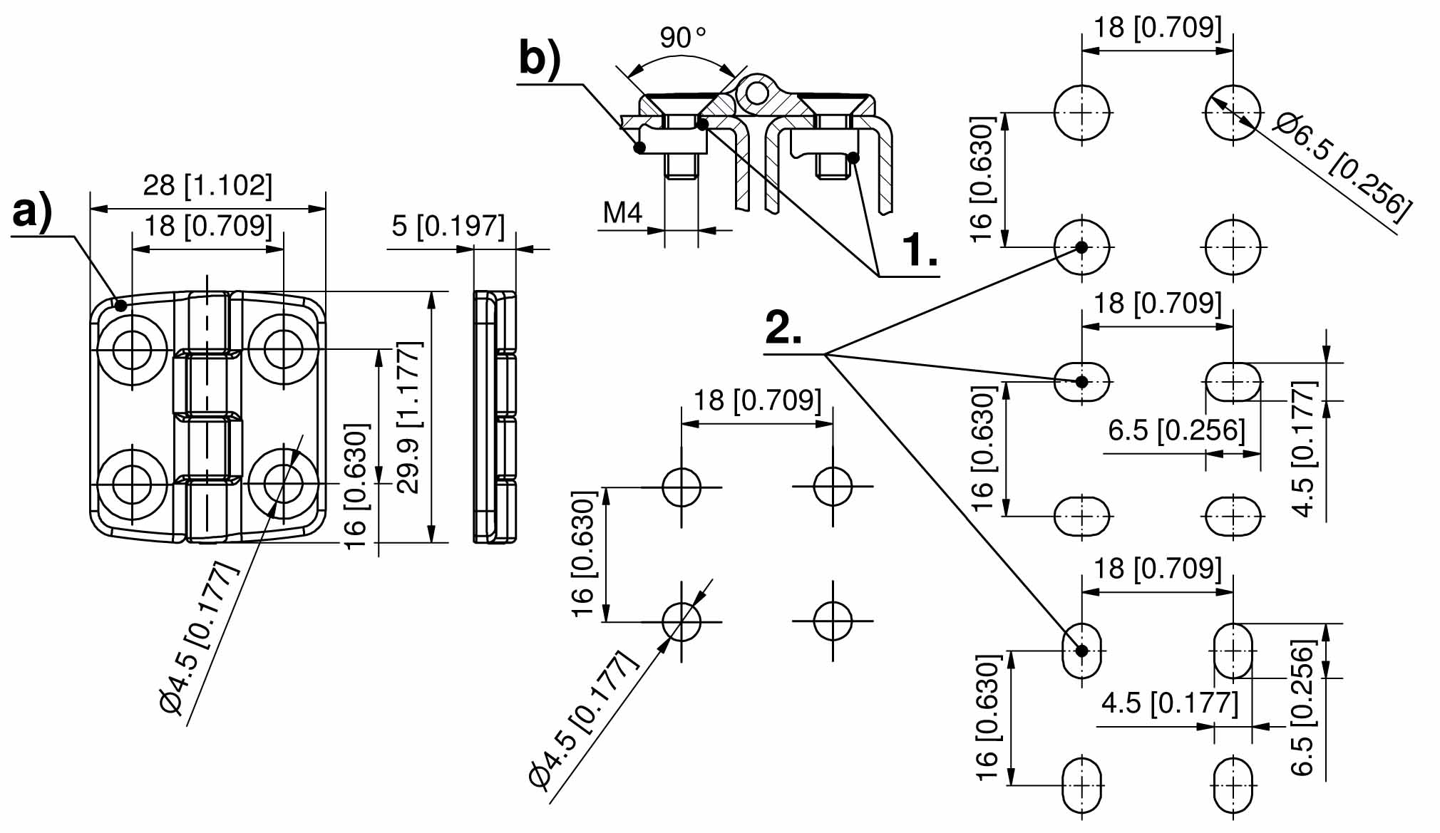
Hinge 28x30 Pr01 180°
Available versions
Hinge, zinc die
Product number
Surface
Pin version
Installation type
Delivery Unit
a)
218-9501.00-00000
black
pressed in
screw-on
10 pcs.
a)
218-9502.00-00000
matte chrome plated
pressed in
screw-on
10 pcs.