Skip to main content
[4-145]

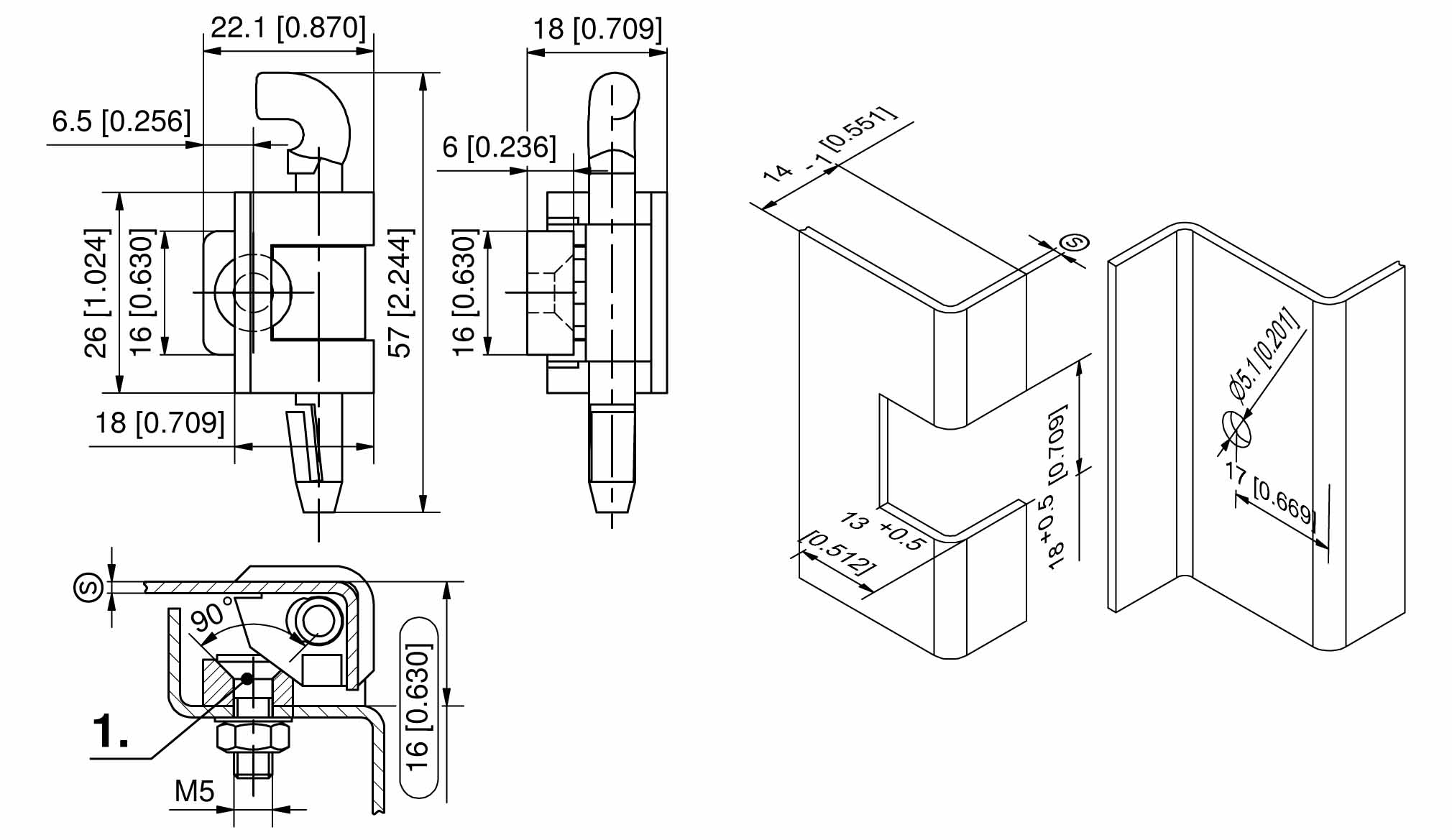
Hinge Pr05 180°

ICON_HINGE_SERIES_Pr05
ICON_ROHS
ICON_TUERANSCHLAG_LR
ICON_180_GRAD

Available versions

Contact linkedin YouTube