Skip to main content
[4-135]

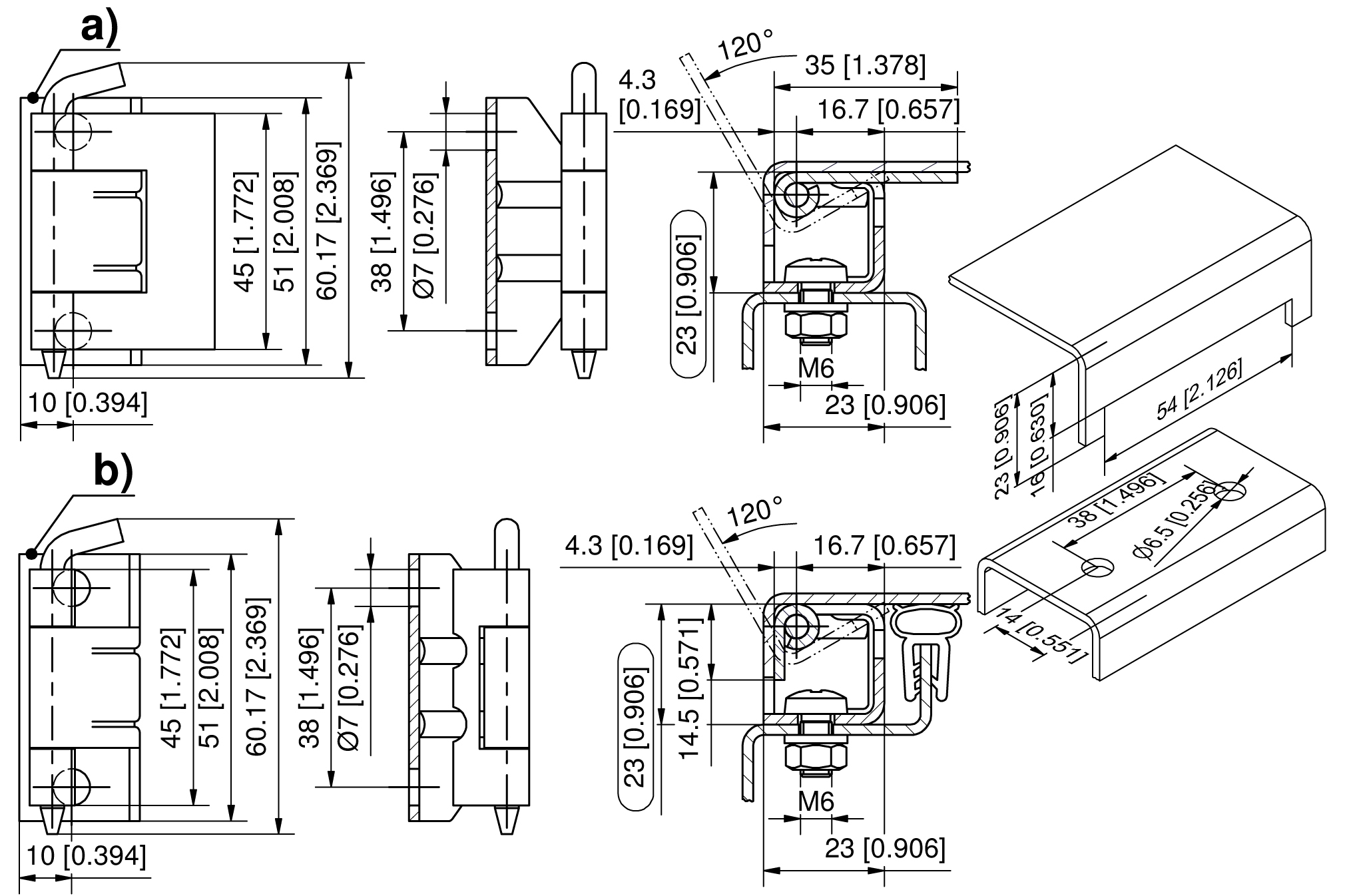
Concealed Hinge Pr03 120°

ICON_HINGE_SERIES_Pr03
ICON_ROHS
ICON_TUERANSCHLAG_LR
ICON_120_GRAD

Available versions

Concealed hinge

Contact linkedin YouTube