[6-1380]
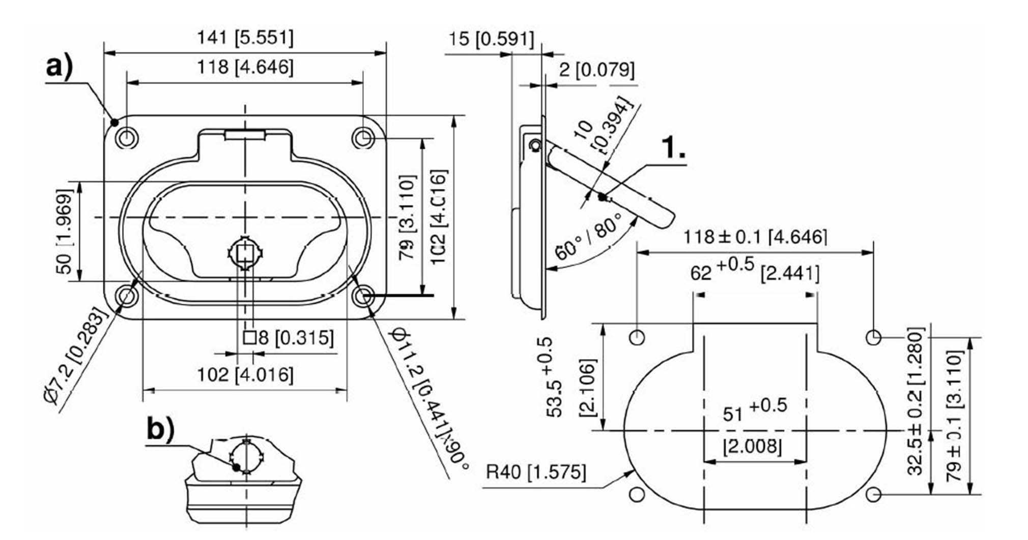
Hinged Recessed Handle, flush mounted








Advantages
- Vibration-proof, rattle-free construction.
- To use in special areas such as road vehicles and railcars/wagons.
- Prevents accumulation of dirt due to the completely closed housing surface.
- Variant a) with lock and opening angle about 60° or 80°.
- Integrated safety quarter-turn □8.
- Operation of the hinged recess handle only possible with an insert key.
- Variant b) without lock and opening angle about 60° or 80°.
Material
- Hinged recessed handle: zinc die, chrome plated or black
- Rubber bumper: EPDM
Remarks
Weight: 510g.1. rubber bumper
Selected version
Product number | 213-9001.00-00060 |
Installation type: | screw-on |
Surface: | chrome plated |
Delivery Unit: | 10 pcs. |
Locking: | without |
Opening angle: | 60° |
Related Products
Specific accessories
Article no.
Name
204-0103.00-00000
Wrench, square 8mm
204-0403.03-00000
Hollow key, (logo both sides), square 8mm
204-0701.07-07500
Universal key for Inserts
Product Configuration
Selected version
Product number | 213-9001.00-00060 |
Installation type: | screw-on |
Surface: | chrome plated |
Delivery Unit: | 10 pcs. |
Locking: | without |
Opening angle: | 60° |
Selected additional products
[none] |