Skip to main content Skip to search Skip to main navigation
[6-045.03]

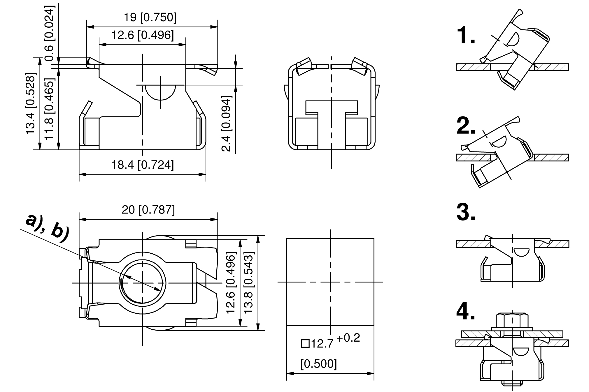
Cage Nuts □12.7

ICON_ROHS
ICON_DIN_61373
ICON_WERKZEUGLOS

Available versions

Cage Nuts

Contact linkedin YouTube