[1-192]
Rod Guides RS








Advantages
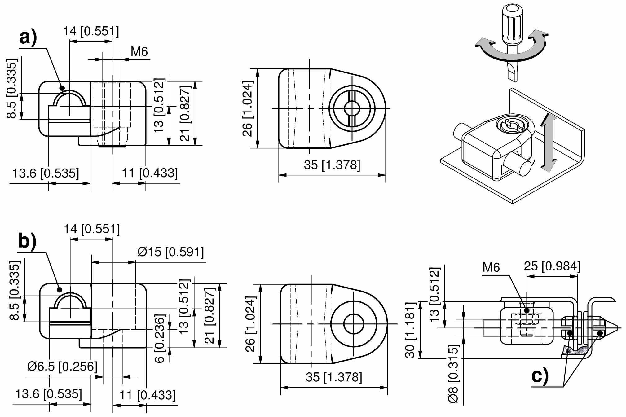
- Rod guides for 8mm round rods.
- Version a) adjustable in height to compensate production tolerances or if sealing has set.
- The rod guide can be adjusted in height by a slotted insert (max.12 x 2mm).
- With this rod guide even completely pre-assembled rod-latch systems can be installed, because the rod guide can be screwed onto the thread of the weld studs M6, by turning the threaded sleeve.
- The round shape of the hole allows free swivelling even with very short rods.
Material
- Rod guide: PA, black
- Adjusting Sleeve: steel, zinc plated
- Snap ring: stainless steel
Remarks
Adjustment depending on the lenght of the weld stud:M6 x 14 +5/-1mm,
M6 x 16 +5/-3mm,
M6 x 18 +5/-5mm,
M6 x 20 +5/-7mm
Stainless steel version see product system 7-912.
Selected version
Product number | 200-9615.00-00000 |
Delivery Unit: | 1 pc. |
Installation type: | screw-on |
Adjustment range: | max. + 5 mm |
Height adjustable: | Yes |
Related Products
Accessories
Article no.
Name
c
203-0605.03-00000
Bushing Ø8
Details
Type:
Bushing
D:
-
for flat rod:
-
for round rod:
Ø8
L:
-
L1:
-
Length:
Material:
PA
Surface:
black
self-locking:
Delivery Unit:
10 pcs.
201-0102.00-00000
Round rod 400mm
Details
Version:
with eye
Length:
400 mm
variable length:
Delivery Unit:
1 pc.
201-0103.00-00000
Round rod 500mm
Details
Version:
with eye
Length:
500 mm
variable length:
Delivery Unit:
1 pc.
201-0104.00-00000
Round rod 600mm
Details
Version:
with eye
Length:
600 mm
variable length:
Delivery Unit:
1 pc.
201-0105.00-00000
Round rod 700mm
Details
Version:
with eye
Length:
700 mm
variable length:
Delivery Unit:
1 pc.
201-0106.00-00000
Round rod 800mm
Details
Version:
with eye
Length:
800 mm
variable length:
Delivery Unit:
1 pc.
201-0107.00-00000
Round rod 900mm
Details
Version:
with eye
Length:
900 mm
variable length:
Delivery Unit:
1 pc.
201-0108.00-00000
Round rod 1000mm
Details
Version:
with eye
Length:
1000 mm
variable length:
Delivery Unit:
1 pc.
201-0109.00-00000
Round rod 1100mm
Details
Version:
with eye
Length:
1100 mm
variable length:
Delivery Unit:
1 pc.
201-0110.00-00000
Round rod 1200mm
Details
Version:
with eye
Length:
1200 mm
variable length:
Delivery Unit:
1 pc.
201-0112.00-Lxxmm
Round rod, variable length
Details
Version:
with eye
Length:
variable length:
Yes
Delivery Unit:
on request
201-0111.00-Lxxmm
Round rod, variable length
Details
Version:
with eye and chamfered end
Length:
variable length:
Yes
Delivery Unit:
on request
201-9006.00-Lxxmm
Round rod, variable length
Details
Version:
with eye and rollers
Length:
variable length:
Yes
Delivery Unit:
on request
201-9021.00-Lxxmm
Round rod, variable length, with eye parallel to the roller
Details
Version:
with eye and rollers, eye parallel to the roller
Length:
variable length:
Yes
Delivery Unit:
on request
201-9001.00-00000
Round rod 400mm
201-9020.00-00500
Round rod 500mm
201-9002.00-00000
Round rod 600mm
201-9020.00-00700
Round rod 700mm
201-9003.00-00000
Round rod 800mm
201-9020.00-00900
Round rod 900mm
201-9004.00-00000
Round rod 1000mm
201-9020.00-01100
Round rod 1100mm
201-9005.00-00000
Round rod 1200mm
201-9020.00-Lxxmm
Round rod, variable length
Product Configuration
Selected version
Product number | 200-9615.00-00000 |
Delivery Unit: | 1 pc. |
Installation type: | screw-on |
Adjustment range: | max. + 5 mm |
Height adjustable: | Yes |
Selected additional products
[none] |